GM Service Manual Online
For 1990-2009 cars only
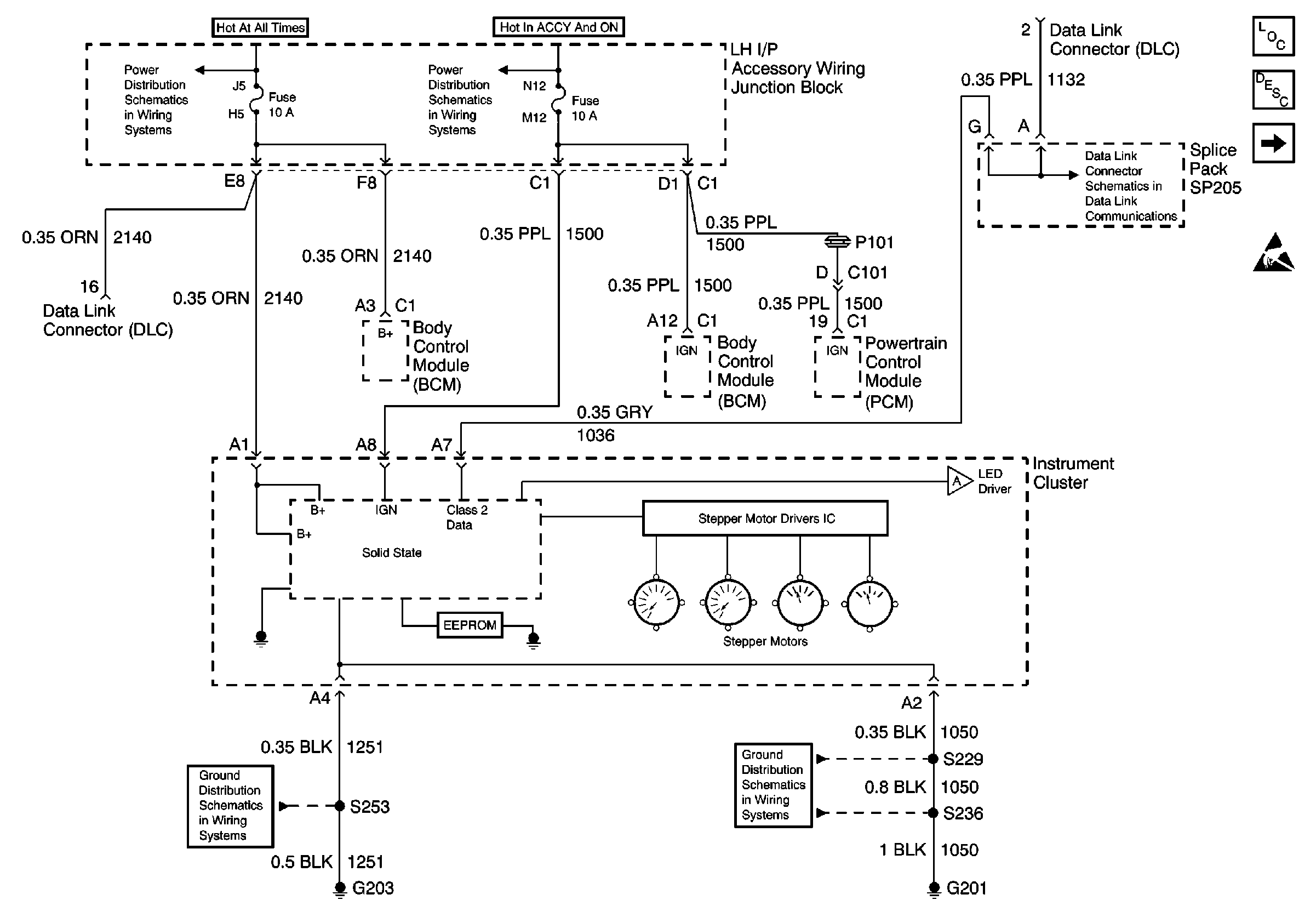
Figure 1:

Power, DLC, BCM, PCM, SP205, G203


Object Number: 483620  Size: FS
Instrument Cluster Components
Instrument Cluster Circuit Description
LED Displays
OBD II Symbol Description Notice
Handling ESD Sensitive Parts Notice
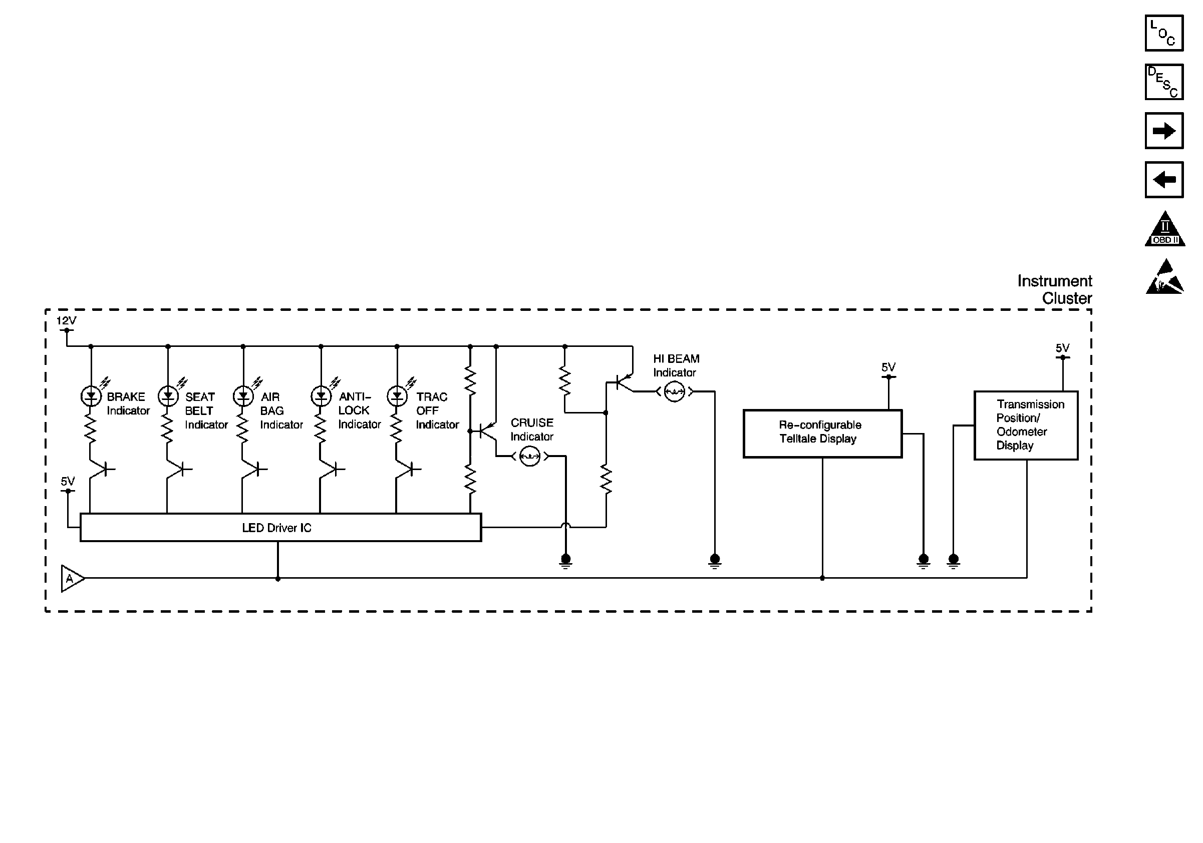
Figure 2:

LED Displays


Object Number: 483625  Size: FS
Instrument Cluster Components
Instrument Cluster Circuit Description
Direct Inputs 1 of 2
Power, DLC, BCM, PCM, SP205, G203
OBD II Symbol Description Notice
Handling ESD Sensitive Parts Notice
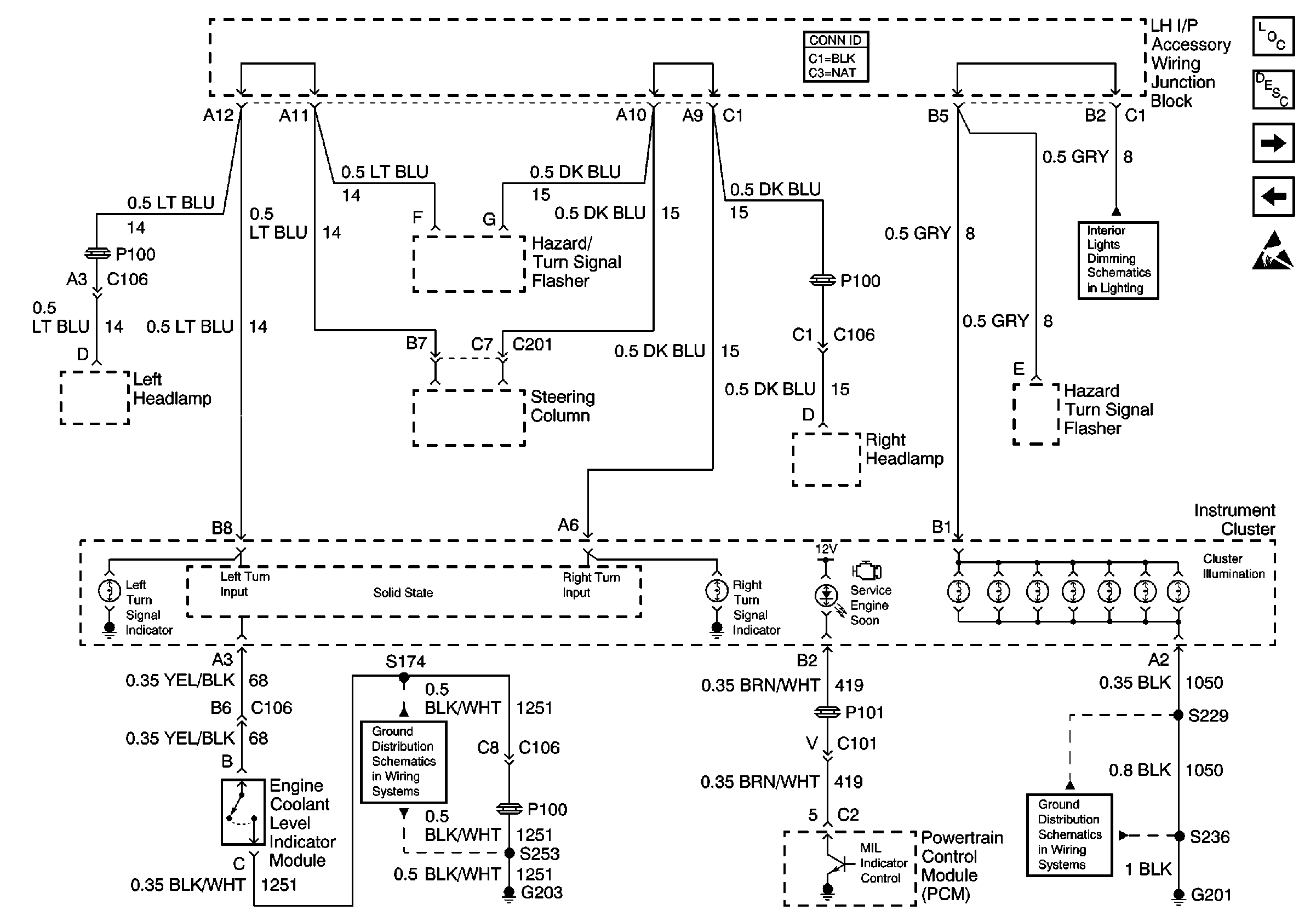
Figure 3:

Direct Inputs 1 of 2


Object Number: 483622  Size: FS
Instrument Cluster Components
Instrument Cluster Circuit Description
Direct Inputs 2 of 2
LED Displays
OBD II Symbol Description Notice
Handling ESD Sensitive Parts Notice
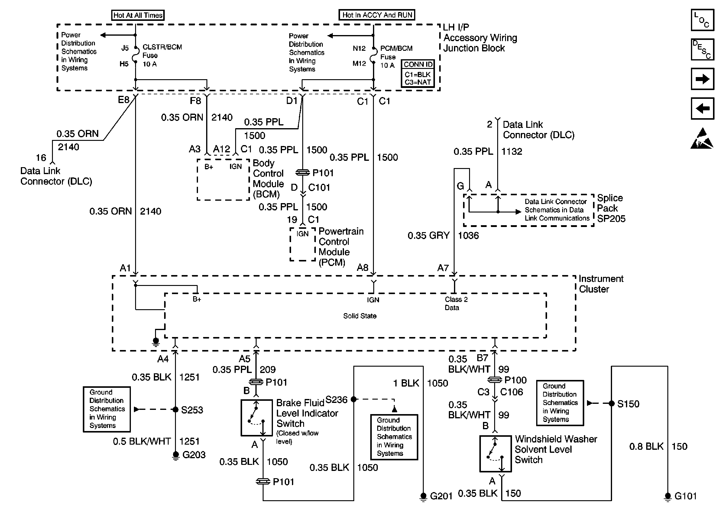
Figure 4:

Direct Inputs 2 of 2


Object Number: 483624  Size: FS
Instrument Cluster Components
Instrument Cluster Circuit Description
Direct Inputs 1 of 2
OBD II Symbol Description Notice
Handling ESD Sensitive Parts Notice