GM Service Manual Online
For 1990-2009 cars only
Makes
🢒
Chevrolet
🢒
2000
🢒
Impala
🢒
Body and Accessories
🢒
Horns
🢒 Horn Schematics
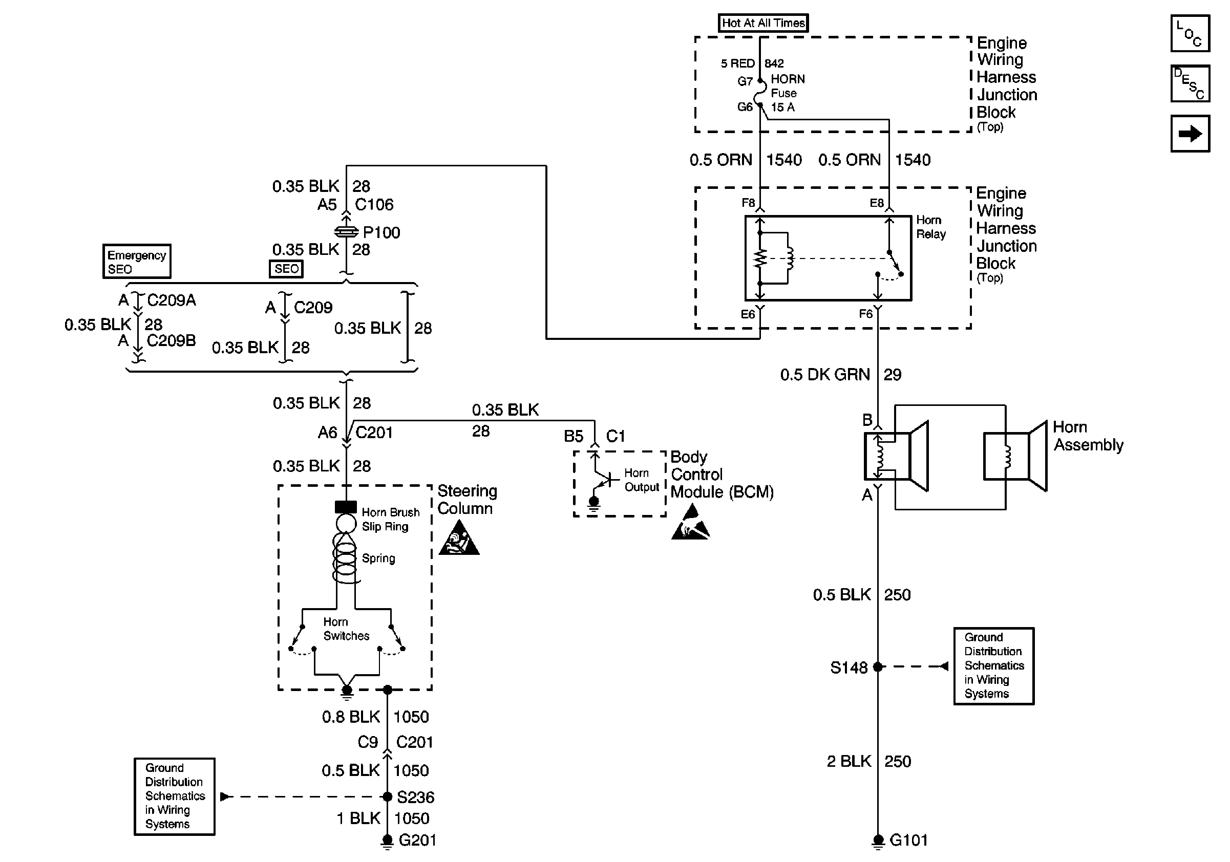
Cell 40
Horns Components
Horns Circuit Description
G201 (1 of 2)
SIR Handling Caution
Handling ESD Sensitive Parts Notice
G101 (1 of 2)