GM Service Manual Online
For 1990-2009 cars only
Makes
🢒
Chevrolet
🢒
2000
🢒
Impala
🢒
Body and Accessories
🢒
Retained Accessory Power
🢒 Retained Accessory Power (RAP) Schematics
Figure
1:
Power and Grounds
Battery, EBCM, Engine Wiring Harness Junction Blocks (Bottom and Top),Fusible Links, Generator, Remote Battery Stud and Starter
LH HTD ST/BCM, DR LK, PWR MIR and CLSTR/BCM Fuses, HEADLAMP and RETAINED ACCSRY PWR Relays, and RETAINED ACCSRY PWR Circuit Breaker
LH HTD ST/BCM, DR LK, PWR MIR and CLSTR/BCM Fuses, HEADLAMP and RETAINED ACCSRY PWR Relays, and RETAINED ACCSRY PWR Circuit Breaker
PCM BCM/CLSTR, PWR MIR, CLSTR/BCM Fuses, RETAINED ACCSRY PWR CIRCUIT Breaker, HEADLAMP and RETAINED ACCSRY PWR Relays
G201 (1 of 2)
G201 (1 of 2)
PCM BCM/CLSTR, PWR MIR, CLSTR/BCM Fuses, RETAINED ACCSRY PWR CIRCUIT Breaker, HEADLAMP and RETAINED ACCSRY PWR Relays
PCM BCM/CLSTR, PWR MIR, CLSTR/BCM Fuses, RETAINED ACCSRY PWR CIRCUIT Breaker, HEADLAMP and RETAINED ACCSRY PWR Relays
LH HTD ST/BCM, DR LK, PWR MIR and CLSTR/BCM Fuses, HEADLAMP and RETAINED ACCSRY PWR Relays, and RETAINED ACCSRY PWR Circuit Breaker
Ignition and Start Switch and CIG/AUX, WSW, BCM, TURN SIGNAL, SRS, STOP and ABS/PCM Fuses
Ignition and Start Switch and CIG/AUX, WSW, BCM, TURN SIGNAL, SRS, STOP and ABS/PCM Fuses
ABS/PCM, STOP, TURN SIGNAL and SRS Fuses
Handling ESD Sensitive Parts Notice
Handling ESD Sensitive Parts Notice
Handling ESD Sensitive Parts Notice
G203 (2 of 3)
Retained Accessory Power (RAP) Components
Retained Accessory Power (RAP) Circuit Description
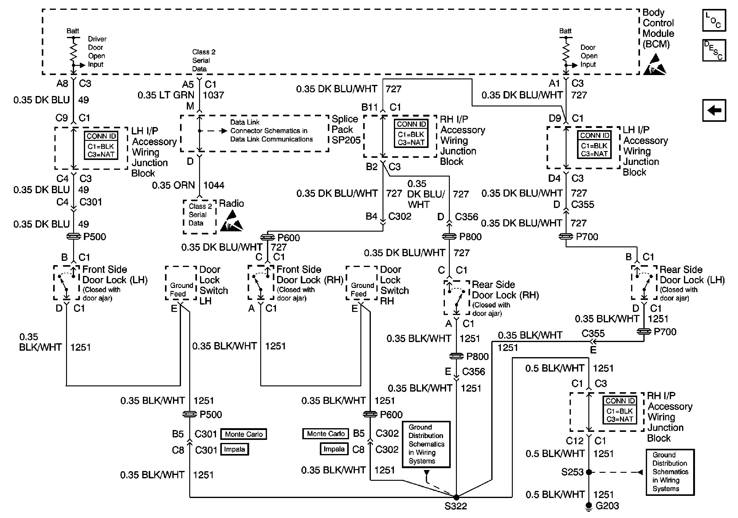
Door Inputs
Figure
2:
Door Inputs
G203 (1 of 3)
G203 (2 of 3)
Handling ESD Sensitive Parts Notice
Retained Accessory Power (RAP) Components
Retained Accessory Power (RAP) Circuit Description
Power and Grounds