GM Service Manual Online
For 1990-2009 cars only
Makes
🢒
Chevrolet
🢒
2000
🢒
Impala
🢒
Body and Accessories
🢒
Stationary Windows
🢒 Automatic Day-Night Mirrors Schematics
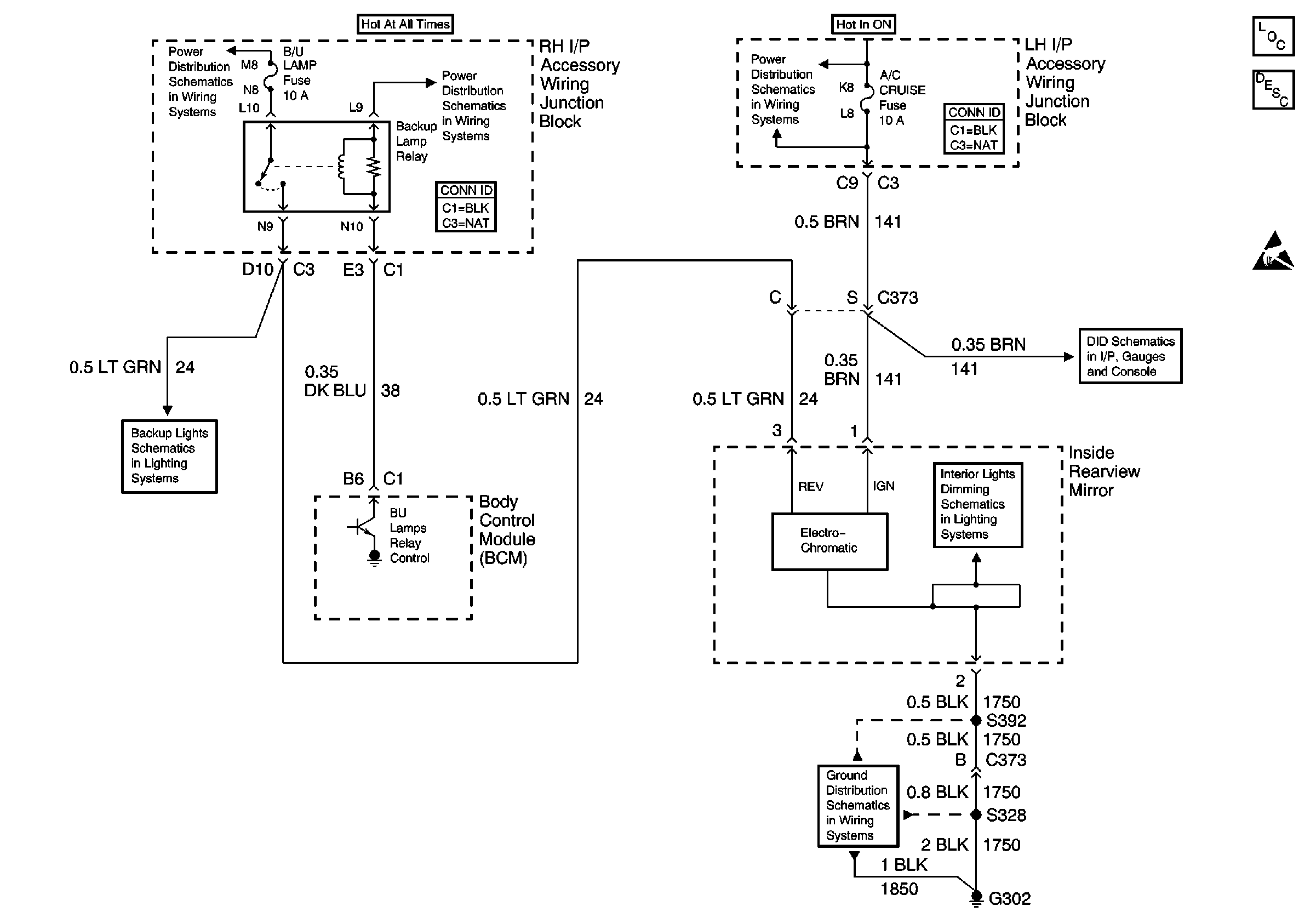
Automatic Day-Night Mirrors Schematics
Stationary Windows Components
DIC/RKE, B/U LP, TRK/ROOF BRP and I/P BRP Fuses, BATT RUNDOWN PROTECTION and BACKUP LP Relays
DIC/RKE, B/U LP, TRK/ROOF BRP and I/P BRP Fuses, BATT RUNDOWN PROTECTION and BACKUP LP Relays
Backup Lights Schematics
Handling ESD Sensitive Parts Notice
A/C CRUISE, A/C FAN and CRUISE Fuses
G302
Doors and Console
Driver Information Center
Handling ESD Sensitive Parts Notice
Stationary Window Description