GM Service Manual Online
For 1990-2009 cars only
Makes
🢒
Chevrolet
🢒
2000
🢒
Impala
🢒
Body and Accessories
🢒
Roof
🢒 Sunroof Schematics
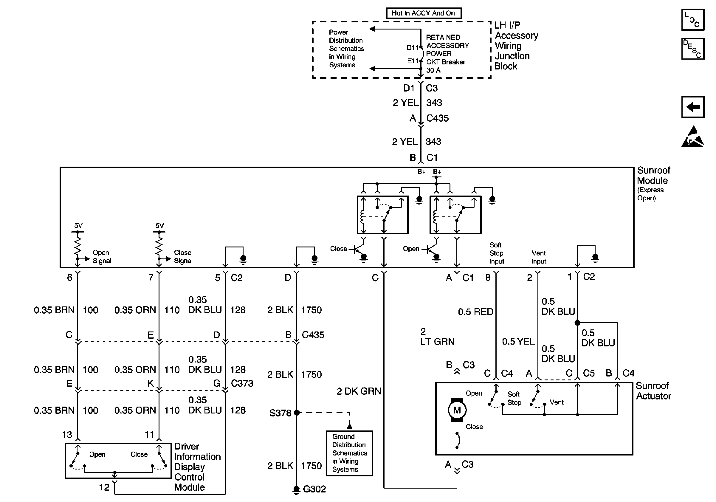
Figure
1:
Without Driver Information Center(DIC)
Power Roof Systems Components
Power Sunroof Circuit Description
With Driver Information Center (DIC)
OBD II Symbol Description Notice
Handling ESD Sensitive Parts Notice
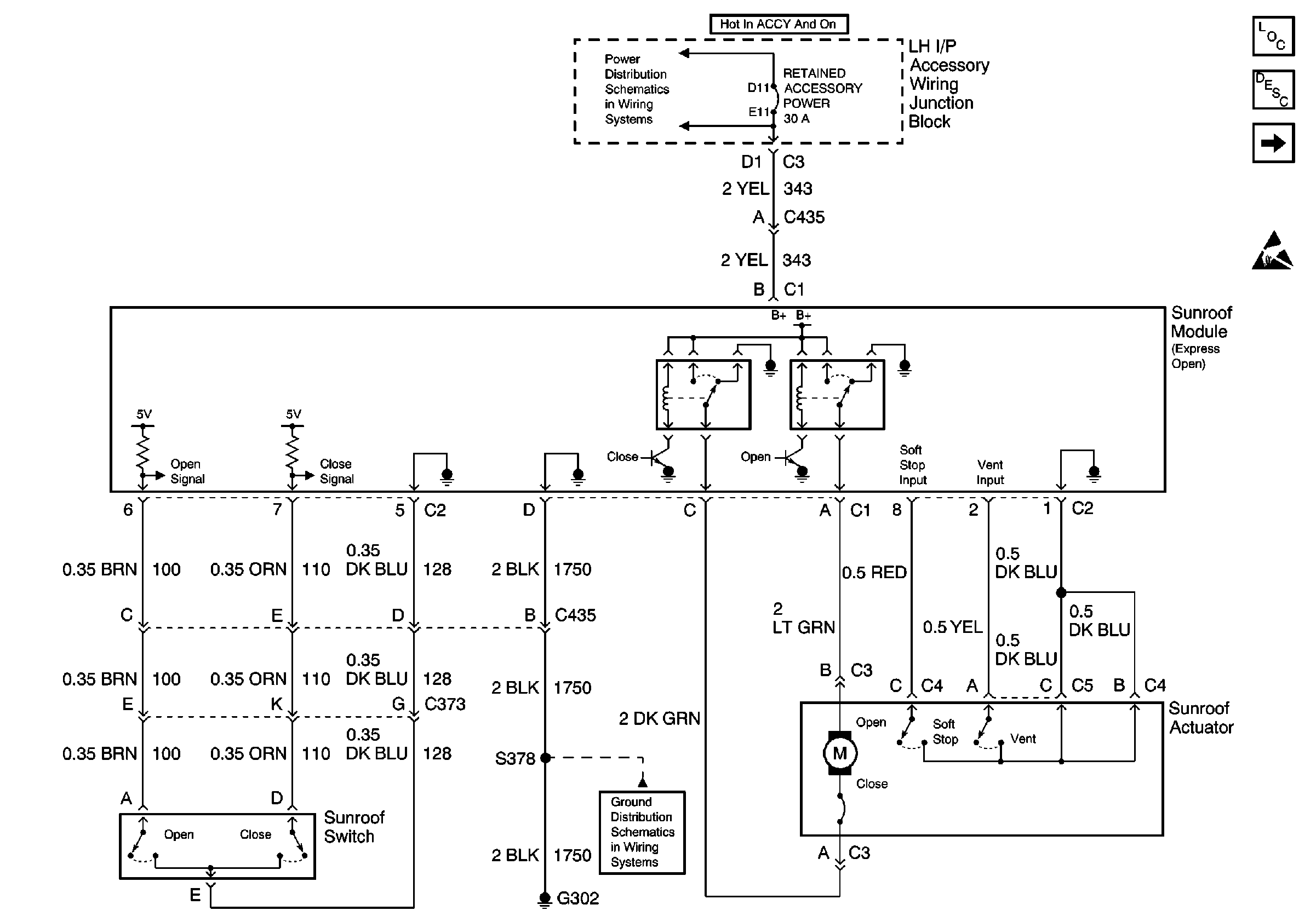
Figure
2:
With Driver Information Center (DIC)
Power Roof Systems Components
Power Sunroof Circuit Description
Without Driver Information Center(DIC)
OBD II Symbol Description Notice
Handling ESD Sensitive Parts Notice