GM Service Manual Online
For 1990-2009 cars only
Makes
🢒
Chevrolet
🢒
2000
🢒
Impala
🢒 Rear Defogger
Rear Defogger
Rear Defogger
Stationary Windows Components
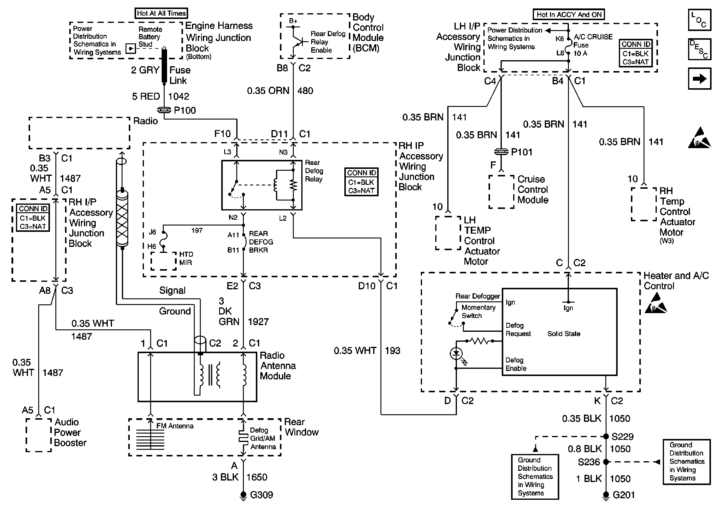
Rear Window Defogger Circuit Description
Heated Outside Rear View Mirrors
Handling ESD Sensitive Parts Notice
Battery, EBCM, Engine Wiring Harness Junction Blocks (Bottom and Top),Fusible Links, Generator, Remote Battery Stud and Starter
Ignition and Start Switch and A/C CRUISE, A/C FAN, CRUISE, PCM (Crank)and PCM/BCM/CLSTR Fuses
G302 - Continued and G309
G201 (2 of 2)
G201 (1 of 2)