GM Service Manual Online
For 1990-2009 cars only
Makes
🢒
Chevrolet
🢒
2000
🢒
Impala
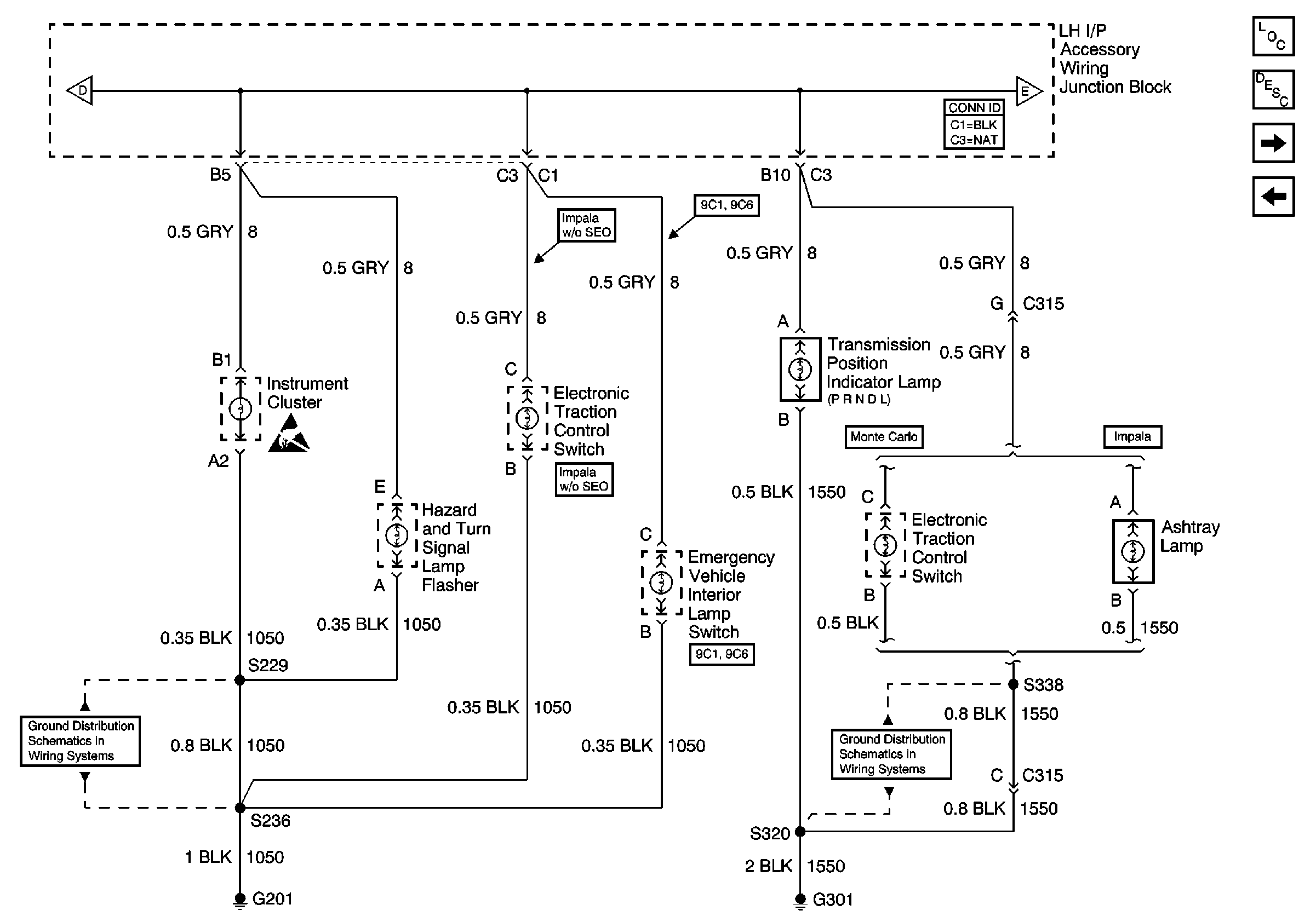
🢒 IP and Console Lamps
IP and Console Lamps
IP and Console Lamps
Stationary Windows Components
Interior Lights Circuit Description
Doors and Console
Steering Wheel Control Switches Lamp
BCM, Door Lock, Door Window Switch, HVAC, Radio, and Fog Lamp Switch Lamps
G201 (1 of 2)
G301 (1 of 2)
Doors and Console