GM Service Manual Online
For 1990-2009 cars only
Makes
🢒
Chevrolet
🢒
2001
🢒
Impala
🢒
Body and Accessories
🢒
Instrument Panel, Gauges, and Console
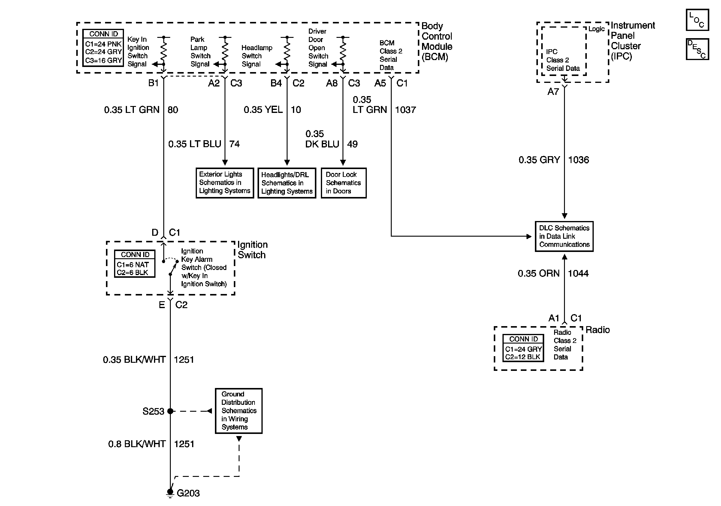
🢒 Audible Warnings Schematics
Master Electrical Component List
Audible Warnings Description and Operation
Park Lamps (Impala)
Indicator, and Lamp Control
Door Open Switches (Left)
DLC Schematics
G203 (1 of 3)