GM Service Manual Online
For 1990-2009 cars only
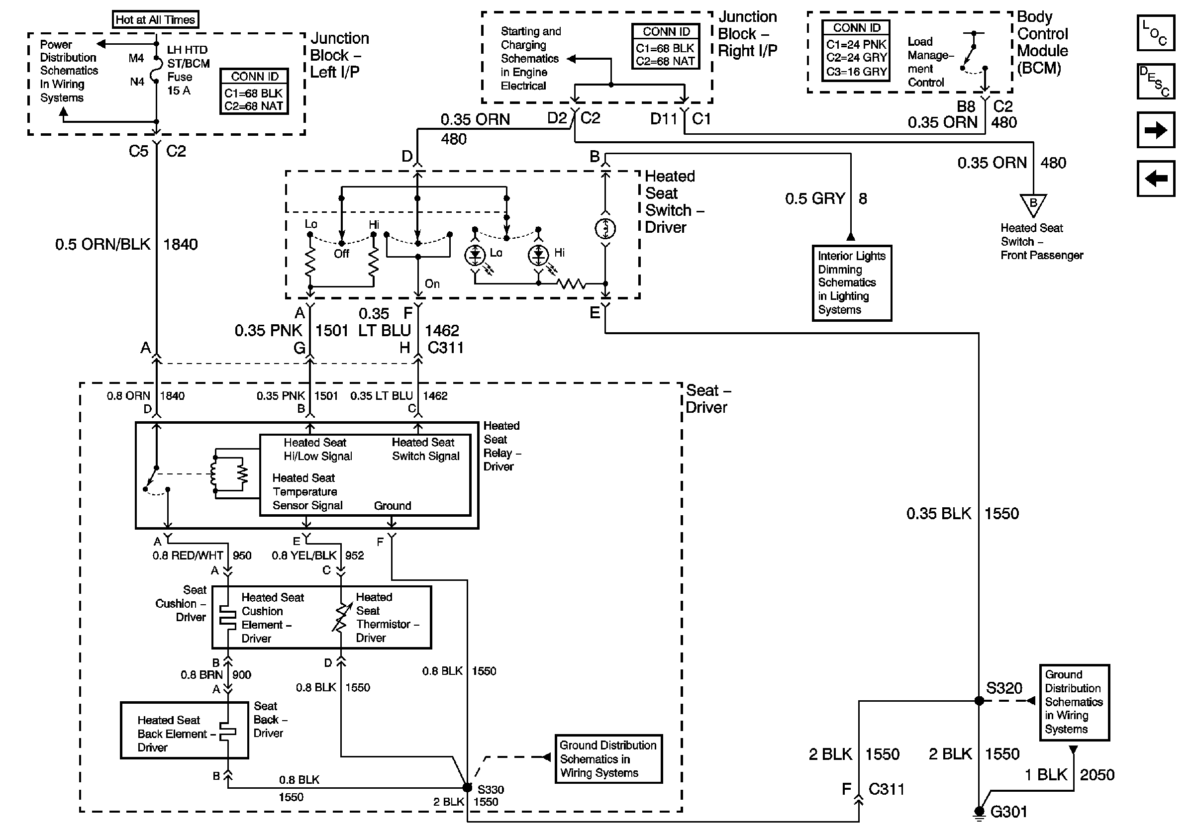
Figure 1:

Driver Seat (Impala)


Object Number: 699107  Size: FS
Master Electrical Component List
Heated Seats Description and Operation
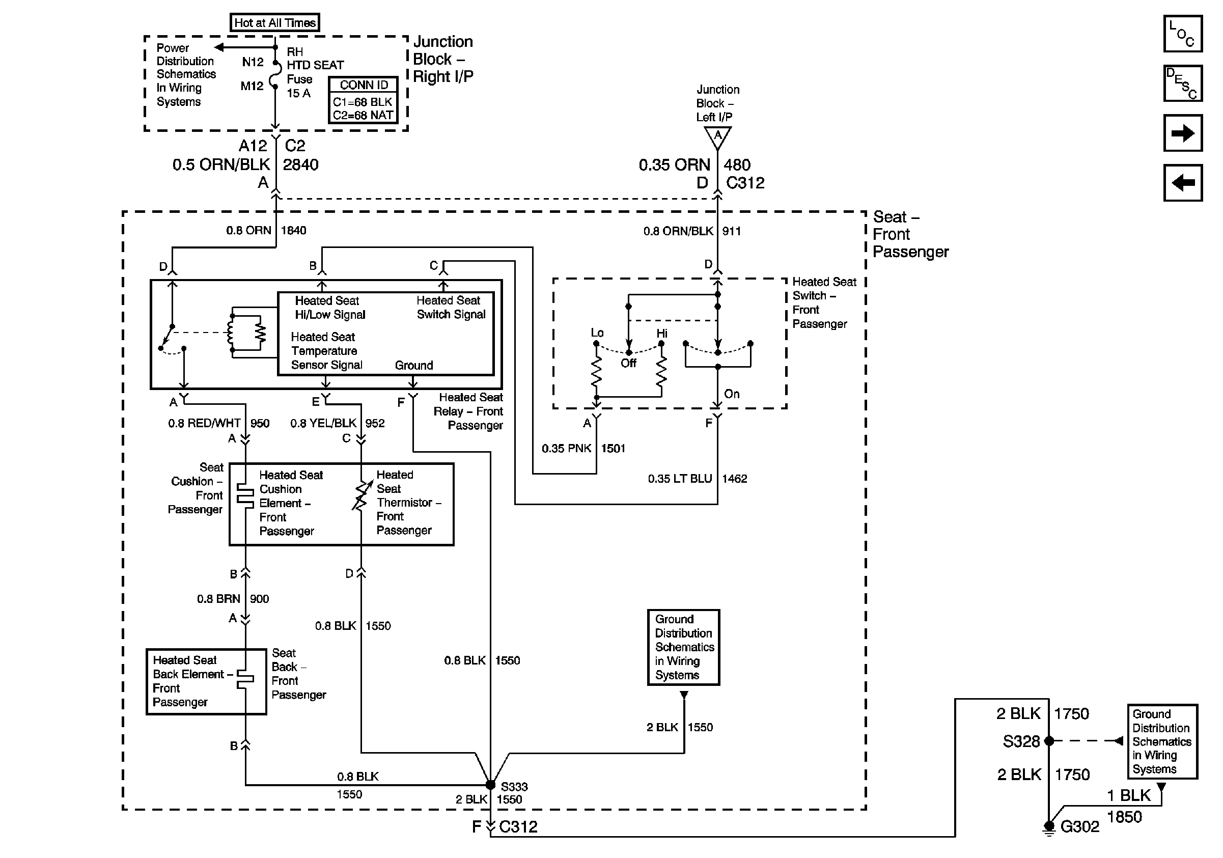
Front Passenger Seat (Impala)
CLSTR/BCM, DR LK, LEFT IP, LT HTD ST/BCM, and PWR MIR Fuses, RETAINED ACCSRY PWR Circuit Breaker, HEADLAMP, and RETAINED ACCSRY PWR Relays
Battery Rundown Protection and Load Management
Front Passenger Seat (Impala)
G301 (1 of 2)
G301 (1 of 2)
Figure 2:

Front Passenger Seat (Impala)


Object Number: 699108  Size: FS
Master Electrical Component List
Heated Seats Description and Operation
Driver Seat (Monte Carlo)
Driver Seat (Impala)
B/U LAMP, DIC/RKE, FRT PARK LP, IP BRP, PWR DROP, REAR PARK LP, RTHTD ST, RT IP#1, and TRK/ROOF BRP Fuses, PWR SEATS Circuit Breaker, BACKUP LP, BATT RUNDOWN PROTECTION, and PARK LP Relays
Driver Seat (Impala)
G302 (1 of 2)
G302 (1 of 2)
Figure 3:

Driver Seat (Monte Carlo)


Object Number: 699109  Size: FS
Master Electrical Component List
Heated Seats Description and Operation
Front Passenger Seat (Monte Carlo)
Front Passenger Seat (Impala)
CLSTR/BCM, DR LK, LEFT IP, LT HTD ST/BCM, and PWR MIR Fuses, RETAINED ACCSRY PWR Circuit Breaker, HEADLAMP, and RETAINED ACCSRY PWR Relays
Battery Rundown Protection and Load Management
Console, and Driver Door
Front Passenger Seat (Monte Carlo)
G301 (1 of 2)
G301 (1 of 2)
Figure 4:

Front Passenger Seat (Monte Carlo)


Object Number: 699110  Size: FS
Master Electrical Component List
Heated Seats Description and Operation
Driver Seat (Monte Carlo)
B/U LAMP, DIC/RKE, FRT PARK LP, IP BRP, PWR DROP, REAR PARK LP, RTHTD ST, RT IP#1, and TRK/ROOF BRP Fuses, PWR SEATS Circuit Breaker, BACKUP LP, BATT RUNDOWN PROTECTION, and PARK LP Relays
Driver Seat (Monte Carlo)
Console, and Driver Door
G302 (1 of 2)
G302 (1 of 2)
G301 (1 of 2)