GM Service Manual Online
For 1990-2009 cars only
Figure 1:

Dimming Control, and Steering Wheel Controls


Object Number: 699090  Size: FS
Master Electrical Component List
Interior Lighting Systems Description and Operation
I/P
B/U LAMP, DIC/RKE, FRT PARK LP, IP BRP, PWR DROP, REAR PARK LP, RTHTD ST, RT IP#1, and TRK/ROOF BRP Fuses, PWR SEATS Circuit Breaker, BACKUP LP, BATT RUNDOWN PROTECTION, and PARK LP Relays
Lighting Systems Schematic Icons
Lighting Systems Schematic Icons
G201 (1 of 2)
G201 (1 of 2)
G203 (1 of 3)
I/P
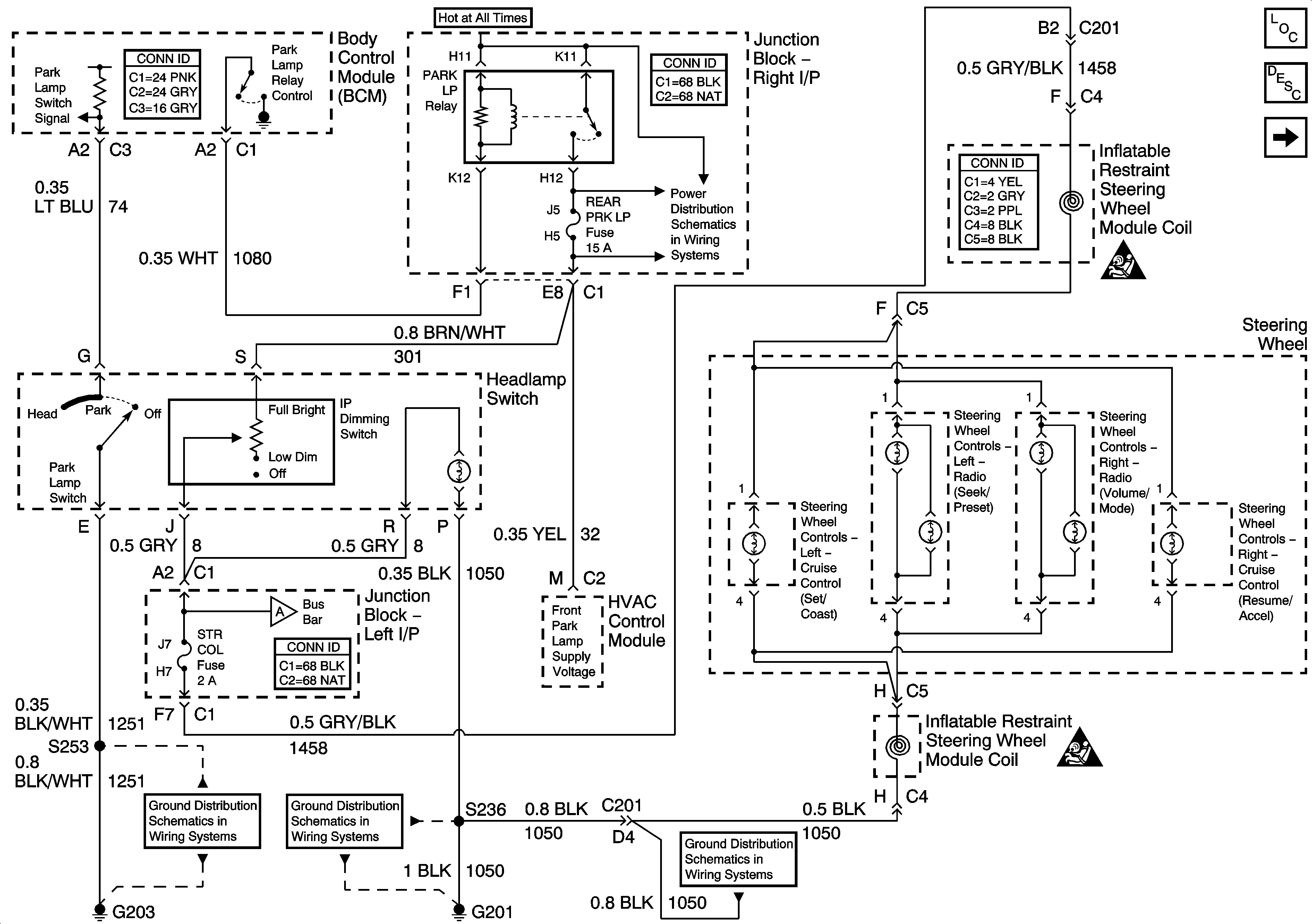
Figure 2:

I/P


Object Number: 699091  Size: FS
Master Electrical Component List
Interior Lighting Systems Description and Operation
Console, and Driver Door
Dimming Control, and Steering Wheel Controls
Dimming Control, and Steering Wheel Controls
Console, and Driver Door
G201 (2 of 2)
G201 (1 of 2)
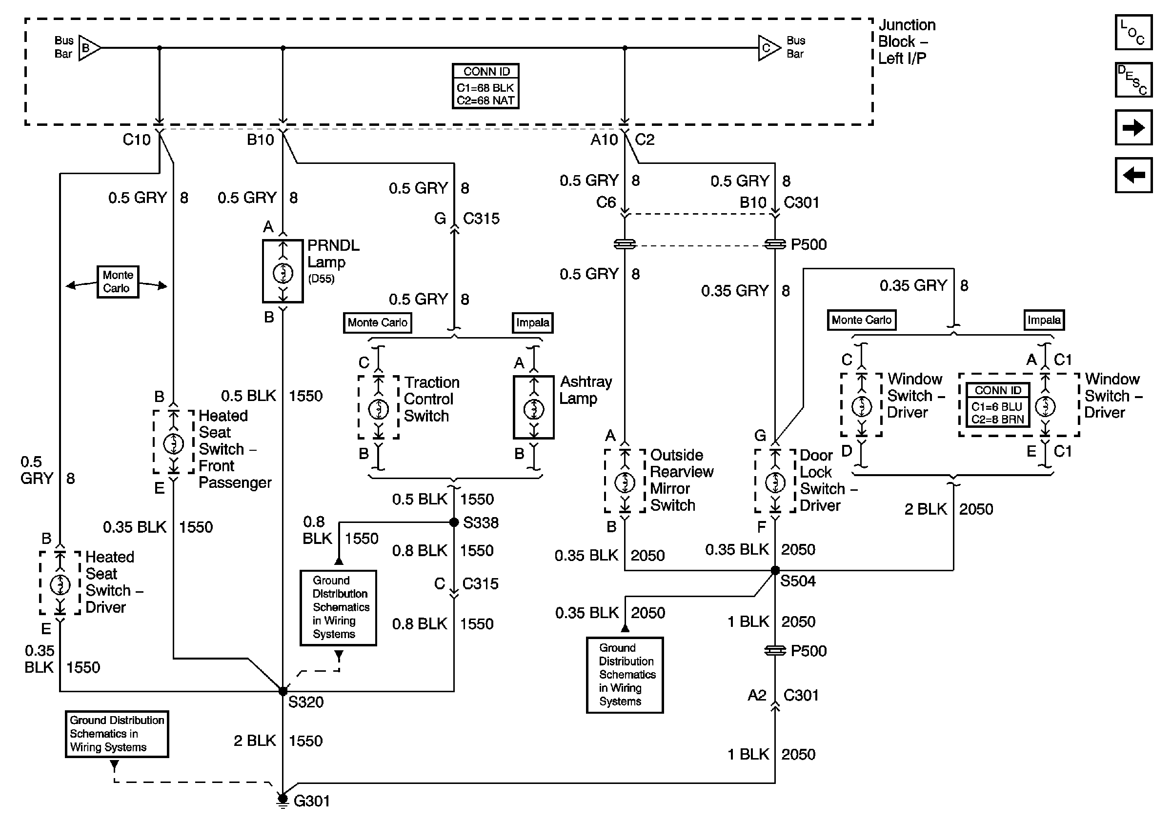
Figure 3:

Console, and Driver Door


Object Number: 699094  Size: FS
Master Electrical Component List
Interior Lighting Systems Description and Operation
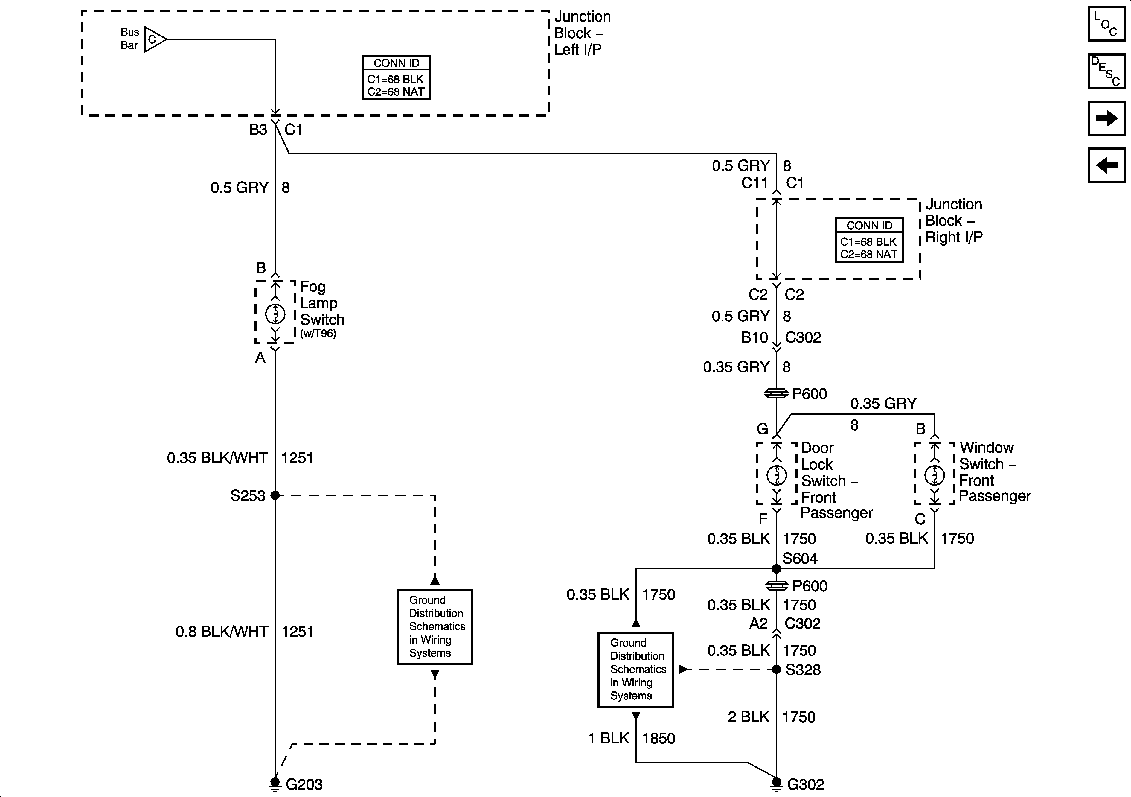
Fog Lamp Switch, and Front Passenger Door
I/P
I/P
Fog Lamp Switch, and Front Passenger Door
G301 (1 of 2)
G301 (2 of 2)
G301 (1 of 2)
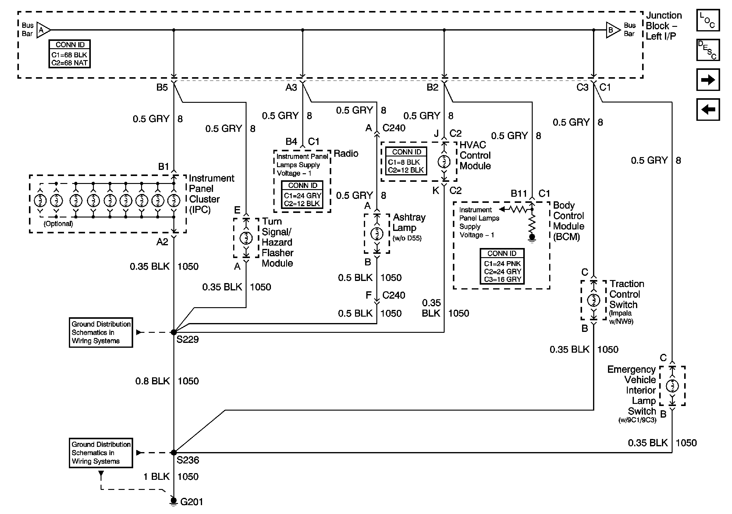
Figure 4:

Fog Lamp Switch, and Front Passenger Door


Object Number: 699097  Size: FS
Master Electrical Component List
Interior Lighting Systems Description and Operation
Class 2 Dimming
Console, and Driver Door
Console, and Driver Door
G203 (1 of 3)
G302 (1 of 2)
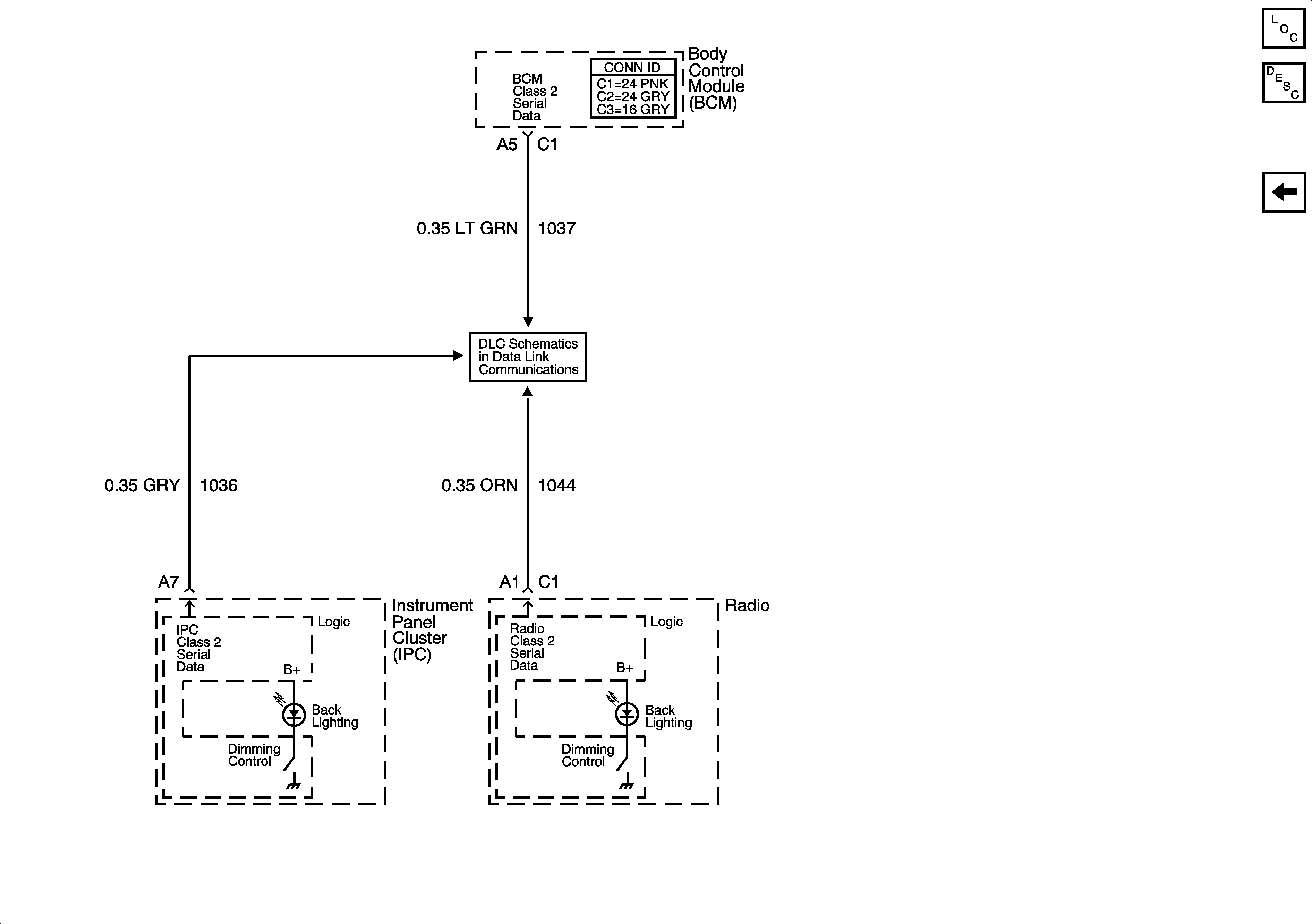
Figure 5:

Class 2 Dimming


Object Number: 1486334  Size: FS
Master Electrical Component List
Interior Lighting Systems Description and Operation
Fog Lamp Switch, and Front Passenger Door
DLC Schematics