GM Service Manual Online
For 1990-2009 cars only
Makes
🢒
Chevrolet
🢒
2002
🢒
Impala
🢒 Lock Switches
Lock Switches
Lock Switches
Master Electrical Component List
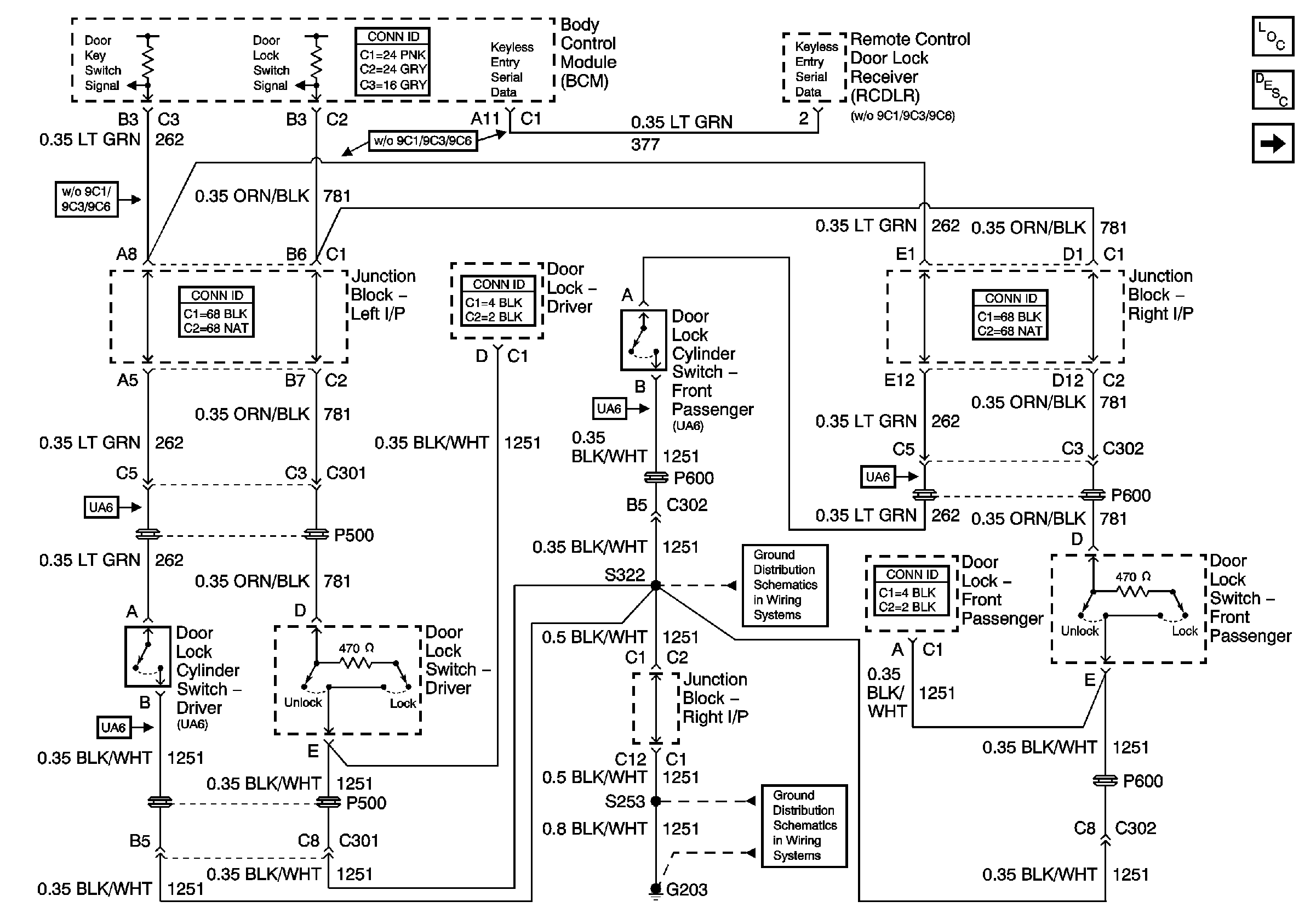
Power Door Locks Description and Operation
Door Lock Actuators
G203 (2 of 3)
G203 (1 of 3)