GM Service Manual Online
For 1990-2009 cars only
Makes
🢒
Chevrolet
🢒
2003
🢒
Impala
🢒
Body and Accessories
🢒
Wiring Systems
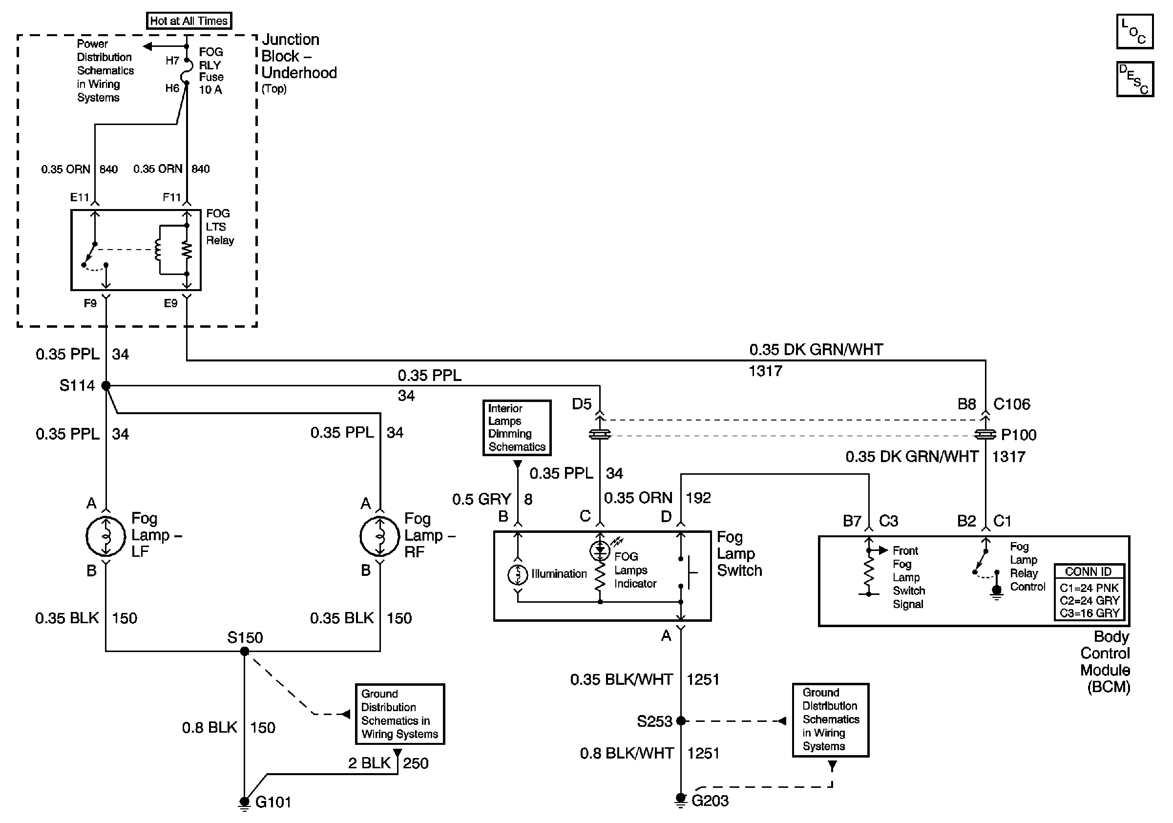
🢒 Fog Lights Schematics
Master Electrical Component List
Exterior Lighting Systems Description and Operation
Junction Block-Underhood [Top View]
G101
G203 [1 of 3]
Fog Lamps Switch, and Front Passenger Door