GM Service Manual Online
For 1990-2009 cars only
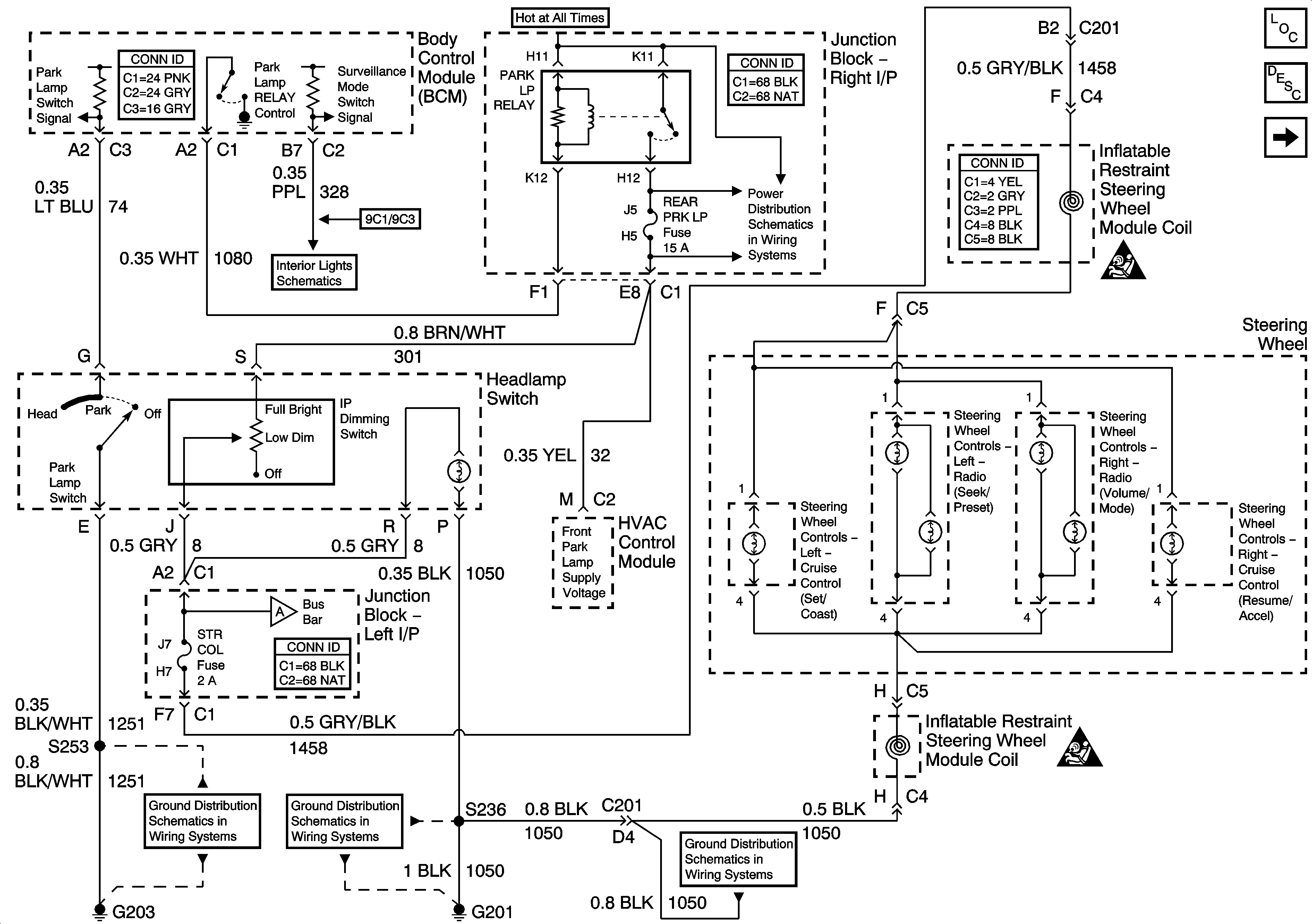
Figure 1:

Dimming Control, and Steering Wheel Controls


Object Number: 1325774  Size: FS
Master Electrical Component List
Interior Lighting Systems Description and Operation
I/P
Courtesy Lamps Control, and I/P
FRT PARK LP, and REAR PK LP Fuses
SIR Caution for Zoning
SIR Caution for Zoning
G201 [1 of 2]
G201 [1 of 2]
G203 [1 of 3]
I/P
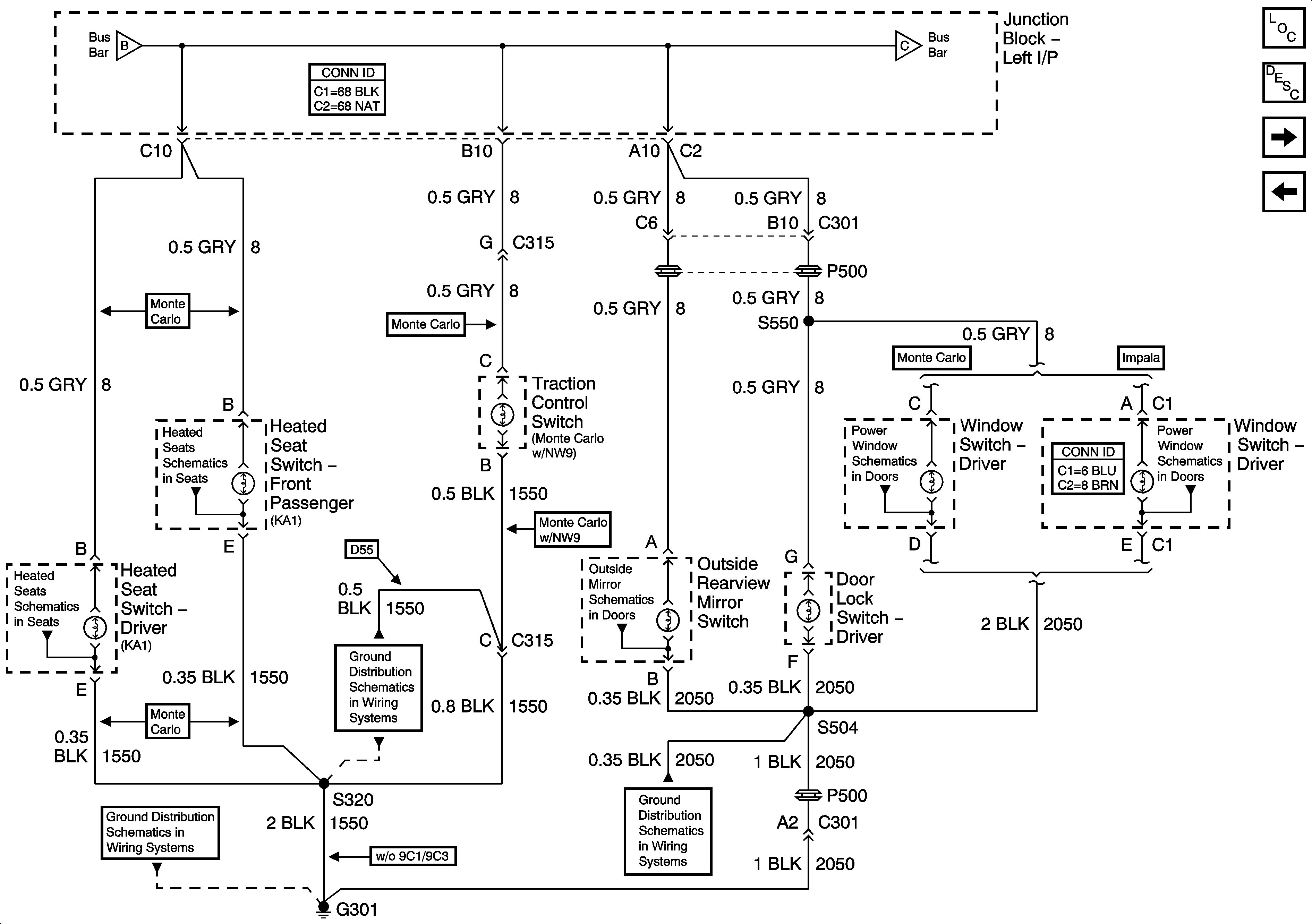
Figure 2:

I/P


Object Number: 1325775  Size: FS
Master Electrical Component List
Interior Lighting Systems Description and Operation
Console, and Driver Door
Dimming Control, and Steering Wheel Controls
Dimming Control, and Steering Wheel Controls
Console, and Driver Door
Compressor Control
Turn/Hazard Lamps Control [Monte Carlo]
Turn/Hazard Lamps Control [Monte Carlo]
G201 [2 of 2]
G201 [1 of 2]
Figure 3:

Console, and Driver Door


Object Number: 1325778  Size: FS
Master Electrical Component List
Interior Lighting Systems Description and Operation
Fog Lamps Switch, and Front Passenger Door
I/P
I/P
Fog Lamps Switch, and Front Passenger Door
G301 [1 of 2]
G301 [1 of 2]
Driver Seat [Monte Carlo]
Front Passenger Seat [Monte Carlo]
Power Mirrors
Monte Carlo
Impala Rear Doors
G301 [2 of 2]
Figure 4:

Fog Lamp Switch, and Front Passenger Door


Object Number: 808834  Size: FS
Master Electrical Component List
Interior Lighting Systems Description and Operation
Class 2 Dimming
Console, and Driver Door
Console, and Driver Door
G203 [1 of 3]
G203 [1 of 2]
Figure 5:

Class 2 Dimming


Object Number: 1486334  Size: FS
Master Electrical Component List
Interior Lighting Systems Description and Operation
Fog Lamp Switch, and Front Passenger Door
Data Link Communications