Removal Procedure
- Disconnect the negative battery cable. Refer to
Battery Negative Cable Disconnection and Connection.
- Remove the fuel injector sight shield. Refer to
Fuel Injector Sight Shield Replacement .
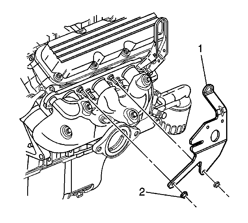
- Remove the bolts attaching the right and left hand upper engine struts to the engine brackets.
- Loosen, but do not remove the right and left hand upper engine strut bolts at the radiator core support and reposition the struts away from the engine.
- Rotate the engine forward.
- Disconnect the right side spark plug wires from the spark plugs and coil. Refer to
Spark Plug Wire Replacement.
- Remove the right spark plug wires and cover from the right valve rocker arm cover.
- On supercharged models, disconnect the hoses and electrical connector from the evaporative emission (EVAP) canister purge solenoid located above the right valve rocker arm cover.
- On supercharged models, remove the EVAP canister purge valve from the EVAP canister purge valve mounting bracket.
Important: It is not necessary to remove the heater hoses from the drive belt tensioner in the next step. When the tensioner has been removed from the engine it can be repositioned out of the way with the hoses still attached.
- Remove the drive belt tensioner. Refer to
Drive Belt Tensioner Replacement .
- Remove the fuel injector sight shield bracket nuts.
- Remove the fuel injector sight shield bracket.
- Remove the right valve rocker arm cover bolts.
Important: If the valve rocker cover adheres to the cylinder head, remove the valve rocker arm cover by bumping the end of the valve rocker arm cover with the palm of hand or with a soft rubber mallet.
- Remove the right valve rocker arm cover.
- Remove the right valve rocker arm cover gasket.
- Clean the valve rocker arm mating surfaces.
- Clean the valve rocker arm cover bolts of all thread locking adhesive.
Installation Procedure
Important: Ensure the valve rocker arm cover gasket is seated properly in the valve rocker arm cover groove.
- Install the new valve rocker arm cover gasket.
- Install the right rocker arm cover.
- Apply thread lock compound GM P/N 12345493 (Canadian P/N 10953488) or equivalent, to the valve rocker arm cover bolt threads.
Notice: Refer to Fastener Notice in the Preface section.
- Install the right valve rocker arm cover bolts.
Tighten
Tighten the bolts to 10 N·m (89 lb in).
- Install the fuel injector sight shield bracket.
- Install the fuel injector sight shield bracket nuts.
Tighten
Tighten the nuts to 30 N·m (22 lb ft).
- Install the drive belt tensioner. Refer to
Drive Belt Tensioner Replacement .
- On supercharged models, install the EVAP canister purge valve on the EVAP canister purge valve mounting bracket.
- On supercharged models, connect the electrical connector and hoses to the EVAP solenoid.
- Install the right side spark plug wires and cover to the left valve rocker arm cover.
- Connect the right side spark plug wires to the spark plugs and coils. Refer to
Spark Plug Wire Replacement.
- Rotate the engine rearward.
- Position the right and left struts to the engine brackets and install the bolts.
Tighten
- Tighten the right and left upper engine strut bolts to 30 N·m (22 lb ft).
- Tighten the loose right and left upper engine strut bolts at the radiator support to 30 N·m (22 lb ft).
- Connect the negative battery cable. Refer to
Battery Negative Cable Disconnection and Connection.
- Fill the cooling system. Refer to
Cooling System Draining and Filling.
- Install the fuel injector sight shield. Refer to
Fuel Injector Sight Shield Replacement .
- Inspect for oil leaks.