GM Service Manual Online
For 1990-2009 cars only
Figure 1:

Fuse Block - SEO and Fusible Links


Object Number: 1309697  Size: FS
Master Electrical Component List
Junction Block - Underhood (Top) Bussing
Junction Block - Underhood (Top) Bussing
Figure 2:

Junction Block - Underhood (Top) Bussing


Object Number: 1309700  Size: FS
Master Electrical Component List
Junction Block - Underhood (Bottom) Bussing
Fuse Block - SEO and Fusible Links
Fuse Block - SEO and Fusible Links
Junction Block - Underhood (Bottom) Bussing
Figure 3:

Junction Block - Underhood (Bottom) Bussing


Object Number: 1309706  Size: FS
Master Electrical Component List
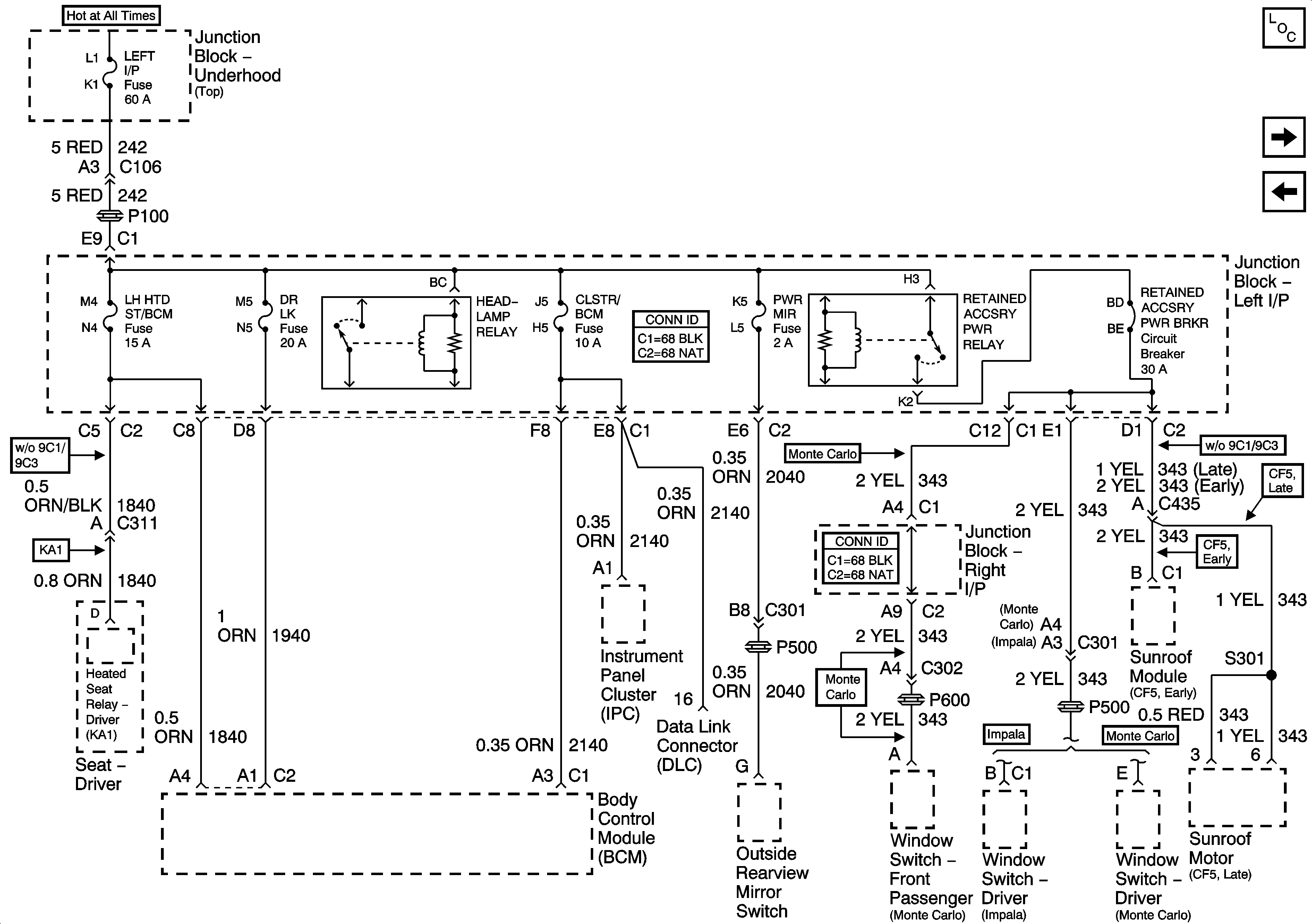
CLSTR/BCM, DR LK, LEFT IP, LH HTD ST/BCM and PWR MIR Fuses, RETAINED ACCSRY PWR BRKR Circuit Breaker, and RETAINED ACCSRY PWR Relay
Junction Block - Underhood (Top) Bussing
Junction Block - Underhood (Top) Bussing
Figure 4:

CLSTR/BCM, DR LK, LEFT IP, LT HTD ST/BCM, and PWR MIR Fuses, RETAINED ACCSRY PWR BRKR Circuit Breaker, and RETAINED ACCSRY PWR RELAY


Object Number: 1551694  Size: FS
Master Electrical Component List
B/U LP, DIC/RKE, PWR DROP and RT HTD ST Fuses, PWR SEATS BRKR Circuit Breaker
Junction Block - Underhood (Bottom) Bussing
Figure 5:

B/U LP, DIC/RKE, PWR DROP, and RT HTD ST Fuses, PWR SEATS BRKR Circuit Breaker


Object Number: 1309735  Size: FS
Master Electrical Component List
BATT RUNDOWN PROTECTION RELAY, I/P BRP, and TRK/ROOF BRP Fuses
CLSTR/BCM, DR LK, LEFT IP, LH HTD ST/BCM and PWR MIR Fuses, RETAINED ACCSRY PWR BRKR Circuit Breaker, and RETAINED ACCSRY PWR Relay
FRT PARK LP and REAR PK LP Fuses
Figure 6:

BATT RUNDOWN PROTECTION RELAY, IP BRP, and TRK/ROOF BRP Fuses


Object Number: 1194061  Size: FS
Master Electrical Component List
FRT PARK LP and REAR PK LP Fuses
B/U LP, DIC/RKE, PWR DROP and RT HTD ST Fuses, PWR SEATS BRKR Circuit Breaker
Figure 7:

FRT PARK LP and REAR PRK LP Fuses


Object Number: 792631  Size: FS
Master Electrical Component List
AUX PWR, BRK SW, C/LTR, DRL/EXT LTS, HAZ SW, RT I/P #2, SPOTLAMP-L, and SPOTLAMP-R Fuses, DRL RLY Relay
BATT RUNDOWN PROTECTION RELAY, I/P BRP, and TRK/ROOF BRP Fuses
B/U LP, DIC/RKE, PWR DROP and RT HTD ST Fuses, PWR SEATS BRKR Circuit Breaker
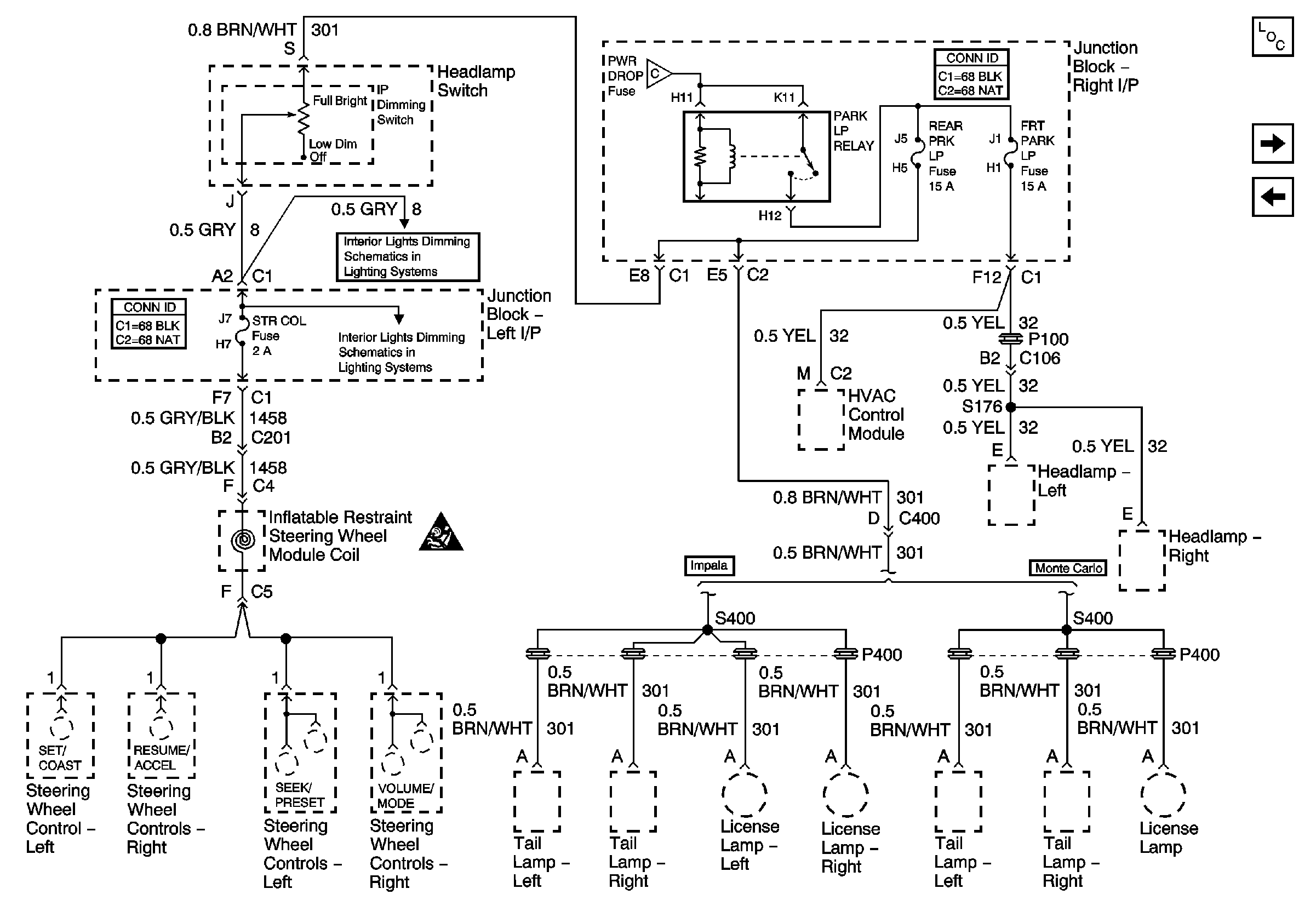
Dimming Control and Steering Wheel Controls
Dimming Control and Steering Wheel Controls
SIR Caution for Zoning
Figure 8:

AUX PWR, BRK SW, C/LTR, DRL/EXT LTS, HAZ SW, RT I/P#2, Spot Lamp - Left, and Spot Lamp - Right Fuses, DRL RLY Relay


Object Number: 1309748  Size: FS
Master Electrical Component List
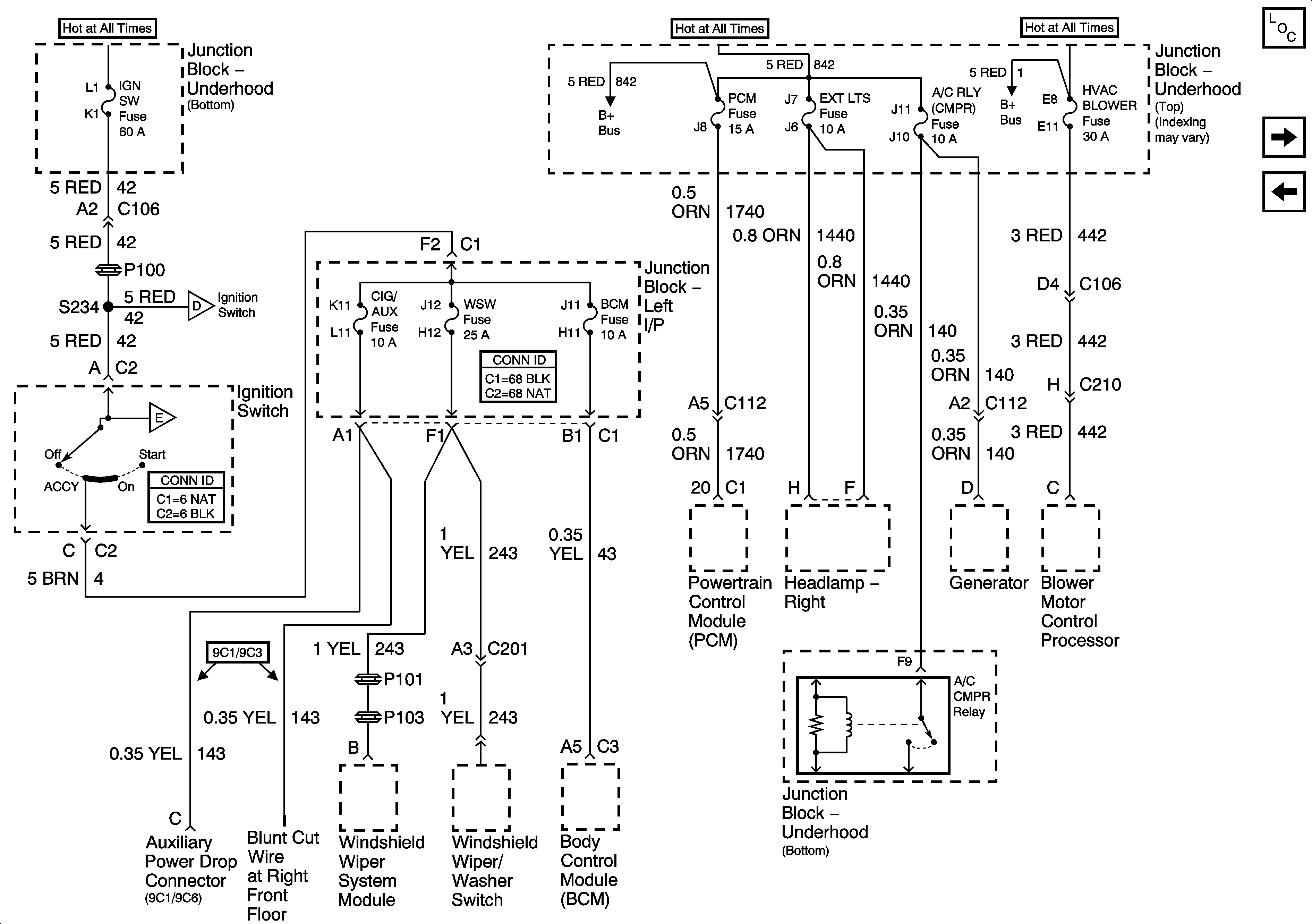
A/C RLY (CMPR), BCM, CIG/AUS, EXT LTS, IGN SW, PCM, HVAC BLOWER, and WSW Fuses
FRT PARK LP and REAR PK LP Fuses
Junction Block - Underhood (Top) Bussing
Figure 9:

A/C RLY (CMPR), BCM, CIG/AUX, EXT LTS, IGN SW, PCM, HVAC BLOWER, and WSW Fuses


Object Number: 1309784  Size: FS
Master Electrical Component List
A/C/CRUISE, CRUISE, PCM/BCM/CLSTR, and PCM (CRANK) Fuses
AUX PWR, BRK SW, C/LTR, DRL/EXT LTS, HAZ SW, RT I/P #2, SPOTLAMP-L, and SPOTLAMP-R Fuses, DRL RLY Relay
Junction Block - Underhood (Top) Bussing
Junction Block - Underhood (Top) Bussing
A/C/CRUISE, CRUISE, PCM/BCM/CLSTR, and PCM (CRANK) Fuses
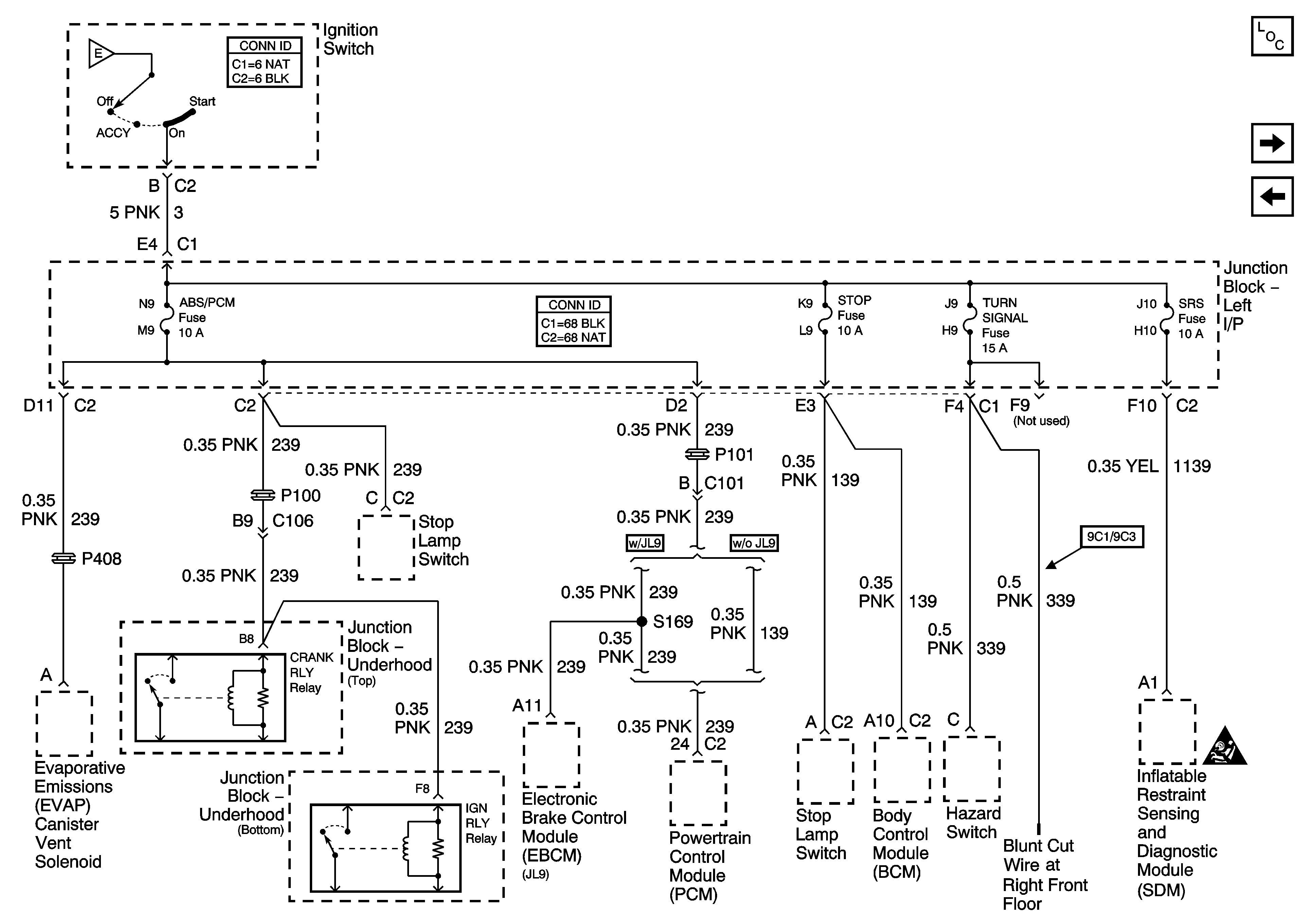
ABS/PCM, SRS, STOP, and TURN SIGNAL Fuses
Figure 10:

A/C/CRUISE, CRUISE, PCM/BCM/CLSTR, and PCM (CRANK) Fuses


Object Number: 1309785  Size: FS
Master Electrical Component List
ABS/PCM, SRS, STOP, and TURN SIGNAL Fuses
A/C RLY (CMPR), BCM, CIG/AUS, EXT LTS, IGN SW, PCM, HVAC BLOWER, and WSW Fuses
A/C RLY (CMPR), BCM, CIG/AUS, EXT LTS, IGN SW, PCM, HVAC BLOWER, and WSW Fuses
Figure 11:

ABS/PCM, SRS, STOP, and TURN SIGNAL Fuses


Object Number: 1309806  Size: FS
Master Electrical Component List
HTD MIR, RADIO, and RT IP #3 Fuses, REAR DEFOG BRKR Circuit, and REAR DEFOG Relay
A/C/CRUISE, CRUISE, PCM/BCM/CLSTR, and PCM (CRANK) Fuses
A/C RLY (CMPR), BCM, CIG/AUS, EXT LTS, IGN SW, PCM, HVAC BLOWER, and WSW Fuses
SIR Caution for Zoning
Figure 12:

HTD MIR, RADIO, and RT IP#3 Fuses, REAR DEFOG BRKR Circuit Breaker, and REAR DEFOG RELAY


Object Number: 1309807  Size: FS
Master Electrical Component List
FUEL INJ and TRANS SOL Fuses
ABS/PCM, SRS, STOP, and TURN SIGNAL Fuses
Figure 13:

FUEL INJ and TRANS SOL Fuses


Object Number: 796994  Size: FS
Master Electrical Component List
DFI MDL, ENG DEVICES, and OXY SEN Fuses
HTD MIR, RADIO, and RT IP #3 Fuses, REAR DEFOG BRKR Circuit, and REAR DEFOG Relay
Junction Block - Underhood (Bottom) Bussing
Figure 14:

DFI MDL, ENG DEVICES, and OXY SEN Fuses


Object Number: 1309818  Size: FS
Master Electrical Component List
FUEL INJ and TRANS SOL Fuses
Junction Block - Underhood (Bottom) Bussing