GM Service Manual Online
For 1990-2009 cars only

Tools Required

    • J 39232 Wiper Transmission Separator
    • J 39529 Wiper Transmission Installer

Removal Procedure

  1. Remove the air inlet grille panel. Refer to Air Inlet Grille Panel Replacement in Body Front End.
  2. Remove the wiper motor water deflector. Refer to Windshield Wiper and Windshield Washer Control Module Water Deflector Replacement .

  3. Object Number: 306506  Size: SH
  4. Using the J 39232 , disconnect the wiper transmission from the wiper motor crank arm to aid in the removal of the wiper drive system module.

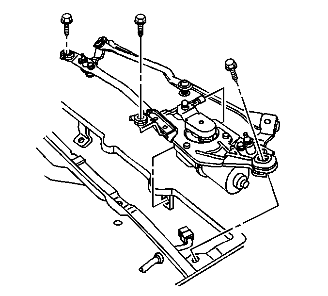
  5. Object Number: 815220  Size: SH
  6. Remove the wiper drive system module screws.
  7. Disconnect the wiper motor electrical connector.
  8. Remove the wiper drive system module from the vehicle.

Installation Procedure


    Object Number: 815220  Size: SH
  1. Position the wiper drive system module to the vehicle.
  2. Connect the wiper motor electrical connector.
  3. Notice: Use the correct fastener in the correct location. Replacement fasteners must be the correct part number for that application. Fasteners requiring replacement or fasteners requiring the use of thread locking compound or sealant are identified in the service procedure. Do not use paints, lubricants, or corrosion inhibitors on fasteners or fastener joint surfaces unless specified. These coatings affect fastener torque and joint clamping force and may damage the fastener. Use the correct tightening sequence and specifications when installing fasteners in order to avoid damage to parts and systems.

  4. Install the wiper drive system screws.
  5. Tighten
    Tighten the screws to 10 N·m (89 lb in).

  6. Using the J 39529 , Install the wiper transmission to the wiper motor crank arm.
  7. Install the wiper motor water deflector. Refer to Windshield Wiper and Windshield Washer Control Module Water Deflector Replacement .
  8. Install the air inlet grille panel. Refer to Air Inlet Grille Panel Replacement in Body Front End.
  9. Inspect the wipers for proper operation.