GM Service Manual Online
For 1990-2009 cars only

Removal Procedure

    Caution: Refer to Battery Disconnect Caution in the Preface section.

  1. Disconnect the battery negative cable. Refer to Battery Negative Cable Disconnection and Connection in Engine Electrical.
  2. Remove the I/P lower trim panel. Refer to Instrument Panel Lower Trim Panel Replacement in Instrument Panel, Gages, and Console.
  3. Remove the bolts from the left side fuse block to cross vehicle beam.
  4. Disconnect the left side fuse block wire harness from the cross vehicle beam.
  5. Position the left side fuse block aside.
  6. Disconnect the wire harness connectors from the body control module.
  7. Disconnect the body control module from the cross vehicle beam.
  8. Remove the body control module from the vehicle.
  9. Remove the bolts from the right side fuse block to cross vehicle beam.
  10. Disconnect the right side fuse block wire harness from the cross vehicle beam.
  11. Position the right side fuse block aside.

  12. Object Number: 812951  Size: SH
  13. Remove the retaining screw (1) from the panel air duct.
  14. Remove the bolts from the panel air duct.
  15. Remove the panel air duct from the cross vehicle beam.

  16. Object Number: 507699  Size: SH
  17. Remove the retaining bolts from the right air duct.
  18. Remove the right air duct from the cross vehicle beam.
  19. Disconnect any ground wires, as necessary.
  20. Remove the brake pedal. Refer to Brake Pedal Assembly Replacement in Hydraulic Brakes.
  21. Remove the 3 bolts from the brake pedal bracket to cross vehicle beam.
  22. Disconnect the electrical connector from the HVAC module assembly to main wire harness connector.
  23. Release the wiring harness retaining clips from the cross vehicle beam and position the wiring harness aside.

  24. Object Number: 1197447  Size: SH
  25. Remove the bolts from the HVAC module assembly upper support.

  26. Object Number: 1273425  Size: SH
  27. Remove the bolts (1) from the HVAC module assembly lower support.
  28. Remove the bolt (2) from the HVAC module assembly lower support.

  29. Object Number: 812572  Size: SH
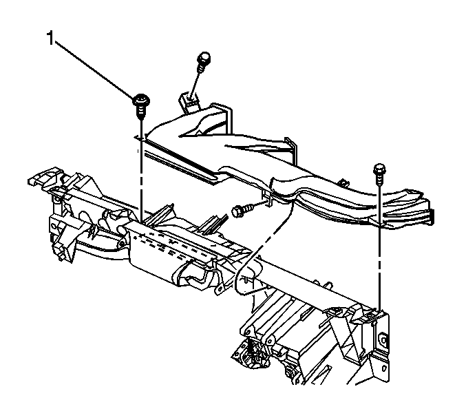
  30. Remove the bolts from the right and left side of the cross vehicle beam.

  31. Object Number: 558194  Size: SH
  32. Remove the cross vehicle beam.

  33. Object Number: 1194938  Size: SH
  34. Remove the two rearward retaining screws (1) from the recirculation housing.

  35. Object Number: 1194936  Size: SH
  36. Remove the retaining screws from the mode valve assembly.
  37. Remove the heat stakes from the mode valve assembly using a small chisel.
  38. Remove the screws from the mode actuator.
  39. Remove the mode actuator.
  40. Important: The right front edge of the mode valve assembly is under the recirculation housing.

  41. Slowly lift the rearward side of the mode valve assembly up and to the left to remove the mode valve assembly.

Installation Procedure

  1. From the inside of the mode valve assembly, drill the dimples adjacent to the heat stakes using a 5.5 mm (7/32 in) drill bit.
  2. Important: Install the right front edge of the mode valve assembly under the recirculation housing.

  3. Install the mode valve assembly to the HVAC module assembly.

  4. Object Number: 1194938  Size: SH
  5. Install the two rearward retaining screws (1) to the recirculation housing.

  6. Object Number: 1194936  Size: SH
  7. Install new screws in the locations adjacent to the heat stakes that were removerd from the mode valve assembly.
  8. Install the screws that were removed from the mode valve assembly to there original position.
  9. Notice: Use the correct fastener in the correct location. Replacement fasteners must be the correct part number for that application. Fasteners requiring replacement or fasteners requiring the use of thread locking compound or sealant are identified in the service procedure. Do not use paints, lubricants, or corrosion inhibitors on fasteners or fastener joint surfaces unless specified. These coatings affect fastener torque and joint clamping force and may damage the fastener. Use the correct tightening sequence and specifications when installing fasteners in order to avoid damage to parts and systems.

  10. Tighten the recirculation housing, mode valve assembly and heat stake screws.
  11. Tighten
    Tighten all screws to 1.5 N·m (13 lb in).

  12. Install the mode actuator.
  13. Install the screws to the mode actuator.
  14. Tighten
    Tighten the screws to 1.5 N·m (13 lb in).


    Object Number: 558194  Size: SH
  15. Install the cross vehicle beam to the vehicle.

  16. Object Number: 812572  Size: SH
  17. Install the bolts to the right and left side of the cross vehicle beam.
  18. Tighten the bolts to the right and left side of the cross vehicle beam in sequence.
  19. Tighten
    Tighten the bolts to 25 N·m (18 lb ft).


    Object Number: 1197447  Size: SH
  20. Install the bolts to the HVAC module assembly upper support.
  21. Tighten
    Tighten the bolts to 4 N·m (35 lb in).


    Object Number: 1273425  Size: SH
  22. Install the bolt (1) to the HVAC module assembly lower support.
  23. Tighten
    Tighten the bolt to 4 N·m (35 lb in).

  24. Install the bolt (2) to the HVAC module assembly lower support.
  25. Tighten
    Tighten the bolt to 4 N·m (35 lb in).

  26. Reposition the I/P wiring harness to the cross vehicle beam and secure the retaining clips.
  27. Install the 3 bolts through the brake pedal bracket to the cross vehicle beam.
  28. Tighten
    Tighten the bolts to 50 N·m (37 lb ft).

  29. Install the brake pedal. Refer to Brake Pedal Assembly Replacement in Hydraulic Brakes.
  30. Connect all disconnected ground wires.
  31. Connect the electrical connector from the HVAC module assembly to main wire harness connector.
  32. Install the body control module to the cross vehicle beam.
  33. Connect the wire harness connectors to the body control module.
  34. Install the left side fuse block to the cross vehicle beam.
  35. Install the bolts to the left side fuse block.
  36. Tighten
    Tighten the bolts to 10 N·m (89 in lb).

  37. Install the right side fuse block to the cross vehicle beam.
  38. Install the bolt to the right side fuse block.
  39. Tighten
    Tighten the bolt to 10 N·m (89 in lb).


    Object Number: 507699  Size: SH
  40. Install the right air duct to the cross vehicle beam.
  41. Install the right air duct bolts.
  42. Tighten
    Tighten the bolts to 10 N·m (89 lb in).


    Object Number: 812951  Size: SH
  43. Install the panel air duct to the cross vehicle beam.
  44. Install the panel air duct screw (1).
  45. Tighten
    Tighten the bolts to 1.8 N·m (16 lb in).

  46. Install the panel air duct bolts.
  47. Tighten
    Tighten the bolts to 10 N·m (89 lb in).

  48. Install the I/P lower trim panel. Refer to Instrument Panel Lower Trim Panel Replacement in Instrument Panel, Gages, and Console.
  49. Important: Do not adjust any controls on the HVAC control module while the HVAC control module is calibrating. If interrupted improper HVAC performance will result.

  50. Connect the battery negative cable. Refer to Battery Negative Cable Disconnection and Connection in Engine Electrical.