GM Service Manual Online
For 1990-2009 cars only
Makes
🢒
Chevrolet
🢒
2005
🢒
Impala
🢒 Stop Lamps and Torque Signals
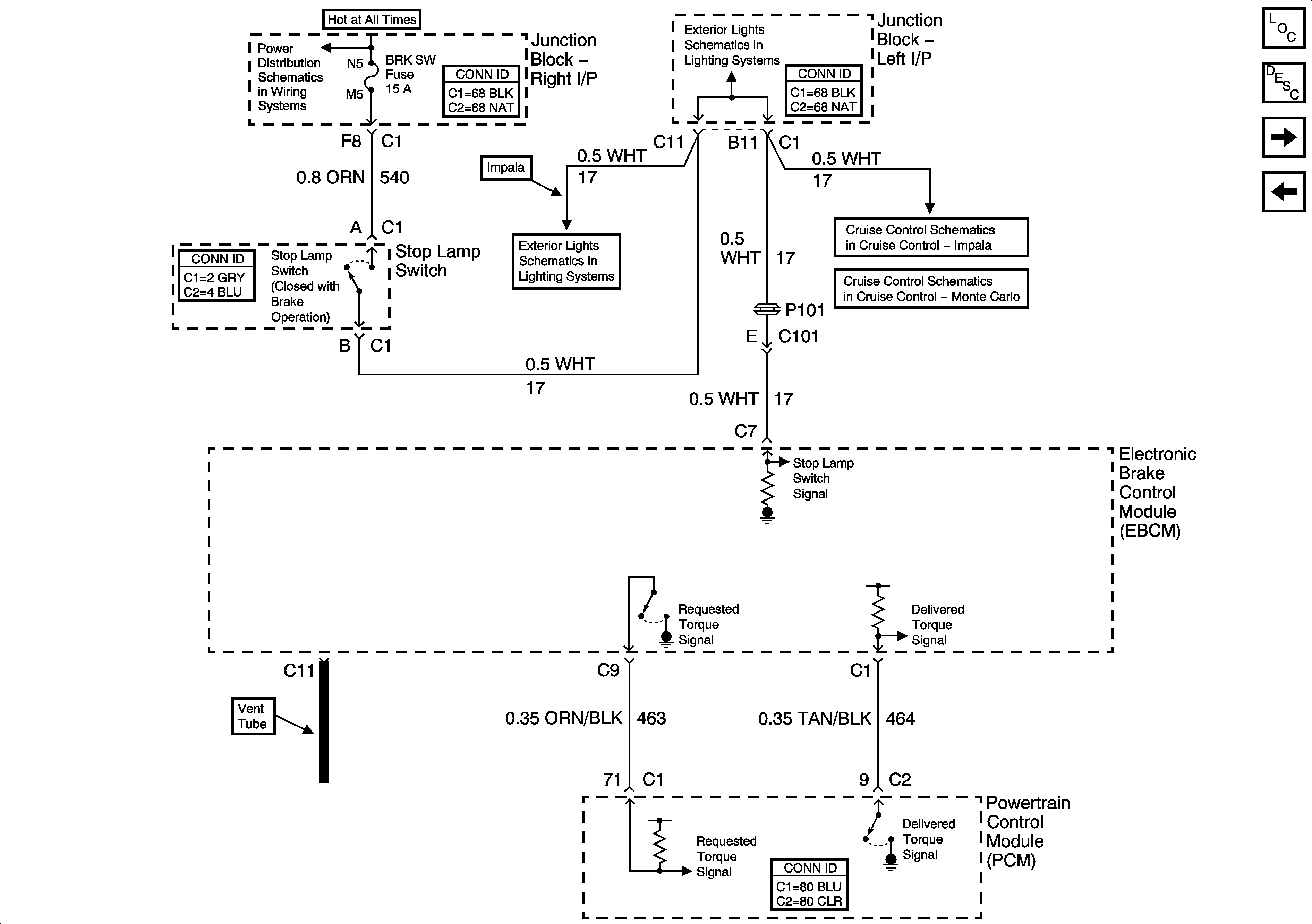
Stop Lamps and Torque Signals
Stop Lamps and Torque Signals
Master Electrical Component List
ABS Description and Operation
Traction Control Switch
Wheel Speed Sensors
AUX PWR, BRK SW, C/LTR, DRL/EXT LTS, HAZ SW, RT I/P #2, SPOTLAMP-L, and SPOTLAMP-R Fuses, DRL RLY Relay
Stop Lamps Control and CHMSL (Impala)
Stop Lamps Control and CHMSL (Impala)
Impala
Monte Carlo