GM Service Manual Online
For 1990-2009 cars only
Makes
🢒
Chevrolet
🢒
2005
🢒
Impala
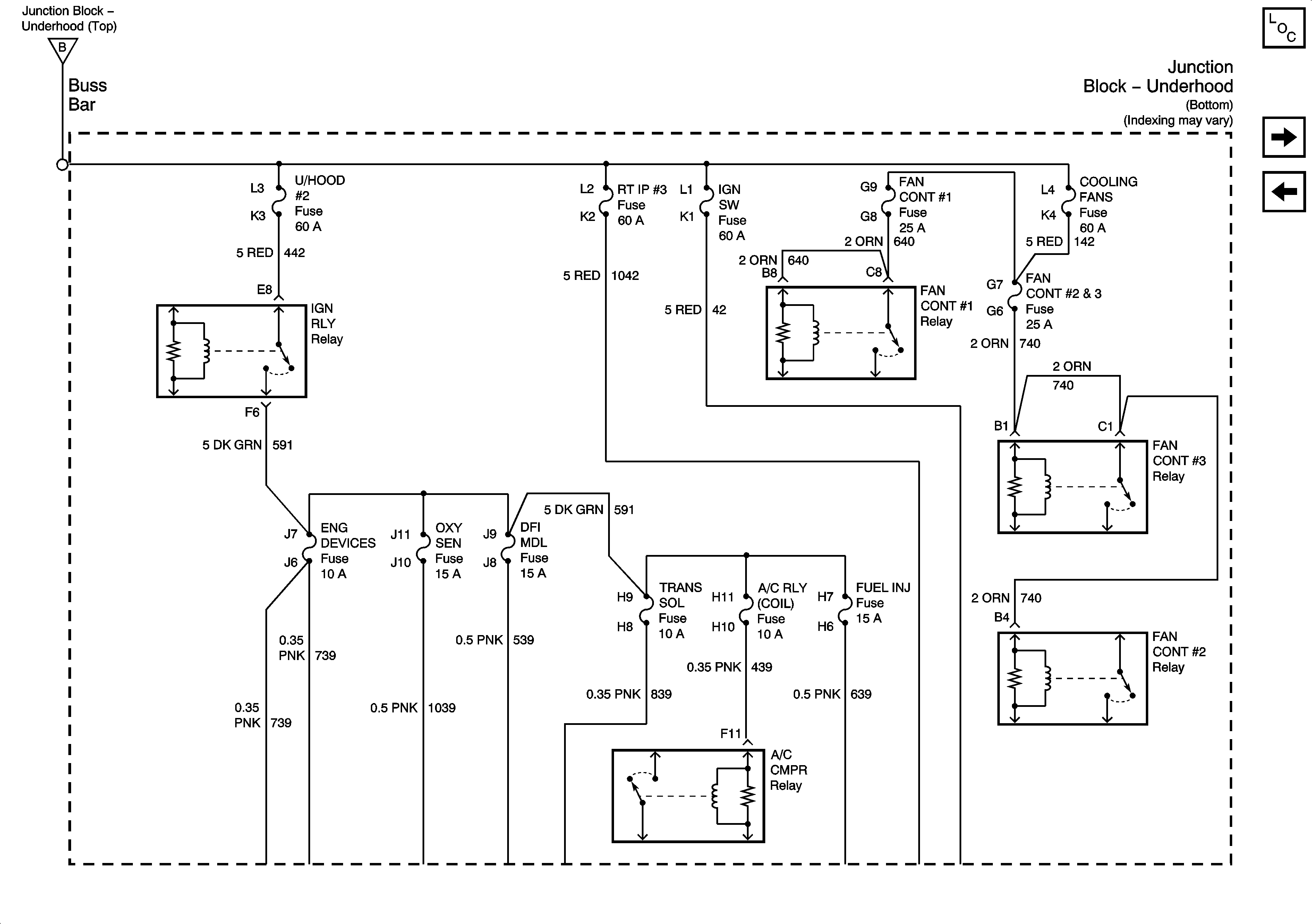
🢒 Junction Block-Underhood [Bottom View]
Junction Block-Underhood [Bottom View]
Junction Block-Underhood (Bottom) Bussing
Master Electrical Component List
CLSTR/BCM, DK LK, LEFT IP, LT HTD ST/BCM, and PWR MIR
Junction Block-Underhood [Top View]
Junction Block-Underhood [Top View]