GM Service Manual Online
For 1990-2009 cars only
Makes
🢒
Chevrolet
🢒
2005
🢒
Impala
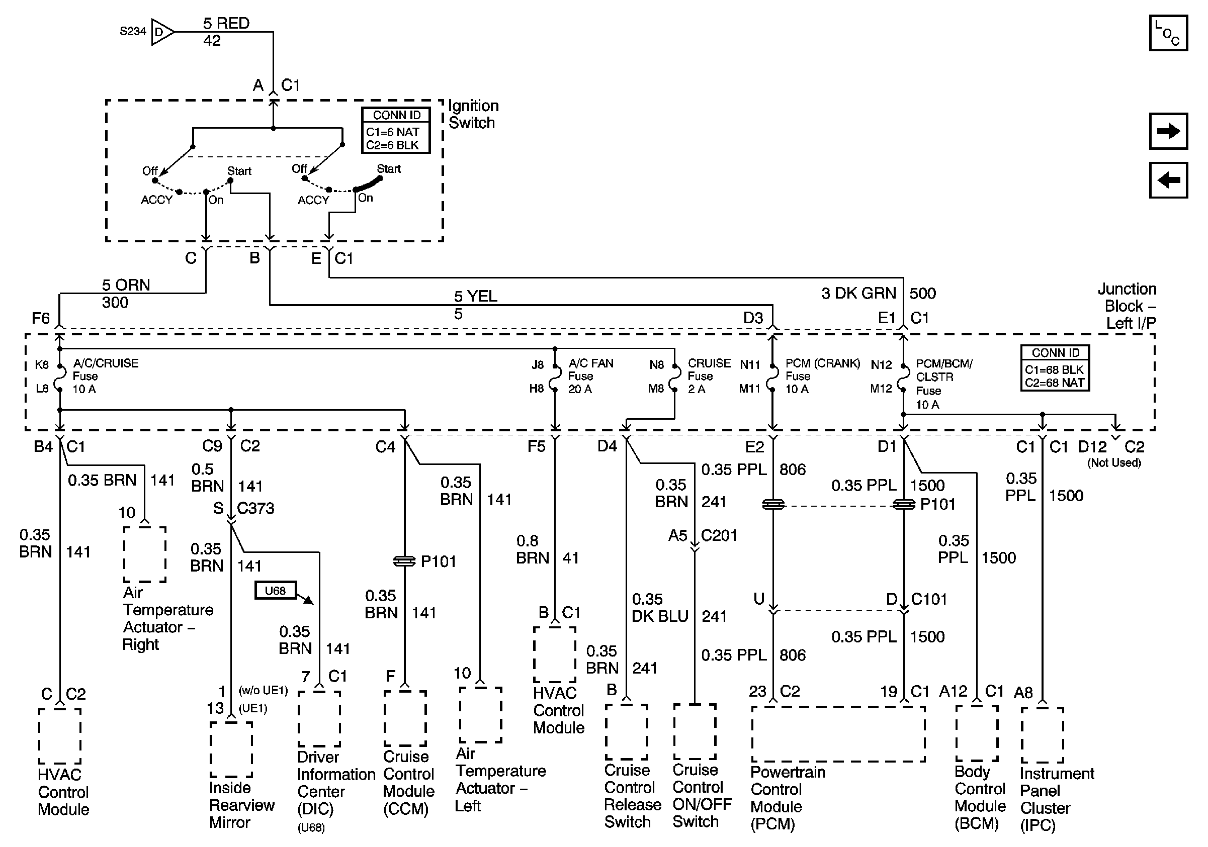
🢒 A/C Cruise, A/C Fan, CRUISE, PCM/BCM CLSTR, and PCM Fuses
A/C Cruise, A/C Fan, CRUISE, PCM/BCM CLSTR, and PCM Fuses
A/C/CRUISE, A/C FAN, CRUISE, PCM/BCM/CLSTR, and PCM (CRANK) Fuses
Master Electrical Component List
ABS/PCM, SRS, STOP, and TURN SIGNAL Fuses
A/C RLY (CMPR), A.I.R PMP RLY, BCM, CIG/AUX, EXT LTS, IGN
A/C RLY (CMPR), A.I.R PMP RLY, BCM, CIG/AUX, EXT LTS, IGN