GM Service Manual Online
For 1990-2009 cars only
Makes
🢒
Chevrolet
🢒
2005
🢒
Impala
🢒 Stop Lamps Control, and CHMSL [Impala]
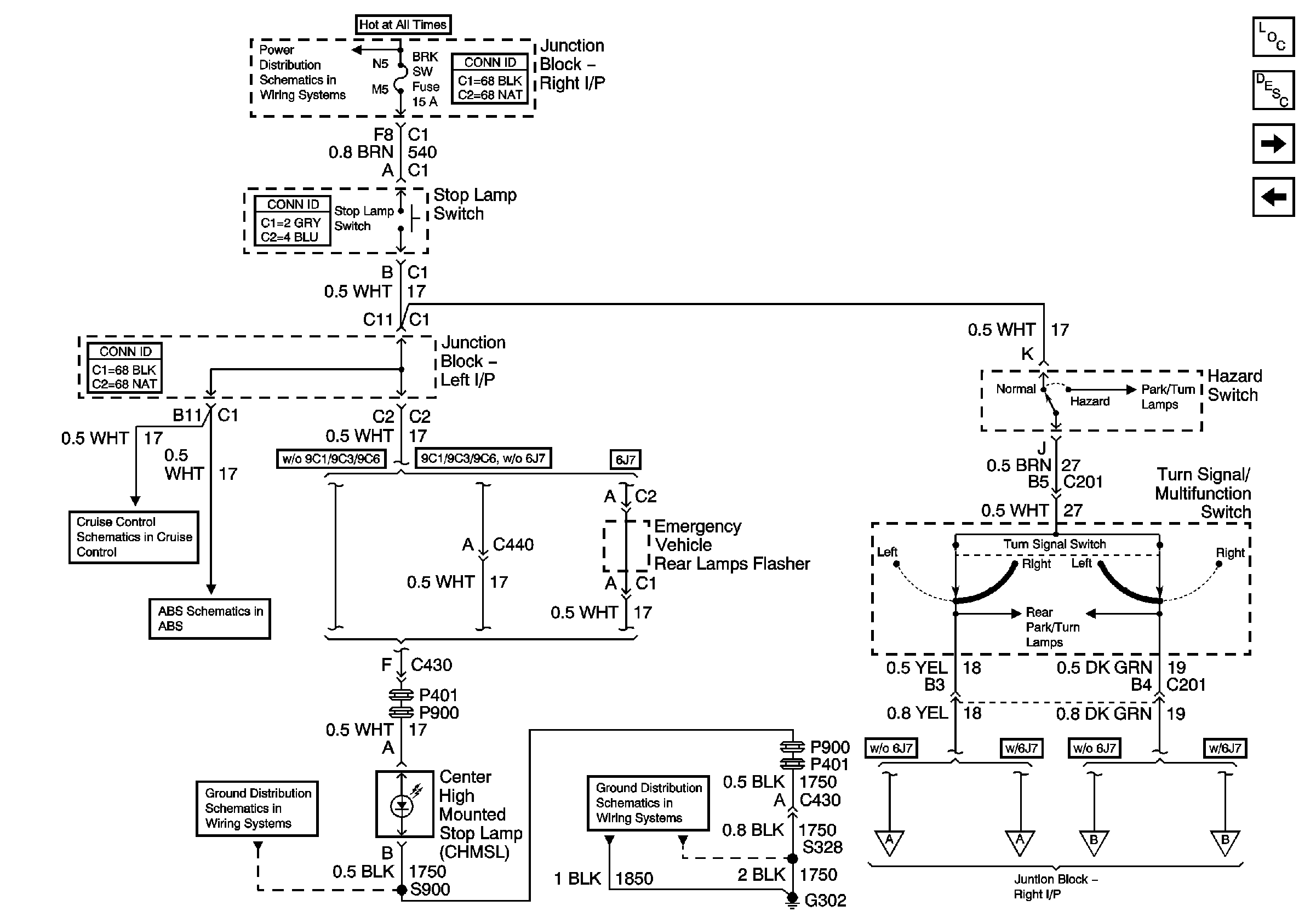
Stop Lamps Control, and CHMSL [Impala]
Stop Lamps Control and CHMSL (Impala)
Master Electrical Component List
Exterior Lighting Systems Description and Operation
Turn/Hazard Lamps Control [Impala]
Park Lamps [Impala]
AUX PWR, BRK SW, C/LTR, DRL/EXT LTS, HAZ SW, HVAC BLO
Cruise Control - Impala
PCM, and Stop Lamps Switch
G302 [2 of 2], and G 309
G203 [1 of 2]
Rear Turn/Stop/Hazard Lamps [Impala w/o6J7]
Rear Turn/Stop/Hazard Lamps [Impala w/6J7]
Rear Turn/Stop/Hazard Lamps [Impala w/o6J7]
Rear Turn/Stop/Hazard Lamps [Impala w/6J7]