GM Service Manual Online
For 1990-2009 cars only

Object Number: 1647893  Size: B3
  1. 6B7 Hole Location

  2. 6J5 Hole Location

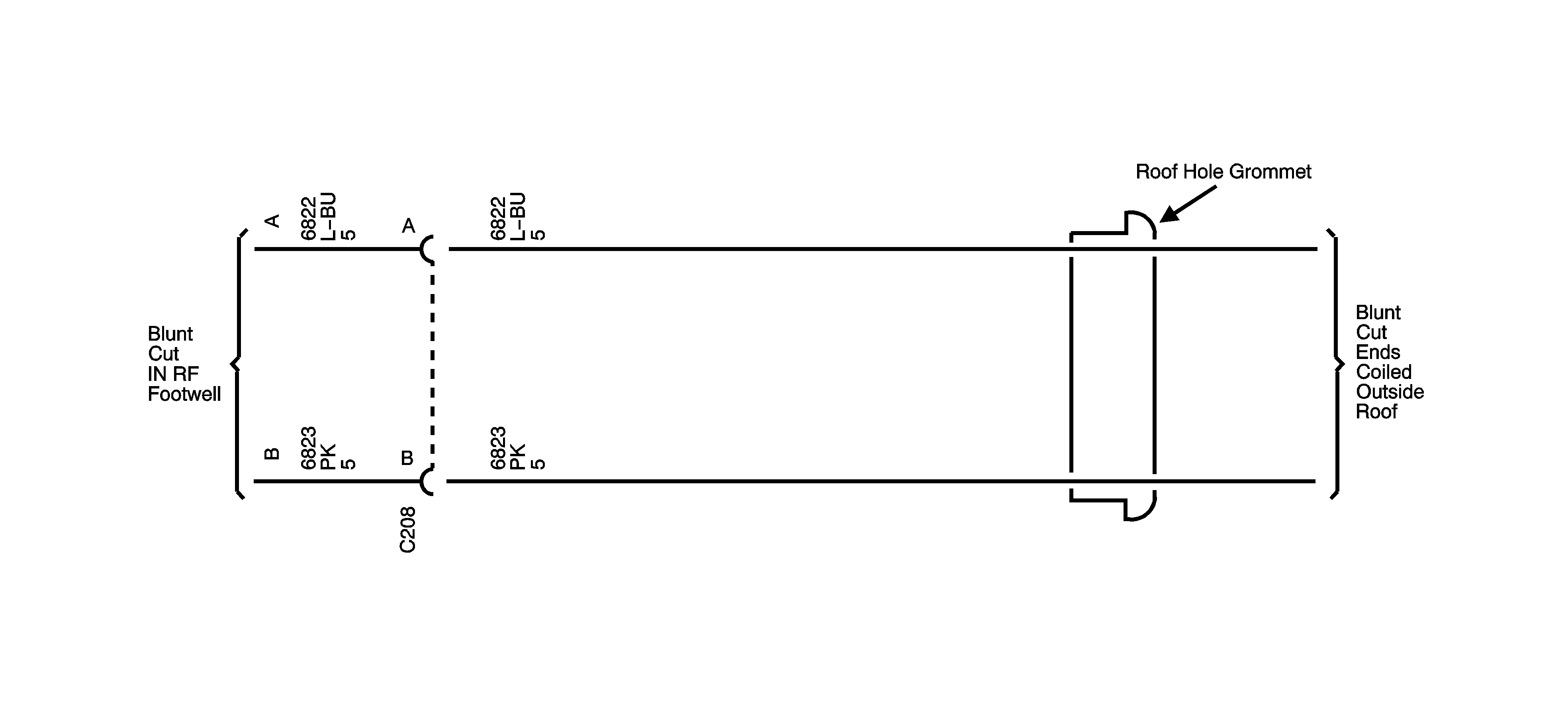
Wiring Diagram for SEO 6F5


Object Number: 1657029  Size: C1

Option 6F5 is a universal wiring harness for roof-mounted equipment. The harness is routed from a 5 foot (1.5 m) coil of wire in the passenger's side footwell to a connector on the passenger's side of the trunk.

When the SEO 6B7 (center hole) is ordered, two color coded 10 gauge (5.0 mm²) wires extend 24 inches (60 cm) through a grommet approximately 30 inches (74 cm) behind the top of the windshield at the center of the roof.

When SEO 6J5 (passenger's side hole) is ordered, two color-coded 10-gauge (5.0 mm²) wires extend 24 inches (60 cm) through a grommet approximately 30 inches (74 cm) behind the top of the windshield and 6 inches (15 cm) inboard from the passenger's side longitudinal roof joint.