GM Service Manual Online
For 1990-2009 cars only
Makes
🢒
Chevrolet
🢒
2008
🢒
Impala
🢒
Diagnostic Navigation
🢒
Vehicle Diagnostic Information
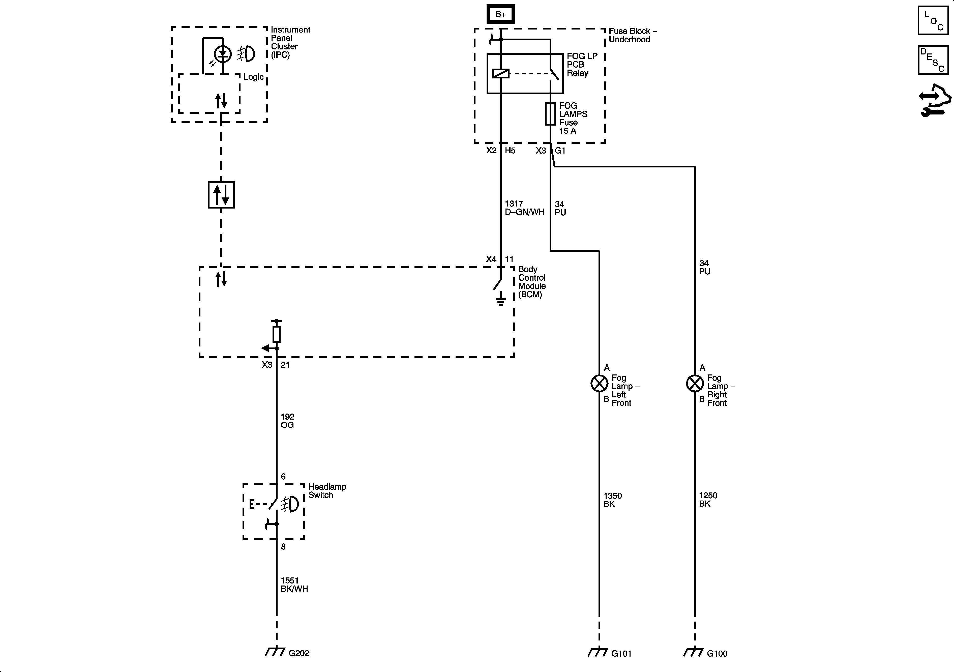
🢒 Fog Lights Schematics
Master Electrical Component List
Exterior Lighting Systems Description and Operation
Control Module References
Fuse Block - Underhood Bussing
BATT 3, HTD MIR, FOG LAMPS, WSW, LT PARK, and RT PARK Fuses
Power, Ground, and Low Speed GMLAN Serial Data
G202, and G204
G202, and G204
G101, G102, and G111
G100