GM Service Manual Online
For 1990-2009 cars only
Makes
🢒
Chevrolet
🢒
2008
🢒
Impala
🢒
Transmission/Transaxle
🢒
Shift Lock Control
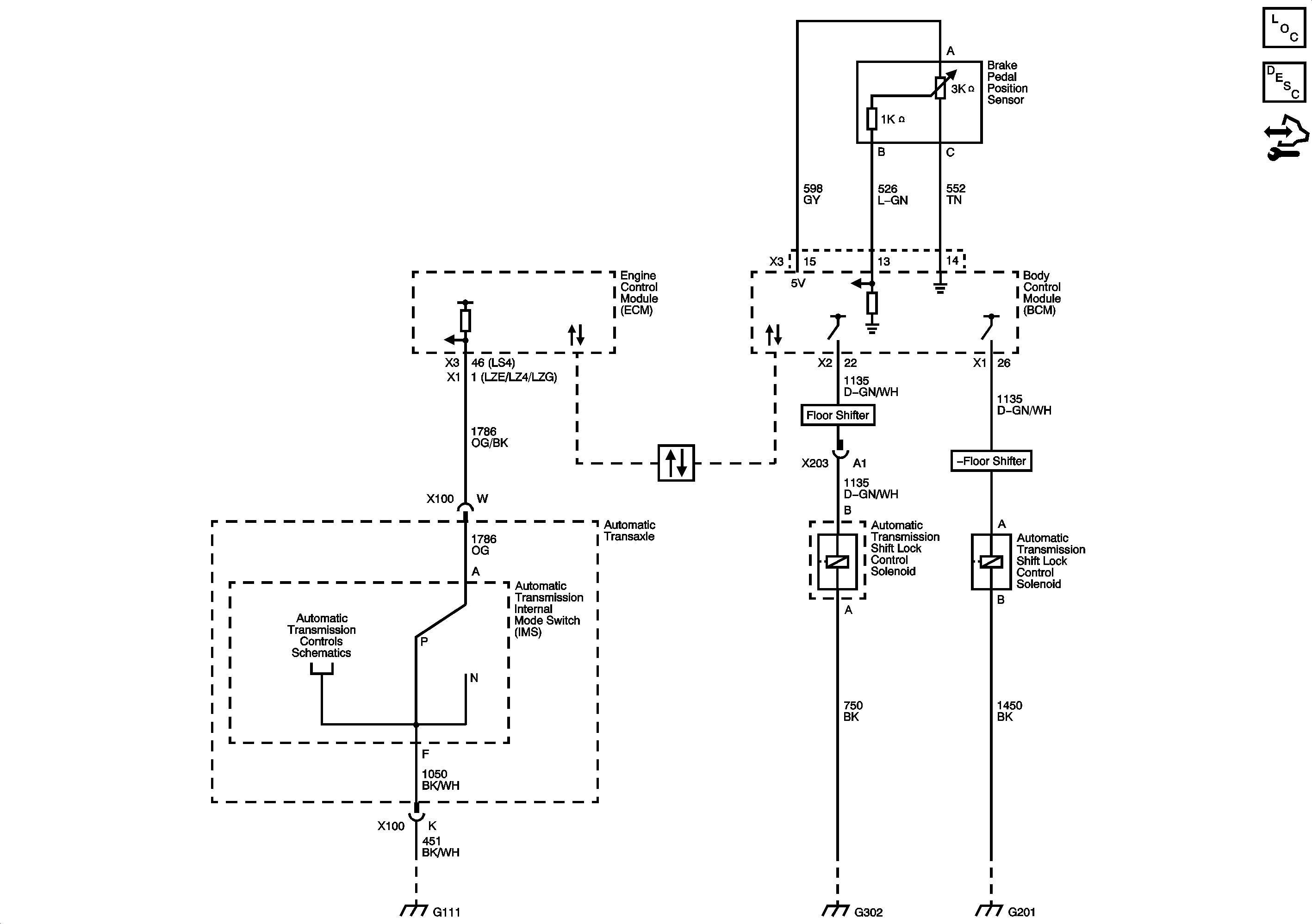
🢒 Shift Lock Control Schematics
Master Electrical Component List
Automatic Transmission Shift Lock Control Description and Operation (Floor Shift)
Control Module References
High Speed GMLAN Serial Data
PRNDL, and IMS Switch
G101, G102, and G111
G302
G201