GM Service Manual Online
For 1990-2009 cars only
Makes
🢒
Chevrolet
🢒
2008
🢒
Impala
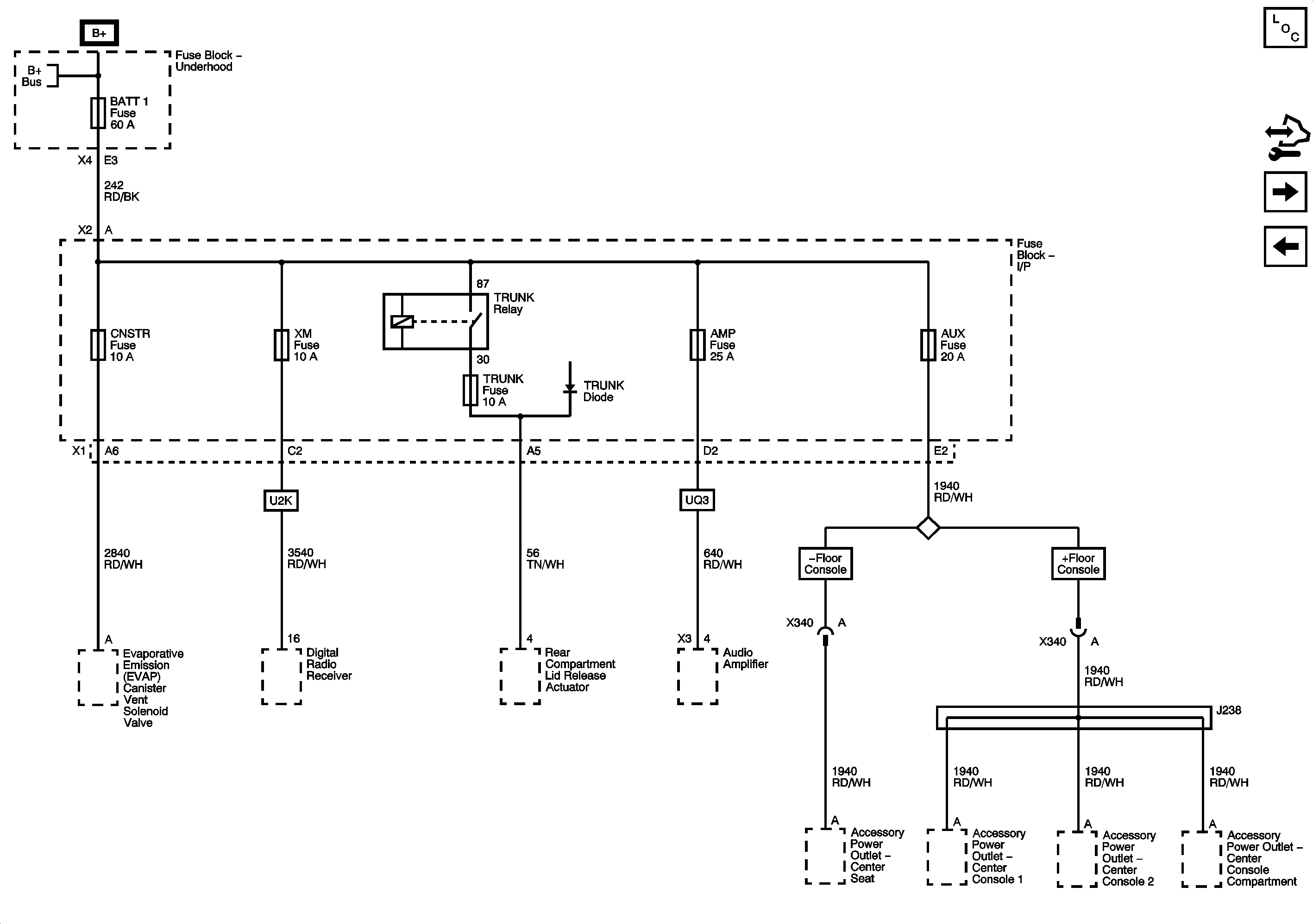
🢒 BATT 1, CNSTR, XM, TRUNK, AMP, AUX Fuses, and TRUNK Relay
BATT 1, CNSTR, XM, TRUNK, AMP, AUX Fuses, and TRUNK Relay
BATT 1, CNSTR, XM, TRUNK, AMP, AUX Fuses, and TRUNK Relay
Master Electrical Component List
Control Module References
BATT 2, HTD/SEAT, AIRBAG, PWR/MIR Fuses, and PWR/SEAT Circuit Breaker
Ignition Switch
Fuse Block - Underhood Bussing