GM Service Manual Online
For 1990-2009 cars only

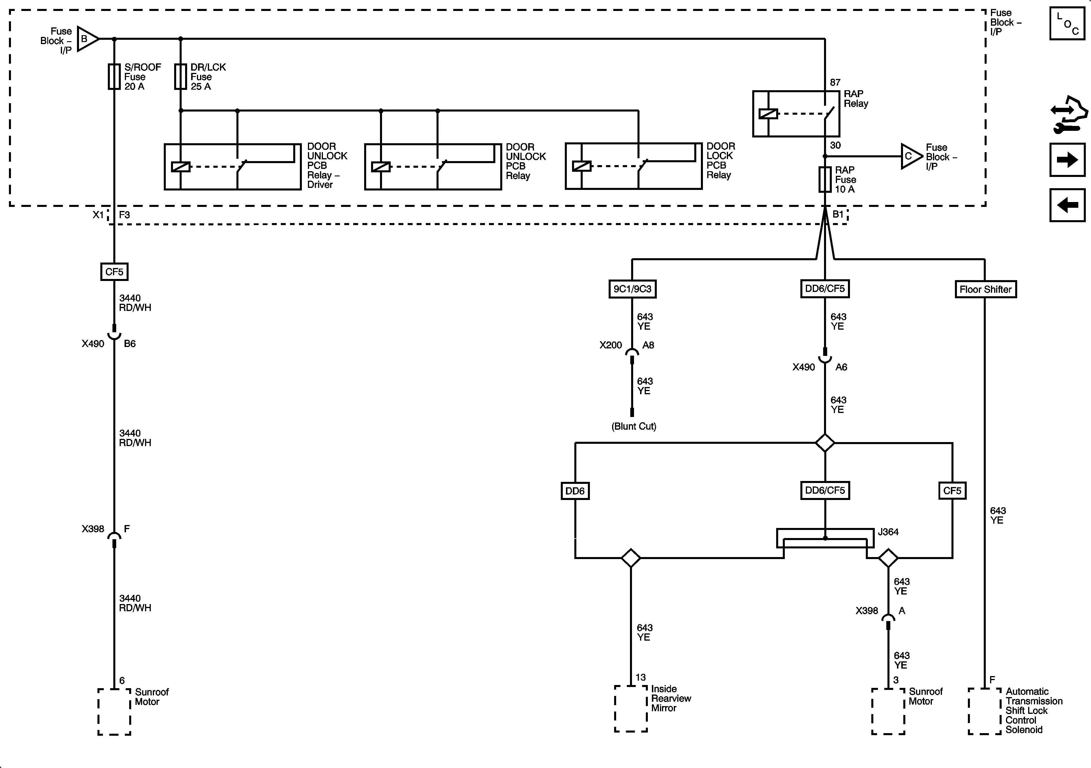
S/ROOF, DR/LCK, RAP Fuses, and RAP Relay, DOOR UNLOCk PCB Relay - Driver, DOOR UNLOCK PCB Relay, and DOOR LOCK PCB Relay

S/ROOF, DR/LCK, RAP Fuses, and RAP Relay, DOOR UNLOCK PCB Relay - Driver, DOOR UNLOCK PCB Relay, and DOOR LOCK PCB Relay


Object Number: 1888177  Size: FS
Master Electrical Component List
Control Module References
BATT 4, ABS MTR1, ABS MTR2, AIR PUMP, AIR SOL, AUX PWR, Radio Fuses, and PWR/WNDW Circuit Breaker
BATT 2, HTD/SEAT, AIRBAG, PWR/MIR Fuses, and PWR/SEAT Circuit Breaker
BATT 2, HTD/SEAT, AIRBAG, PWR/MIR Fuses, and PWR/SEAT Circuit Breaker
BATT 4, ABS MTR1, ABS MTR2, AIR PUMP, AIR SOL, AUX PWR, Radio Fuses, and PWR/WNDW Circuit Breaker