GM Service Manual Online
For 1990-2009 cars only
Makes
🢒
Chevrolet
🢒
2008
🢒
Impala
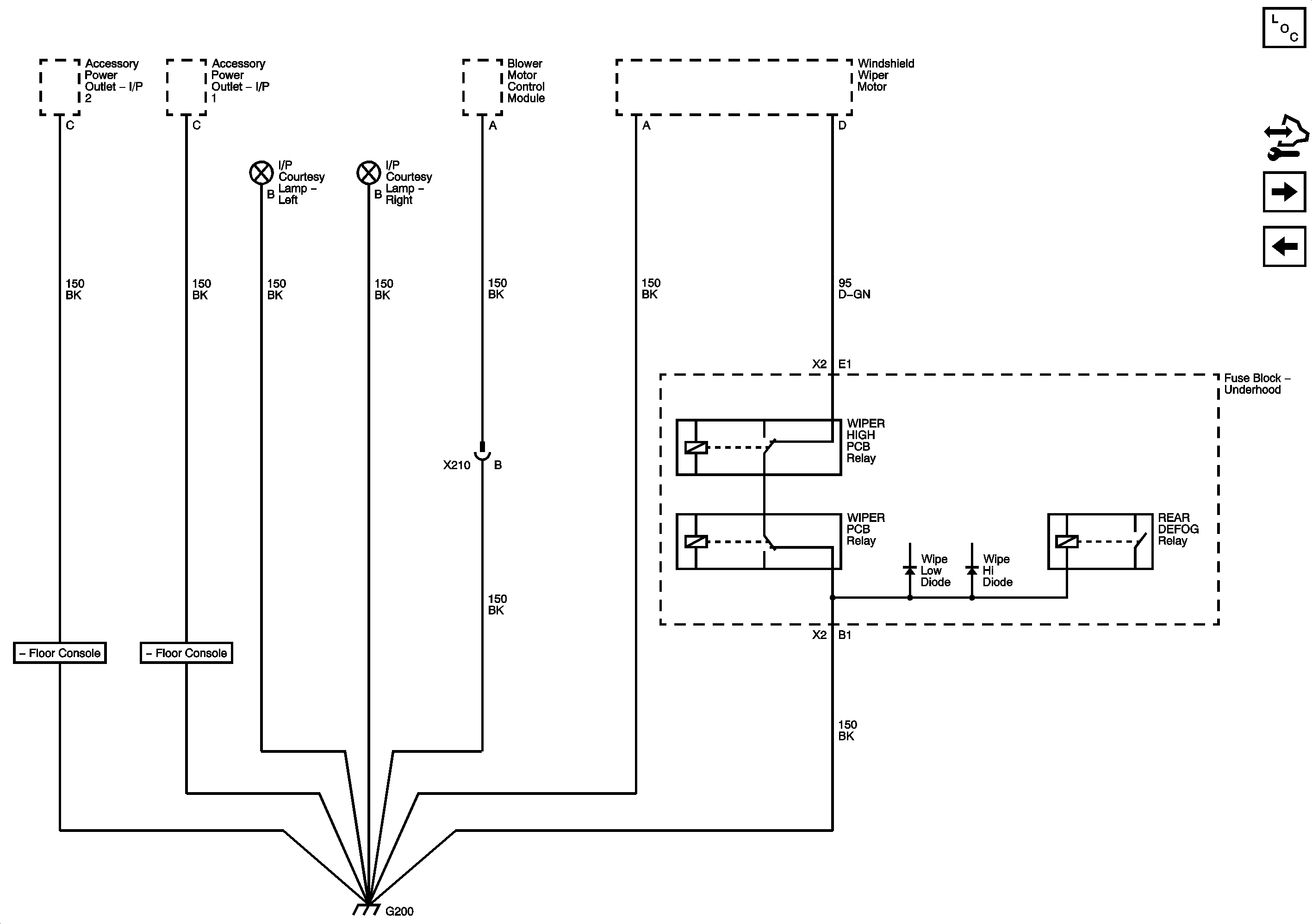
🢒 G200
G200
G200
Master Electrical Component List
Control Module References
G201
G113, and G115