GM Service Manual Online
For 1990-2009 cars only
Makes
🢒
Chevrolet
🢒
2008
🢒
Impala
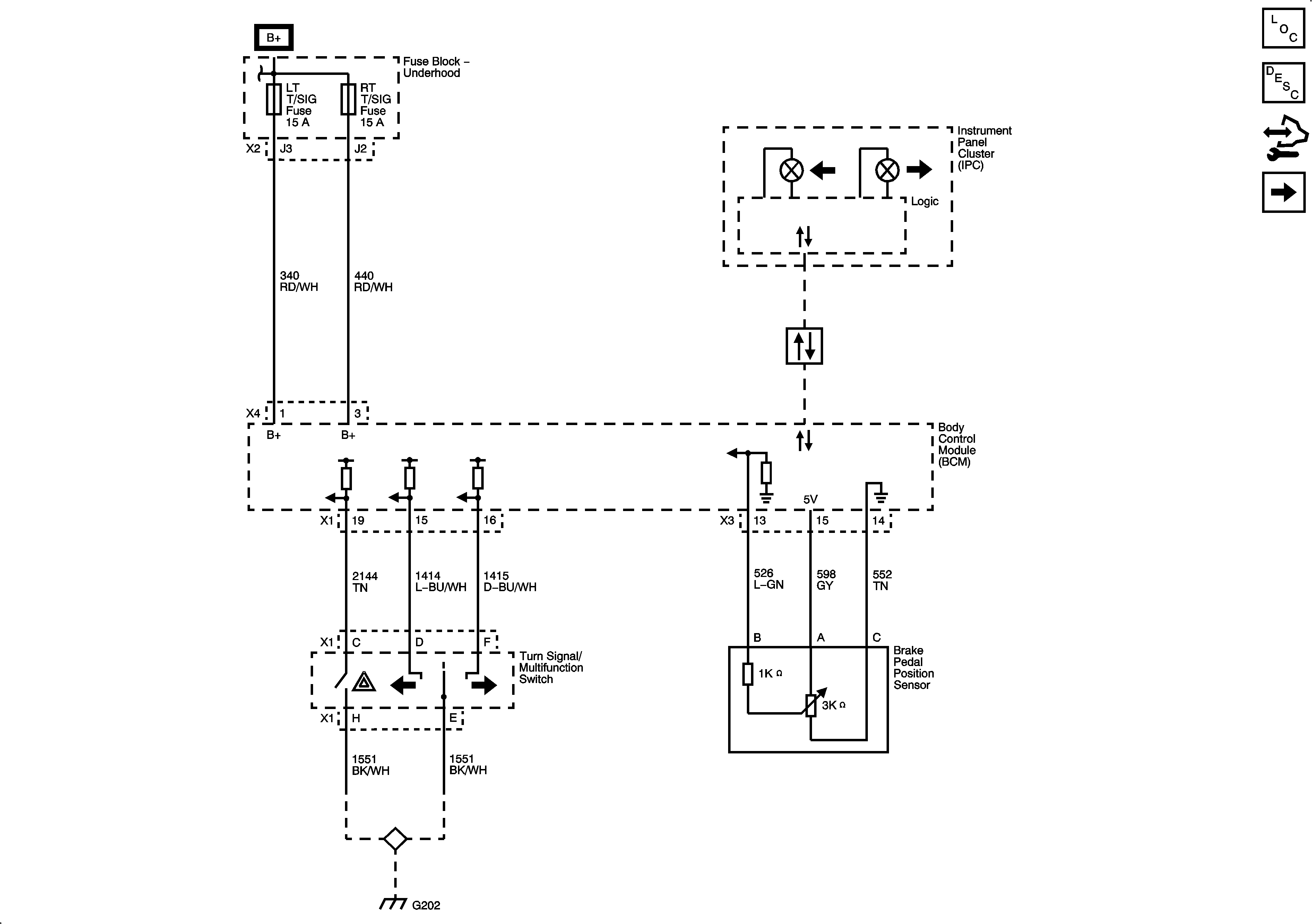
🢒 Turn Signal, Hazard, and Stop Lamps Inputs
Turn Signal, Hazard, and Stop Lamps Inputs
Turn Signal, Hazard, and Stop Lamps Inputs
Master Electrical Component List
Exterior Lighting Systems Description and Operation
Control Module References
Turn Signal, Hazard, and Stop Lamps Outputs
Fuse Block - Underhood Bussing
ONSTAR, INT LTS/PNL DIM, LT T/SIG, RT T/SIG, CHMSL/BCK-UP, INT LIGHTS, RVC SEN, and ECM/TCM Fuses
Power, Ground, and Low Speed GMLAN Serial Data
G202, and G204