GM Service Manual Online
For 1990-2009 cars only
Makes
🢒
Chevrolet
🢒
2008
🢒
Impala
🢒 Theft Deterrent System Schematics
Theft Deterrent System Schematics
Master Electrical Component List
Content Theft Deterrent (CTD) Description and Operation
Control Module References
Door Lock Switches
Horn Schematics
Headlamps
Park Lamps (1 of 2)
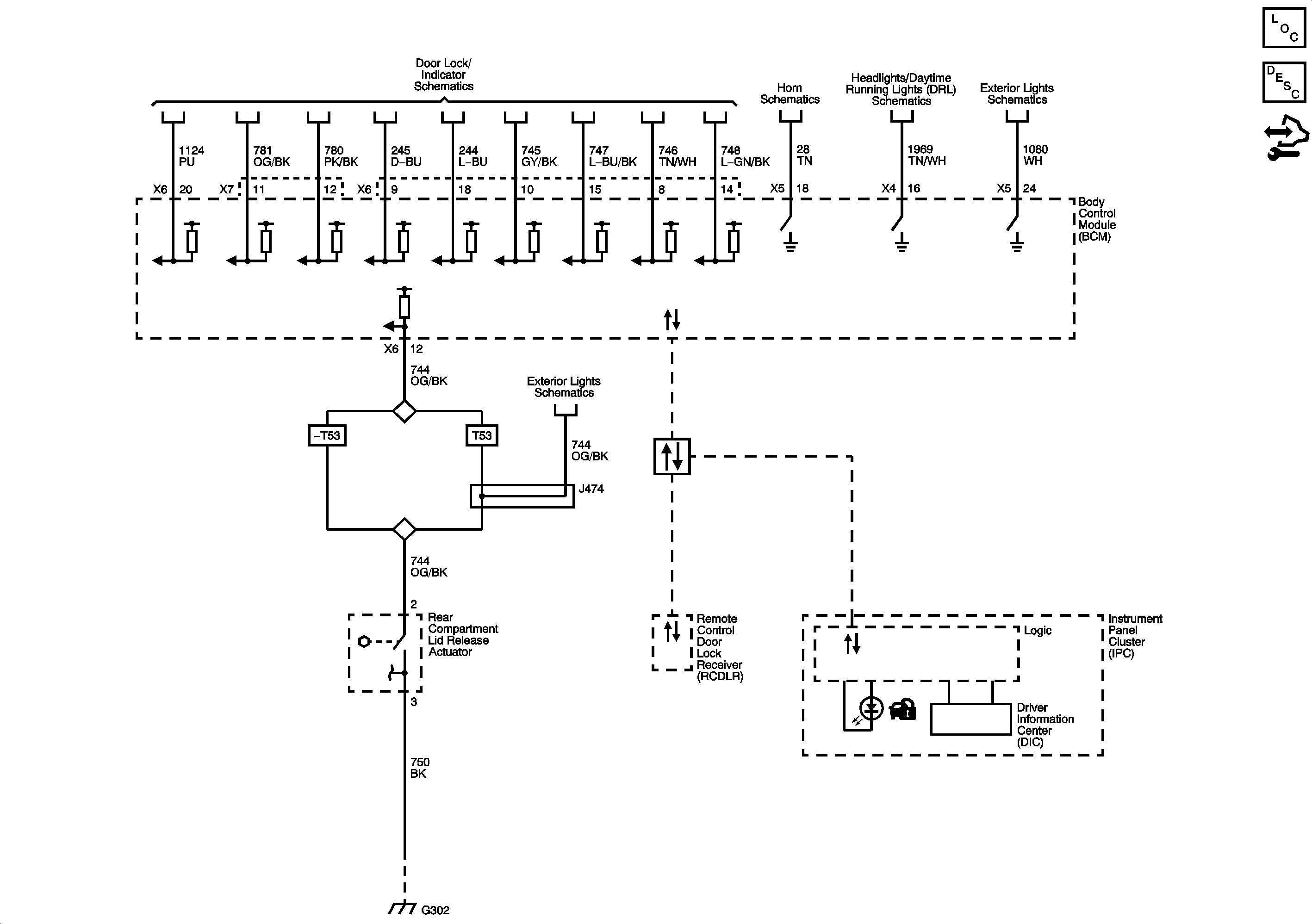
Emergency Vehicle Rear Compartment Lid Lamps and Spot Lamps - T53, 7X6, 7X7
Power, Ground, and Low Speed GMLAN Serial Data
G302
G302