GM Service Manual Online
For 1990-2009 cars only
Makes
🢒
Chevrolet
🢒
2009
🢒
Impala
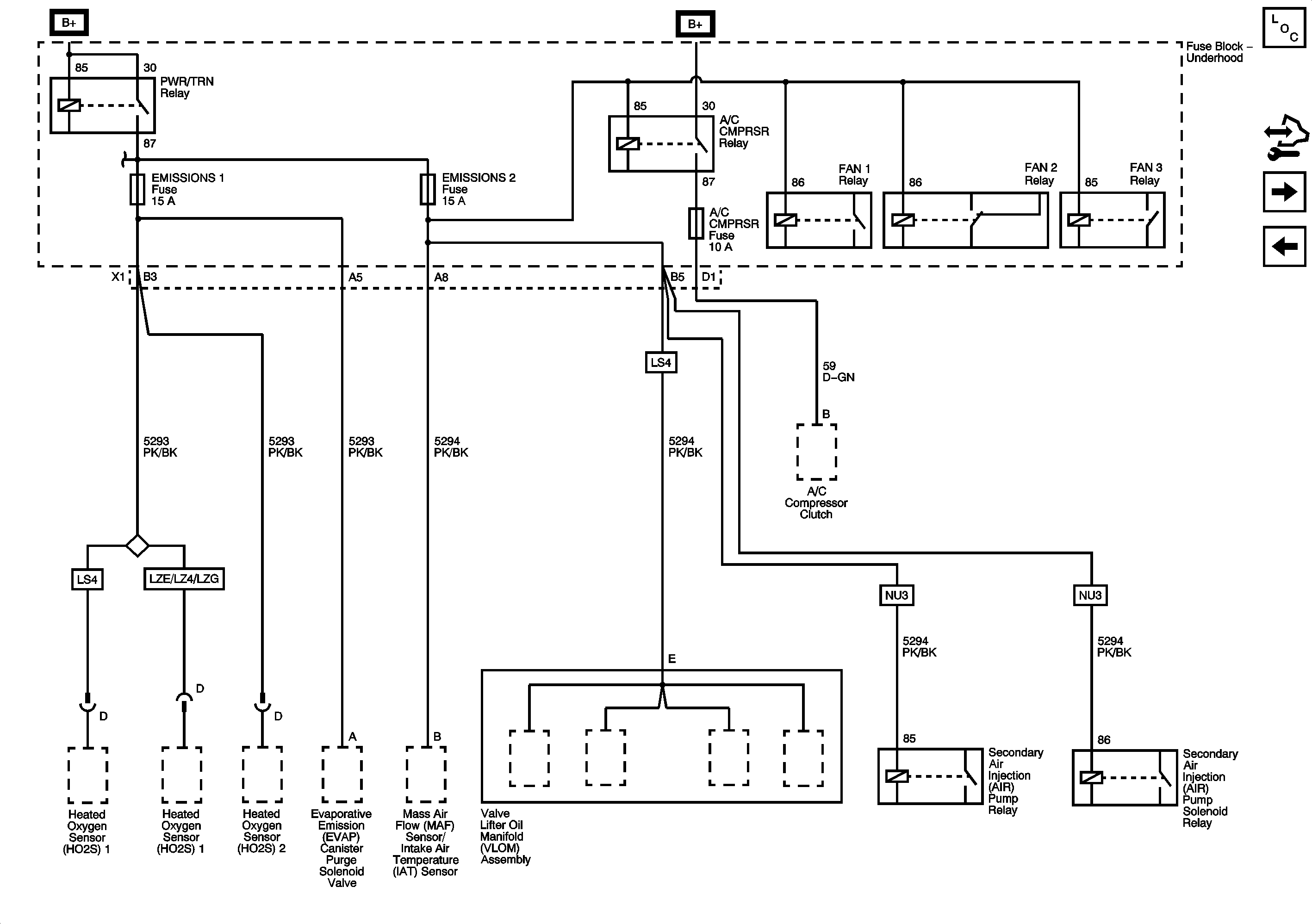
🢒 EMISSIONS 1, EMISSIONS 2, A/C CMPRSR Fuses, and A/C CMPRSR, FAN 1, FAN 2, and FAN 3 Relays
EMISSIONS 1, EMISSIONS 2, A/C CMPRSR Fuses, and A/C CMPRSR, FAN 1, FAN 2, and FAN 3 Relays
EMISSIONS 1, EMISSIONS 2, A/C CMPRSR Fuses, A/C CMPRSR, FAN 1, FAN 2, and FAN 3 Relays
Master Electrical Component List
Control Module References
BATT 3, HTD MIR, FOG LAMPS, WSW, LT PARK, and RT PARK Fuses
ETC/ECM, INJ 1, INJ 2 Fuses (LS4)
Fuse Block - Underhood Bussing
Fuse Block - Underhood Bussing