GM Service Manual Online
For 1990-2009 cars only
Makes
🢒
Chevrolet
🢒
2008
🢒
Joy
🢒
Engine
🢒
Engine Electrical
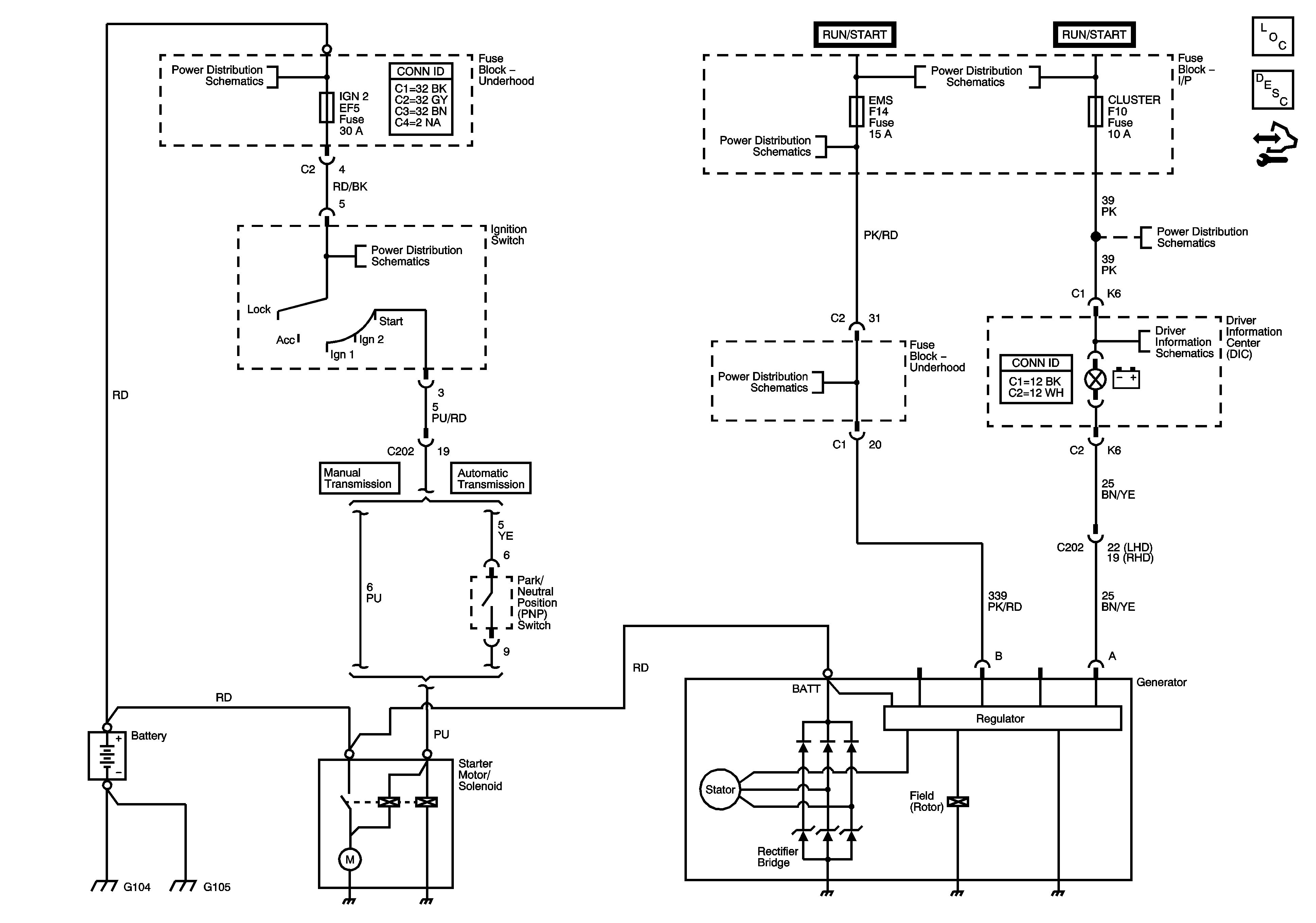
🢒 Starting and Charging Schematics