GM Service Manual Online
For 1990-2009 cars only
Figure 1:

Engine Compartment (Typical)


Object Number: 1225552  Size: LF
(1)Power Steering Oil Reservoir
(2)Coolant Reservoir
(3)Canister
(4)Canister Solenoid
(5)Manifold Absolute Pressure (MAP) Sensor
(6)Intake Manifold
(7)Ignition Coil
(8)Throttle Body
(9)Idle Air Control (IAC) Valve
(10)Throttle Position (TP) Sensor
(11)Brake Fluid Reservoir
(12)Wiper Motor
(13)Battery
(14)Fuse Box
(15)Air Cleaner Housing
(16)Distributor
(17)Resonator
(18)PCV Hose
(19)Snorkel
(20)Exhaust Manifold
(21)Washer Fluid Reservoir
(22)Oil Level Gage
(23)Engine
(24)Oil Filler Cap
Figure 2:

Engine Compartment (Euro III)


Object Number: 1201241  Size: LF
(1)Power Steering Oil Reservoir
(2)Coolant Reservoir
(3)Canister Purge Solenoid
(4)Manifold Absolute Pressure (MAP) Sensor
(5)Intake Manifold
(6)Throttle Position (TP) Sensor
(7)Throttle Body
(8)Idle Air Control (IAC) Valve
(9)Brake Fluid Reservoir
(10)Wiper Motor
(11)Battery
(12)Fuse Box
(13)Air Cleaner Housing
(14)Resonator
(15)Electronic Ignition System Ignition Coil
(16)Exhaust Manifold
(17)Snorkel
(18)Engine
(19)Oil Level Gage
(20)Washer Fluid Reservoir
(21)Oil Filler Cap
Figure 3:

Cylinder Head


Object Number: 1197800  Size: LF
(1)Oil Filter Cap
(2)Cylinder Head Cover
(3)Cylinder Head Cover - Euro III
(4)Distributor Case
(5)Camshaft
(6)Exhaust Rocker Arm
(7)Cylinder Head Gasket
(8)Cylinder Head
(9)Intake Rocker Arm
(10)Exhaust Valve
(11)Intake Valve
Figure 4:

Engine Block


Object Number: 1201126  Size: LF
(1)Oil Level Gage Stick
(2)Piston
(3)Connecting Rod
(4)Engine Block
(5)Oil Filter
(6)Flywheel
(7)Crankshaft
(8)Oil Pan
(9)Oil Pump Strainer
(10)Oil Pump Assembly
Figure 5:

Manifold and Airflow System


Object Number: 1201160  Size: LF
(1)Intake Manifold
(2)Exhaust Gas Recirculation (EGR) Pipe
(3)Exhaust Gas Recirculation (EGR) Valve and Solenoid
(4)Throttle Body Assembly
(5)Air Filter Assembly
(6)Resonator
(7)Snorkel
(8)Oxygen Sensor
(9)Exhaust Manifold
(10)Exhaust Manifold Heat Shield
(11)Exhaust Manifold Heat Shield - Euro III
(12)Exhaust Manifold - Euro III
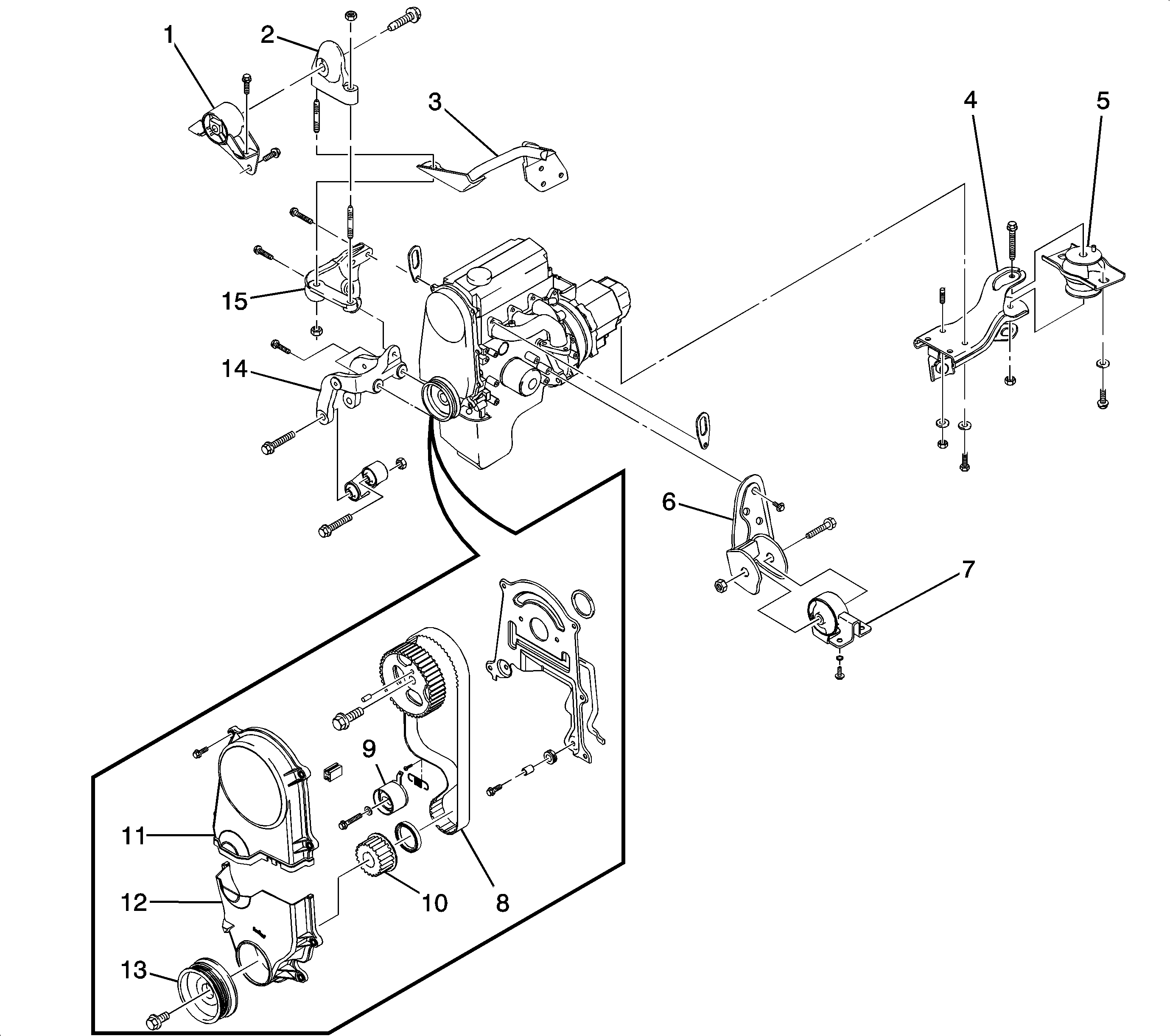
Figure 6:

Timing Belt and Engine Mount


Object Number: 1201219  Size: LF
(1)Engine Mount Damping Block
(2)Engine Mount Intermediate Bracket
(3)Engine Mount Brace Bracket
(4)Transaxle Mount Bracket
(5)Transaxle Mount Damping Block
(6)Engine Mount Front Bracket
(7)Engine Mount Front Damping Bush
(8)Timing Belt
(9)Timing Belt Tensioner
(10)Crankshaft Gear
(11)Timing Belt Upper Front Cover
(12)Timing Belt Lower Front Cover
(13)Crankshaft Pulley
(14)Engine Mount Lower Bracket
(15)Engine Mount Upper Bracket