GM Service Manual Online
For 1990-2009 cars only
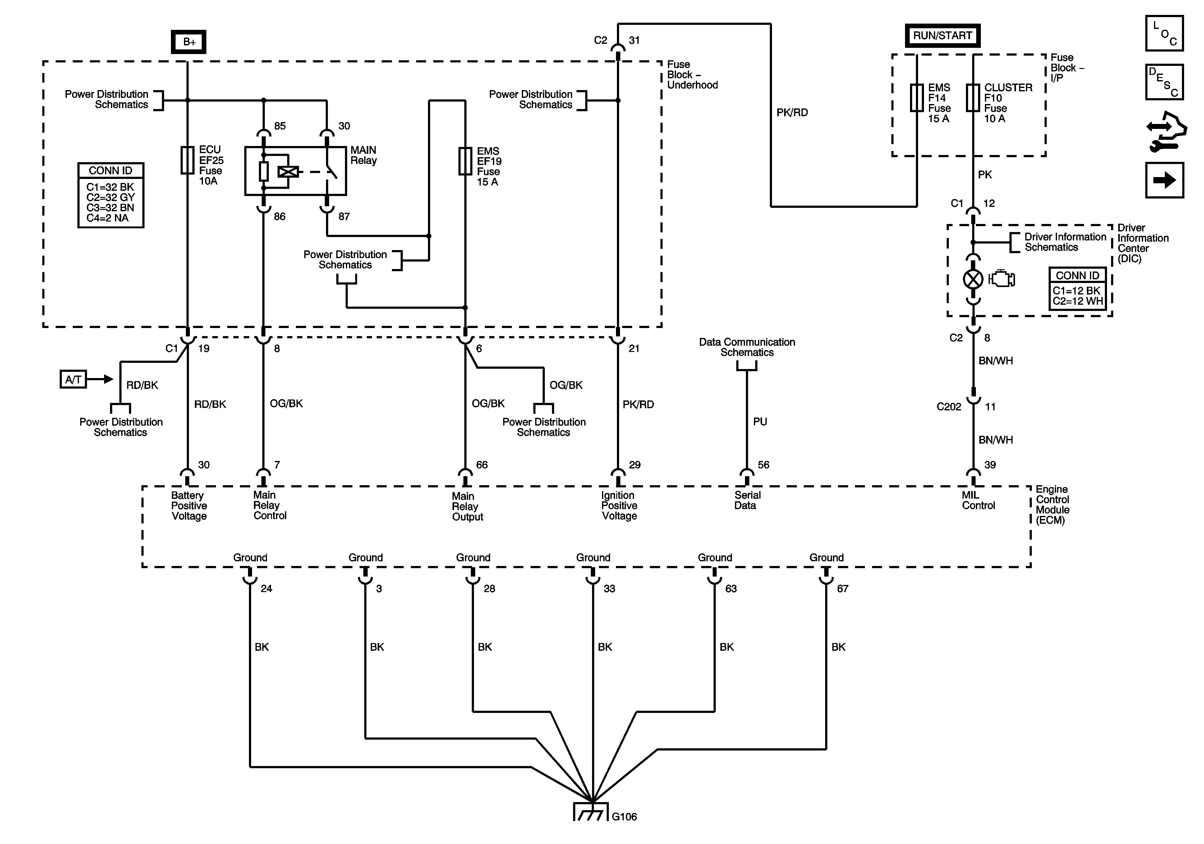
Figure 1:

Power, Ground, DLC and MIL


Object Number: 1921985  Size: FS
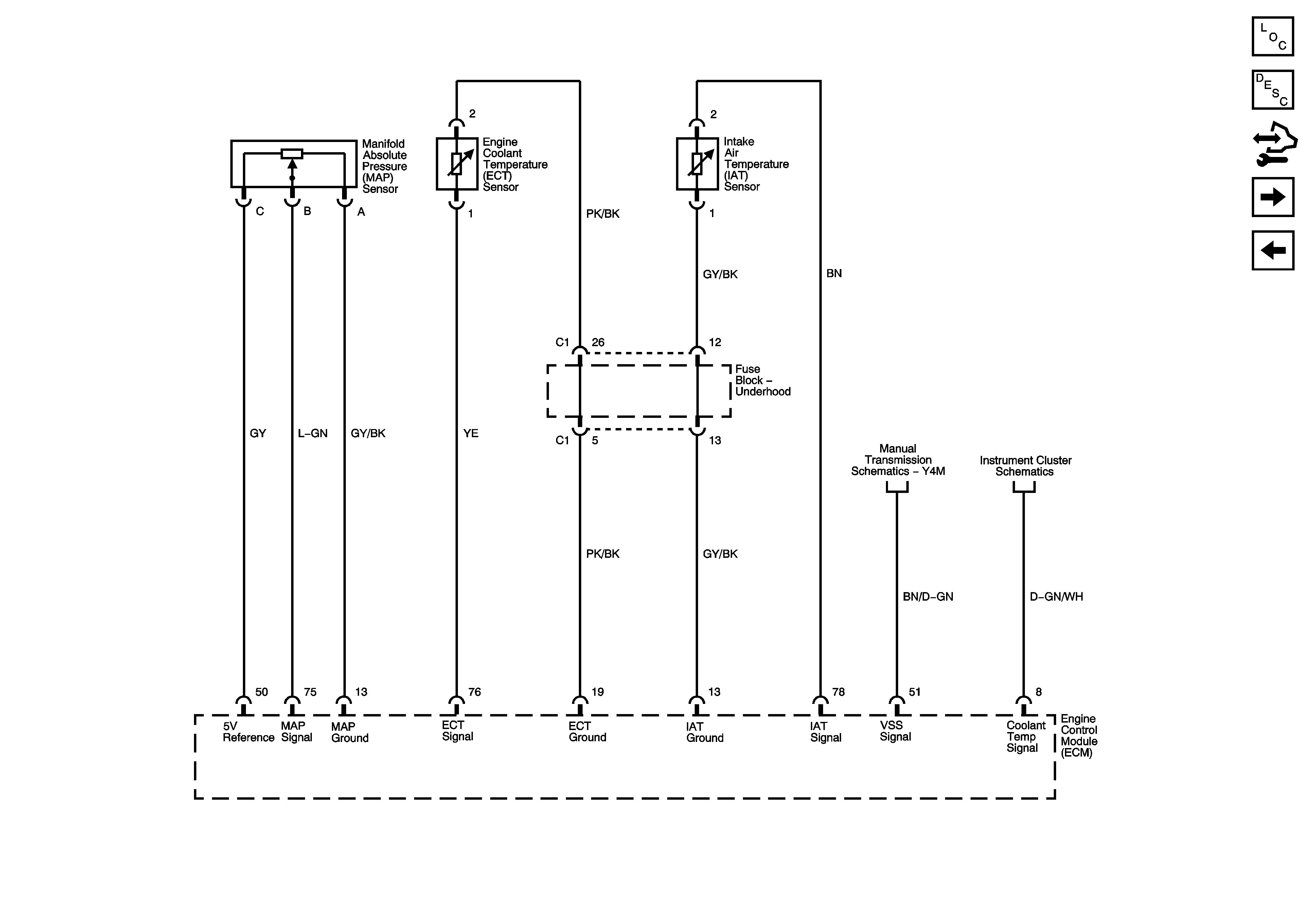
Figure 2:

Engine Data Sensors - Pressure, Temperature and VSS


Object Number: 1921988  Size: FS
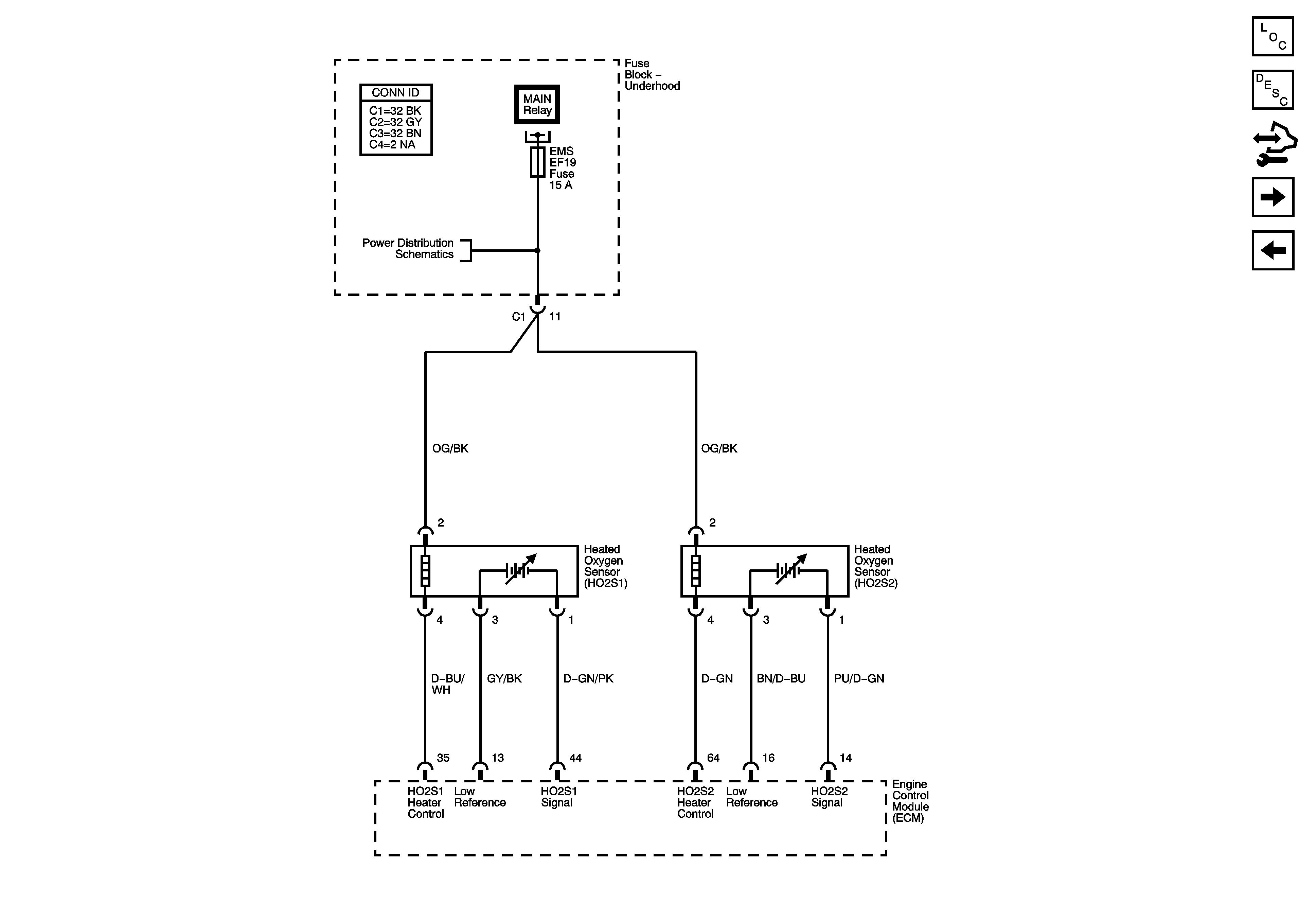
Figure 3:

Engine Data Sensors - Oxygen Sensors


Object Number: 1921991  Size: FS
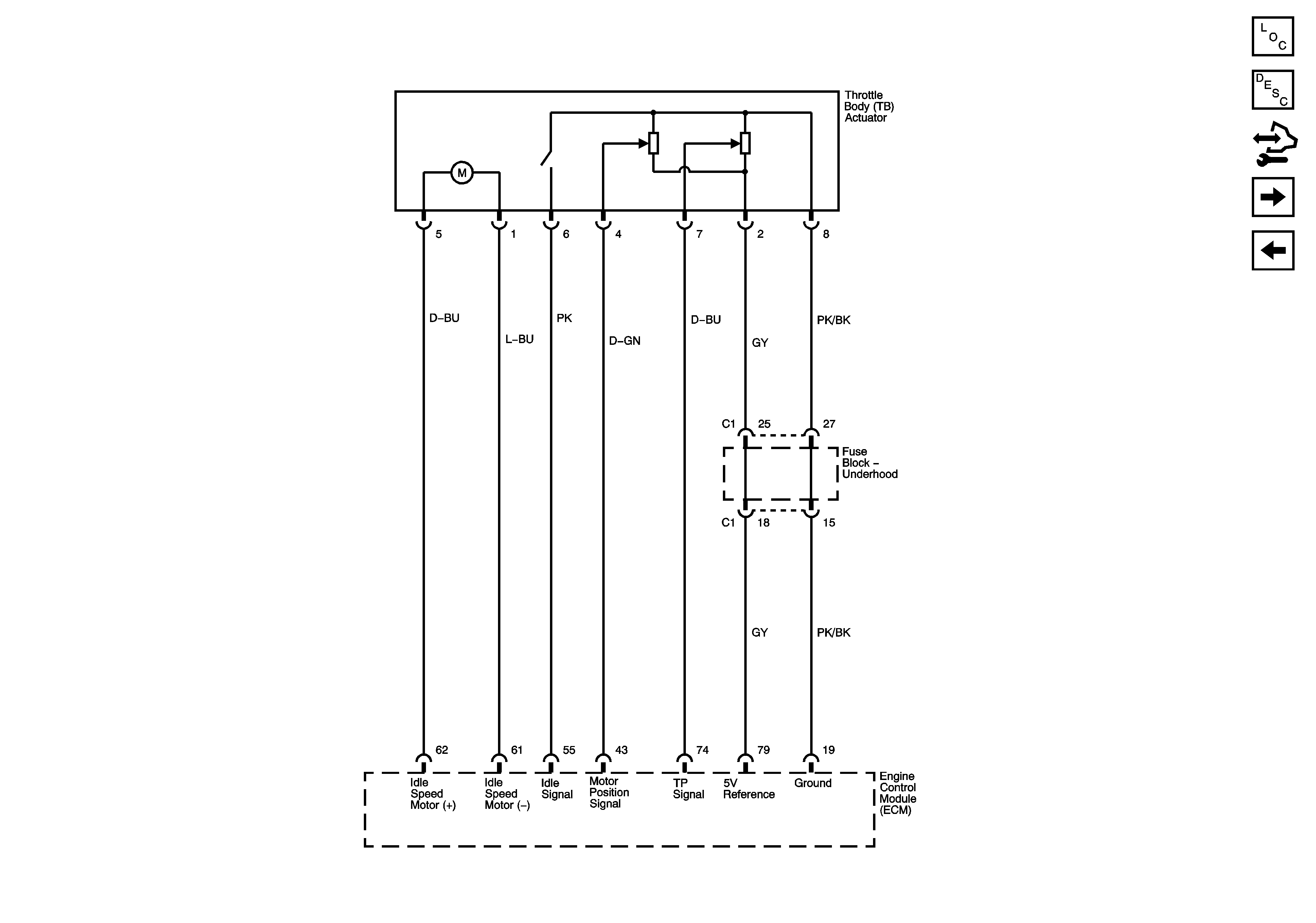
Figure 4:

Throttle Body Actuator


Object Number: 1921995  Size: FS
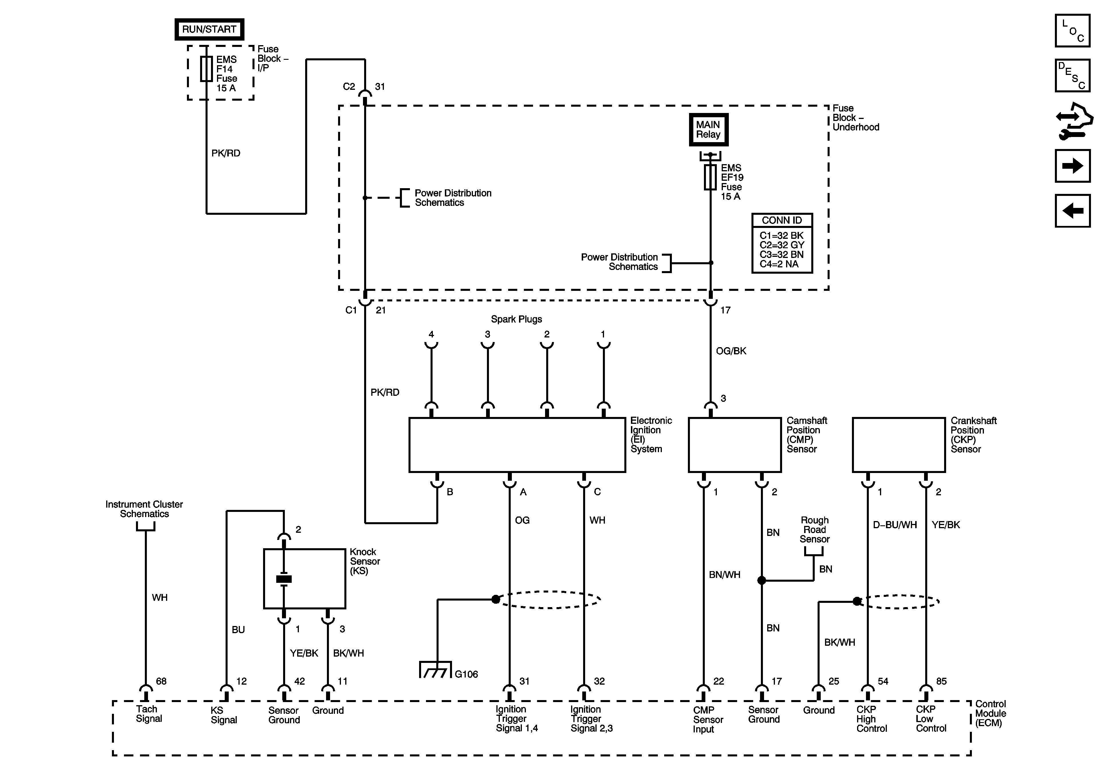
Figure 5:

Ignition Controls


Object Number: 1921999  Size: FS
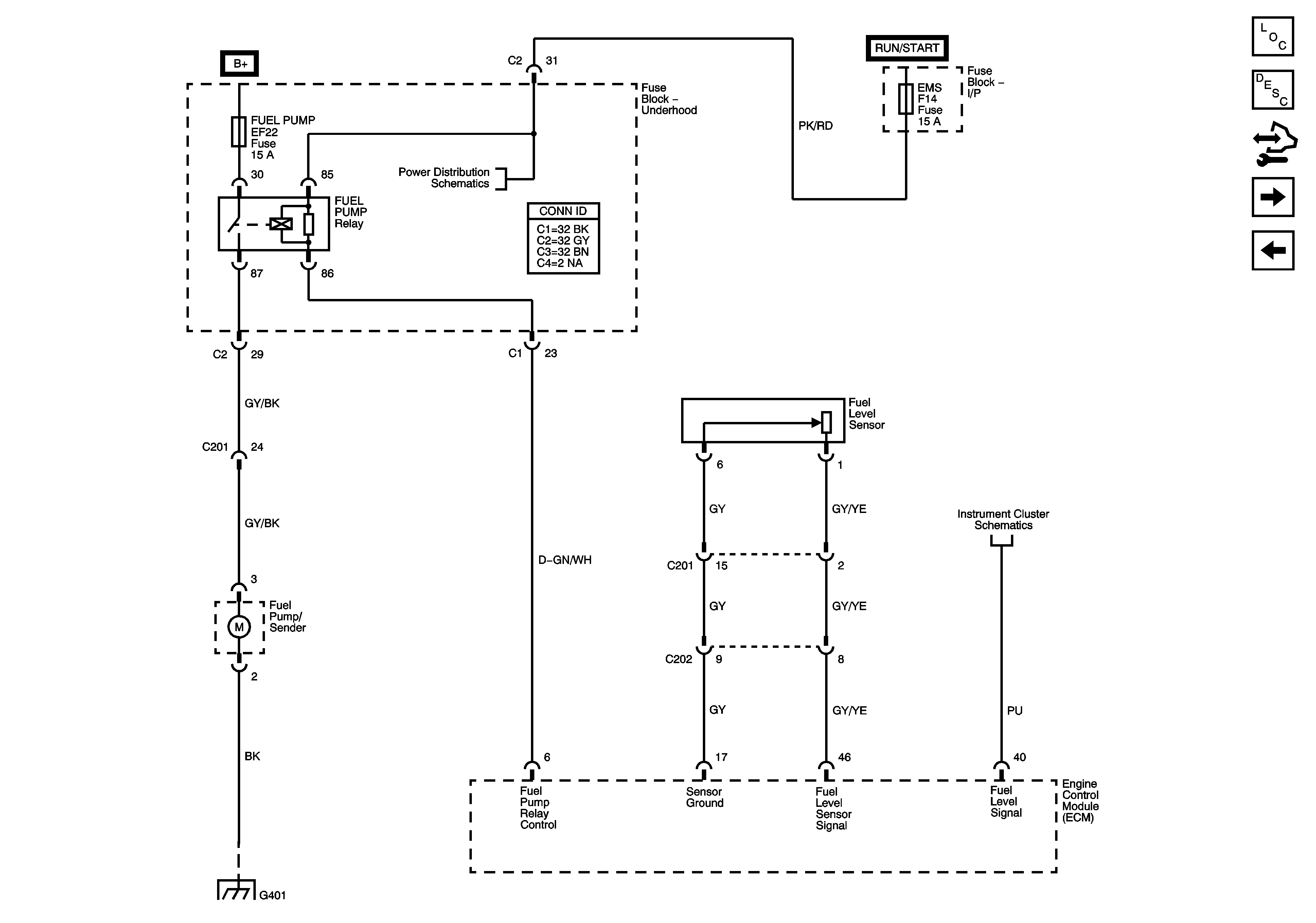
Figure 6:

Fuel Pump Controls


Object Number: 1922001  Size: FS
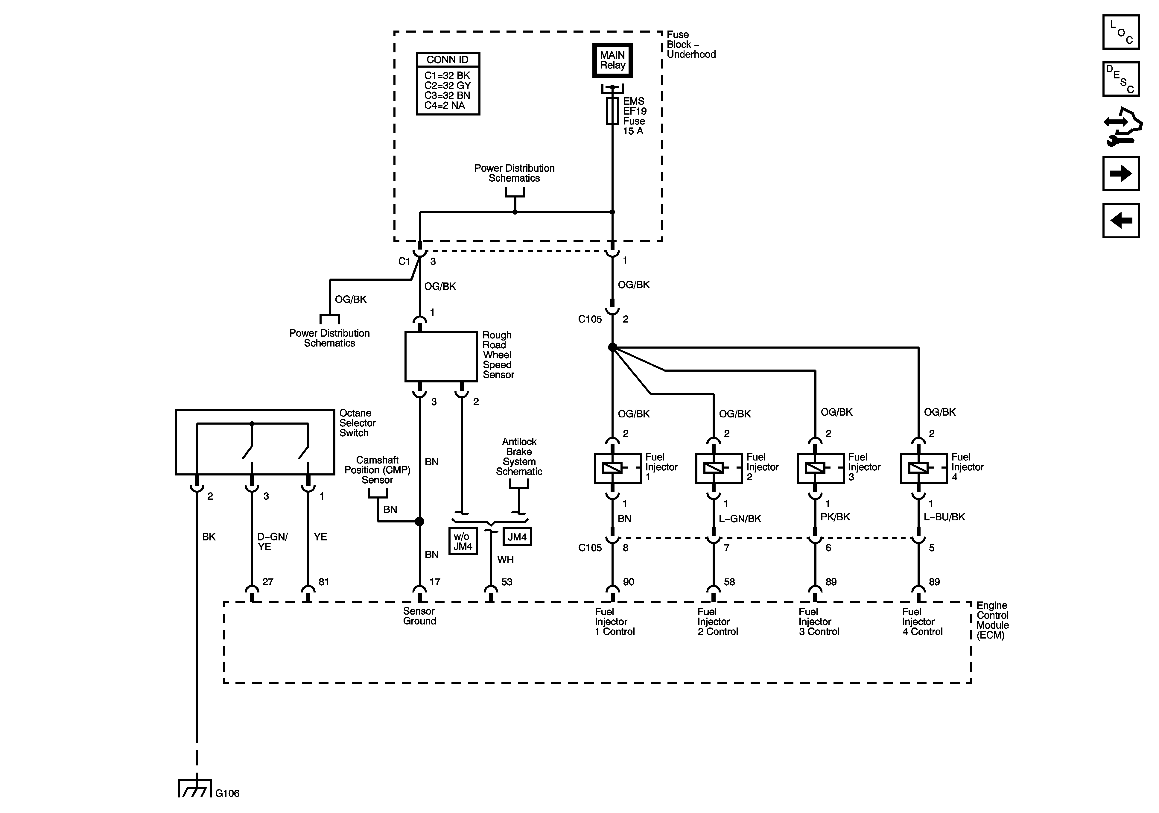
Figure 7:

Fuel Injectors, Octane Selector and Rough Road WSS


Object Number: 1922003  Size: FS
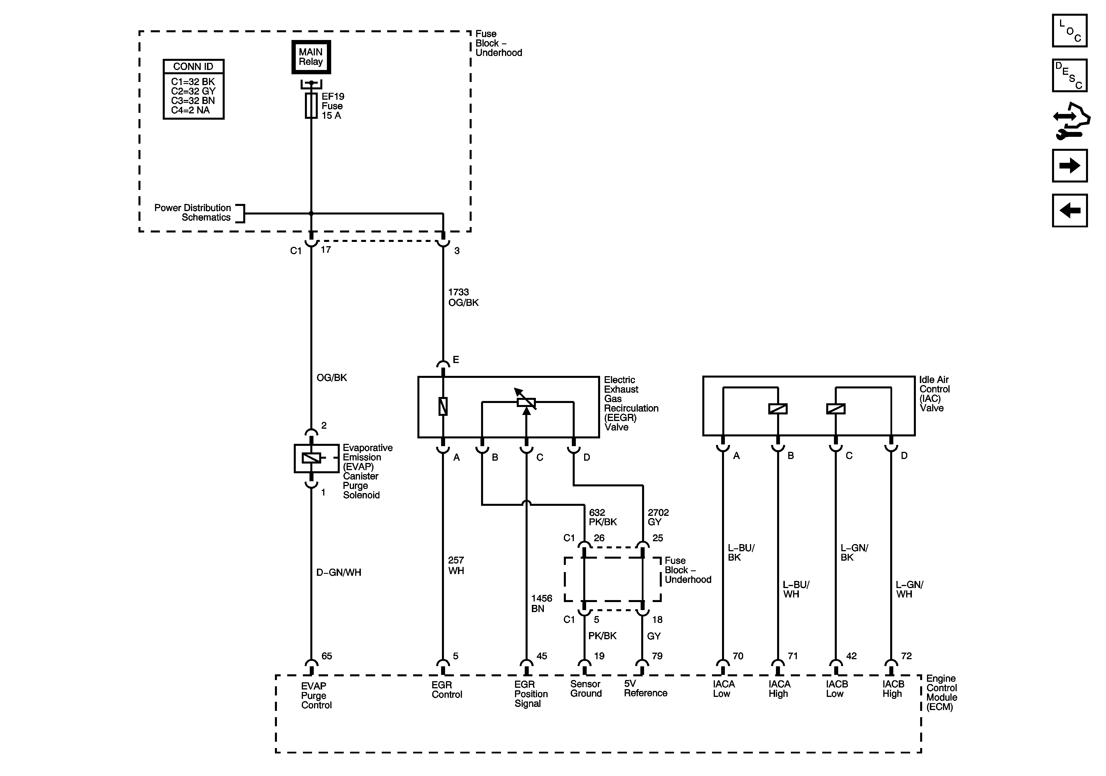
Figure 8:

EVAP and Device Controls


Object Number: 1922013  Size: FS
Figure 9:

Controlled/Monitored Subsystem References


Object Number: 1922028  Size: FS