GM Service Manual Online
For 1990-2009 cars only
Makes
🢒
Chevrolet
🢒
2008
🢒
Joy
🢒
Diagnostic Navigation
🢒
Vehicle Diagnostic Information
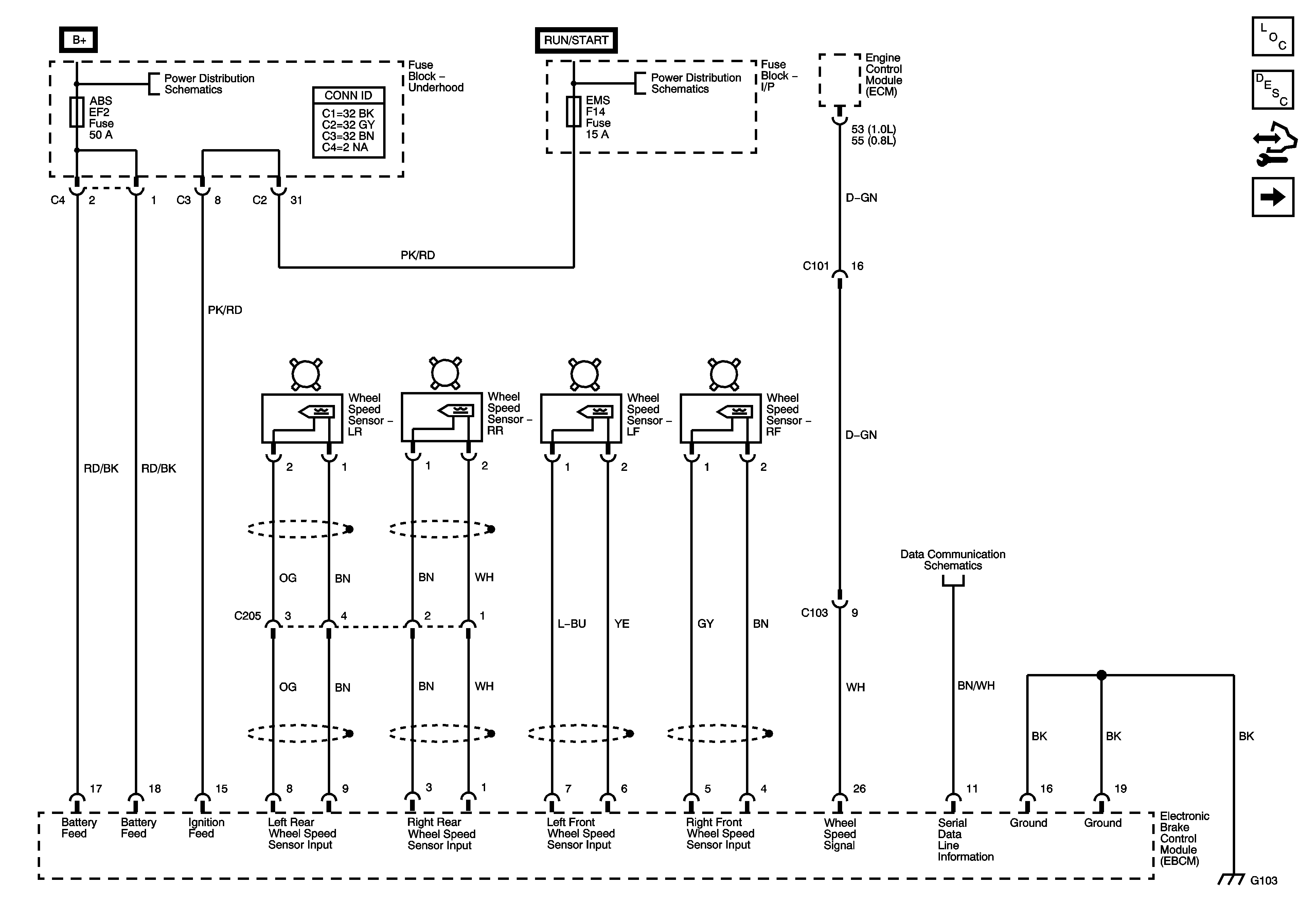
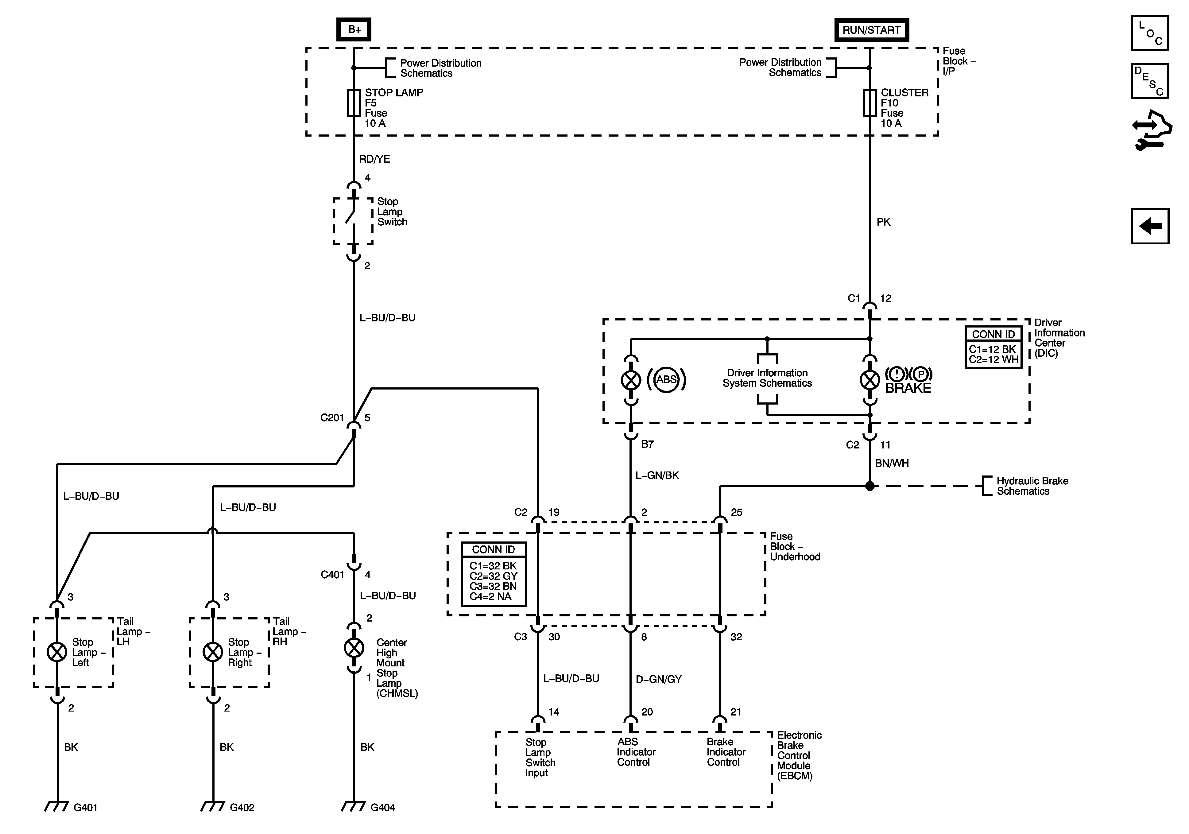
🢒 Antilock Brake System Schematics
Figure
1:
Ground, Power, Serial Data and Wheel Speed Sensors
Figure
2:
Stop Lamp and Indicators