GM Service Manual Online
For 1990-2009 cars only
Makes
🢒
Chevrolet
🢒
2008
🢒
Joy
🢒
Transmission/Transaxle
🢒
Automatic Transaxle - Jatco
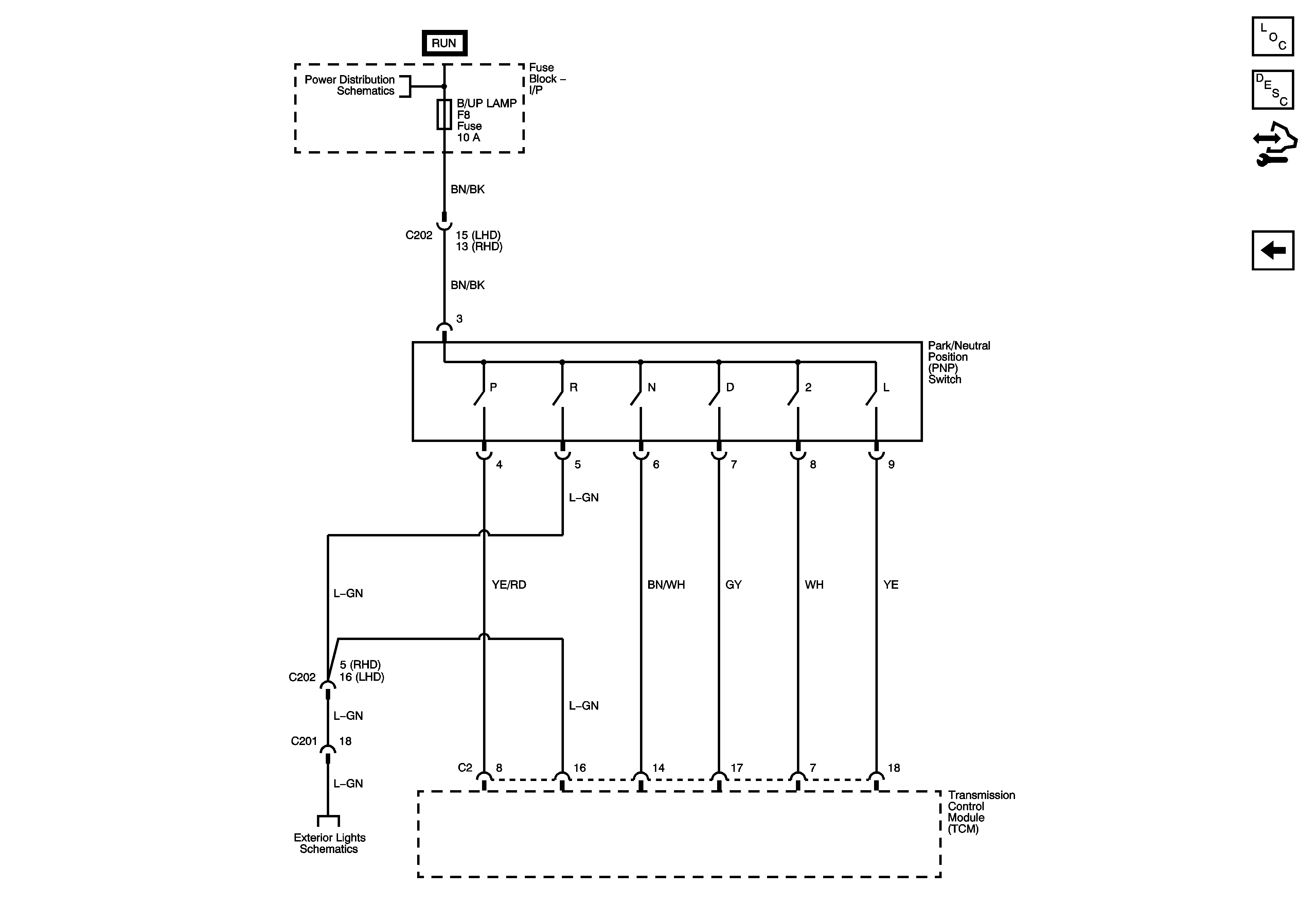
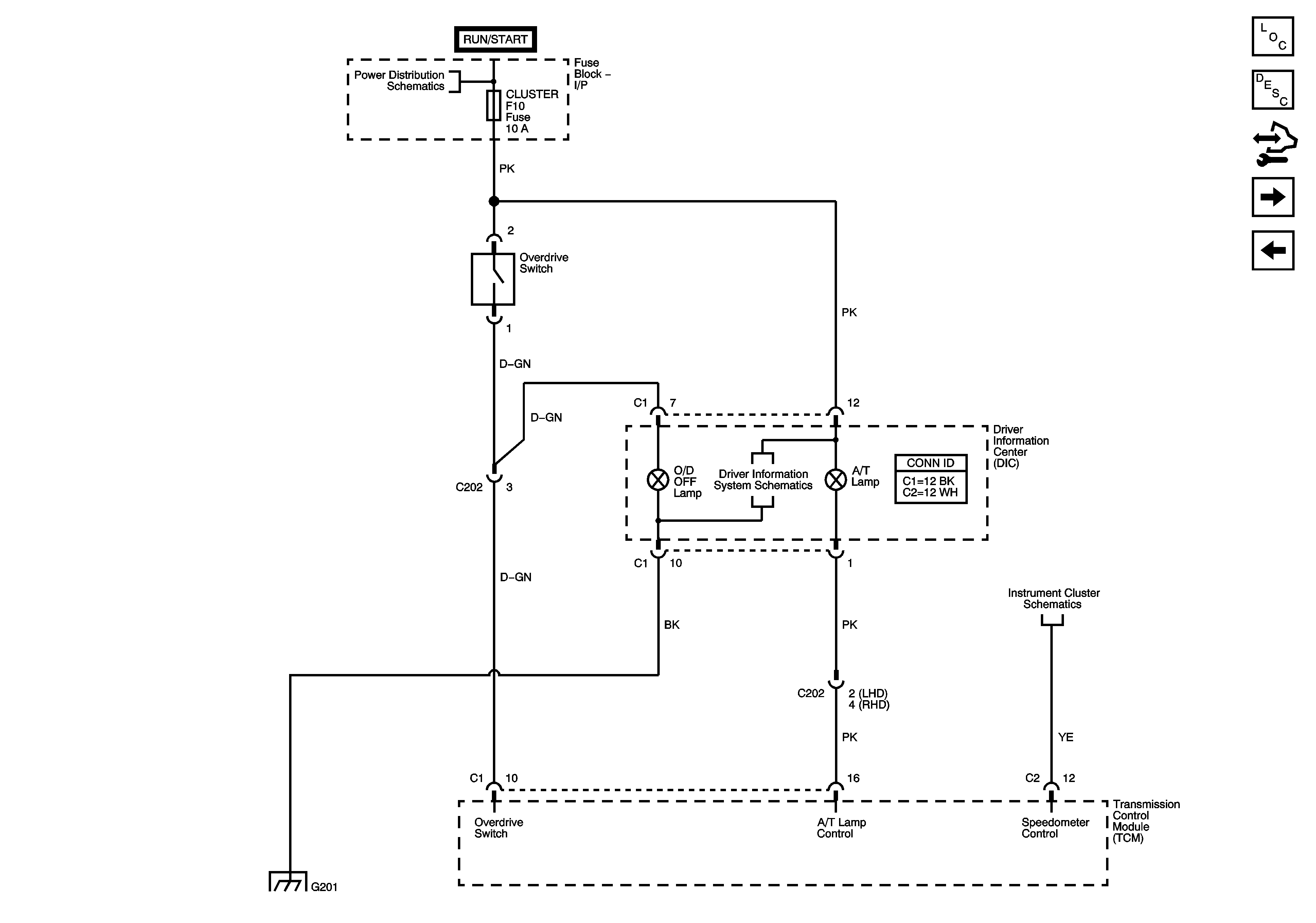
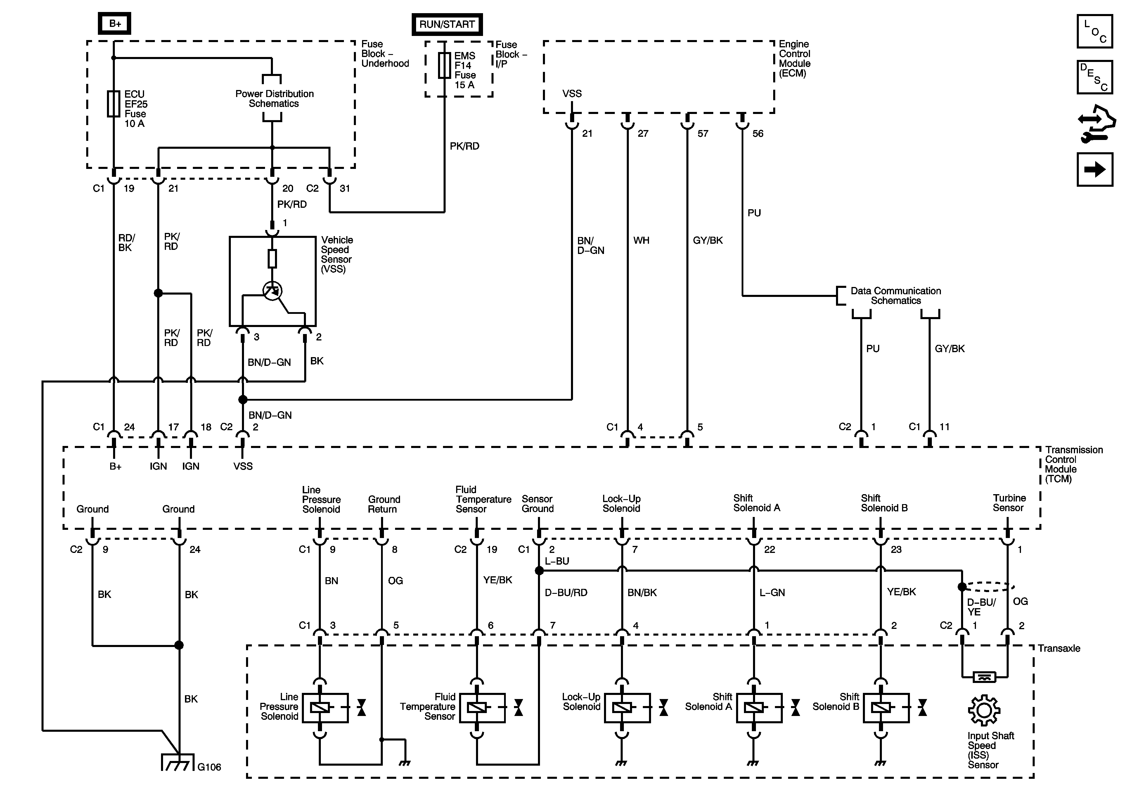
🢒 Automatic Transmission Controls Schematics
Figure
1:
DLC, Ground, Power, Transaxle and VSS
Figure
2:
DIC and O/D Switch
Figure
3:
PNP Switch