GM Service Manual Online
For 1990-2009 cars only
Figure 1:

Fuse Block - Underhood B+ Bus - 1 of 2


Object Number: 1950248  Size: FS
Figure 2:

Fuse Block - Underhood B+ Bus - 2 of 2


Object Number: 1950249  Size: FS
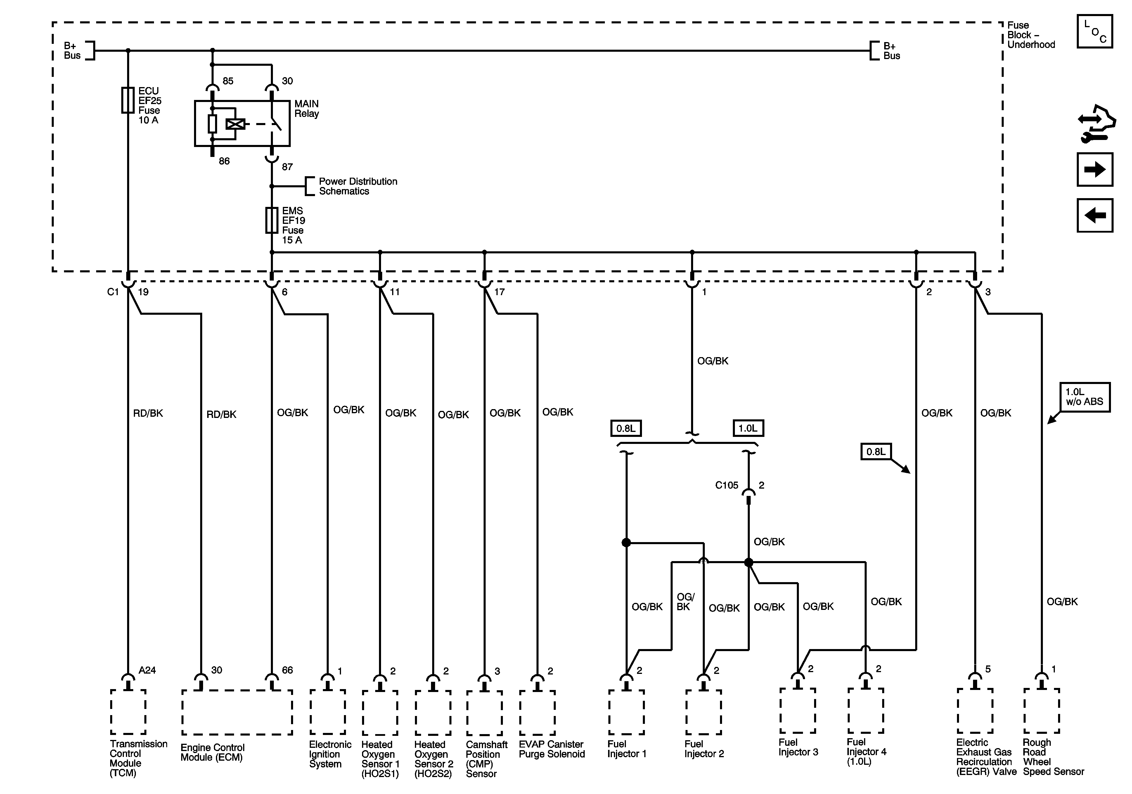
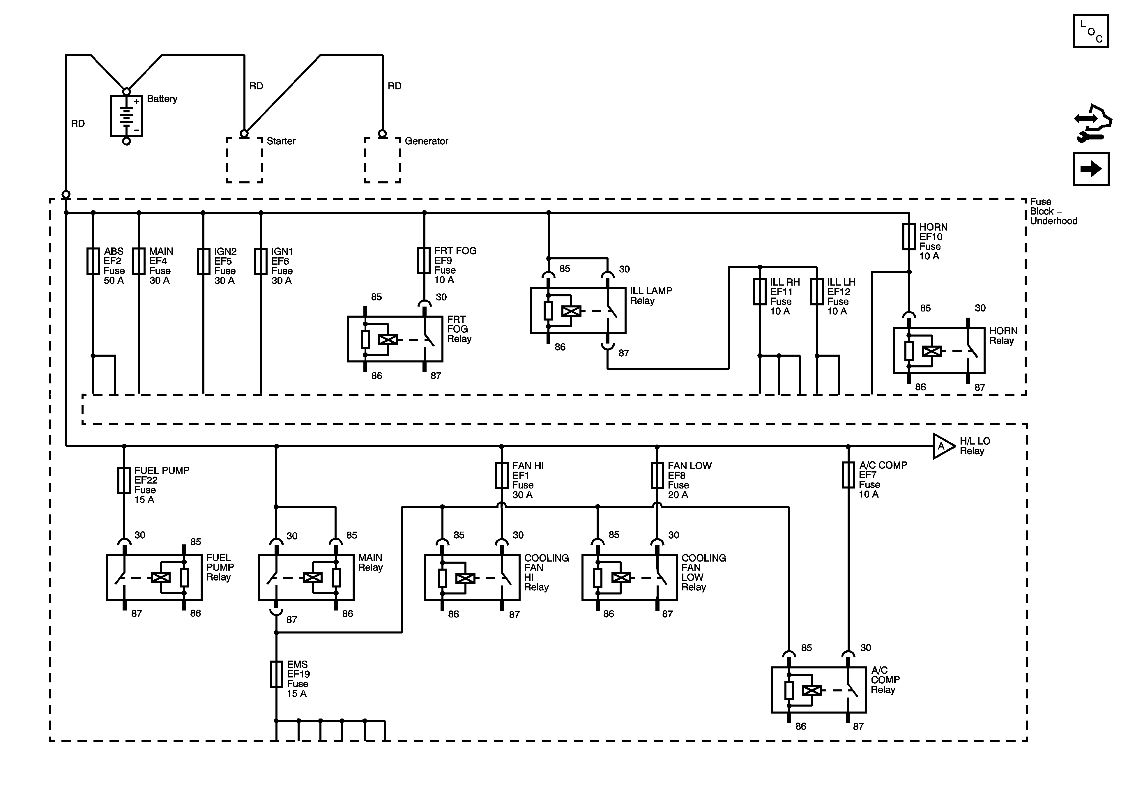
Figure 3:

Fuse Block - Underhood EF19 and EF25 Fuses and MAIN Relay


Object Number: 1950252  Size: FS
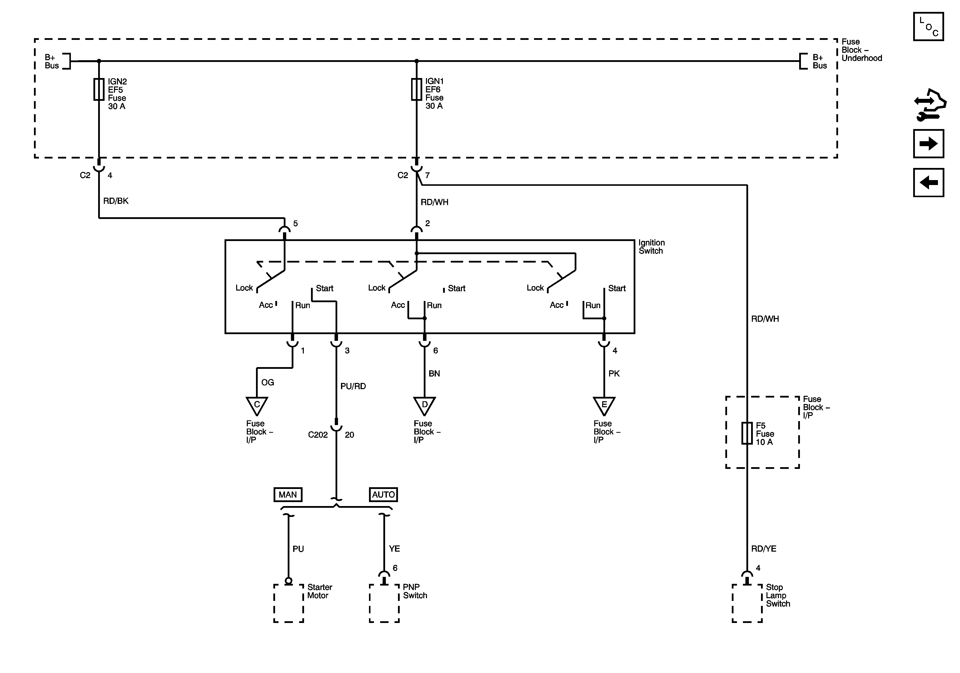
Figure 4:

Fuse Block - Underhood EF5 and EF6 Fuses and Ignition Switch


Object Number: 1950255  Size: FS
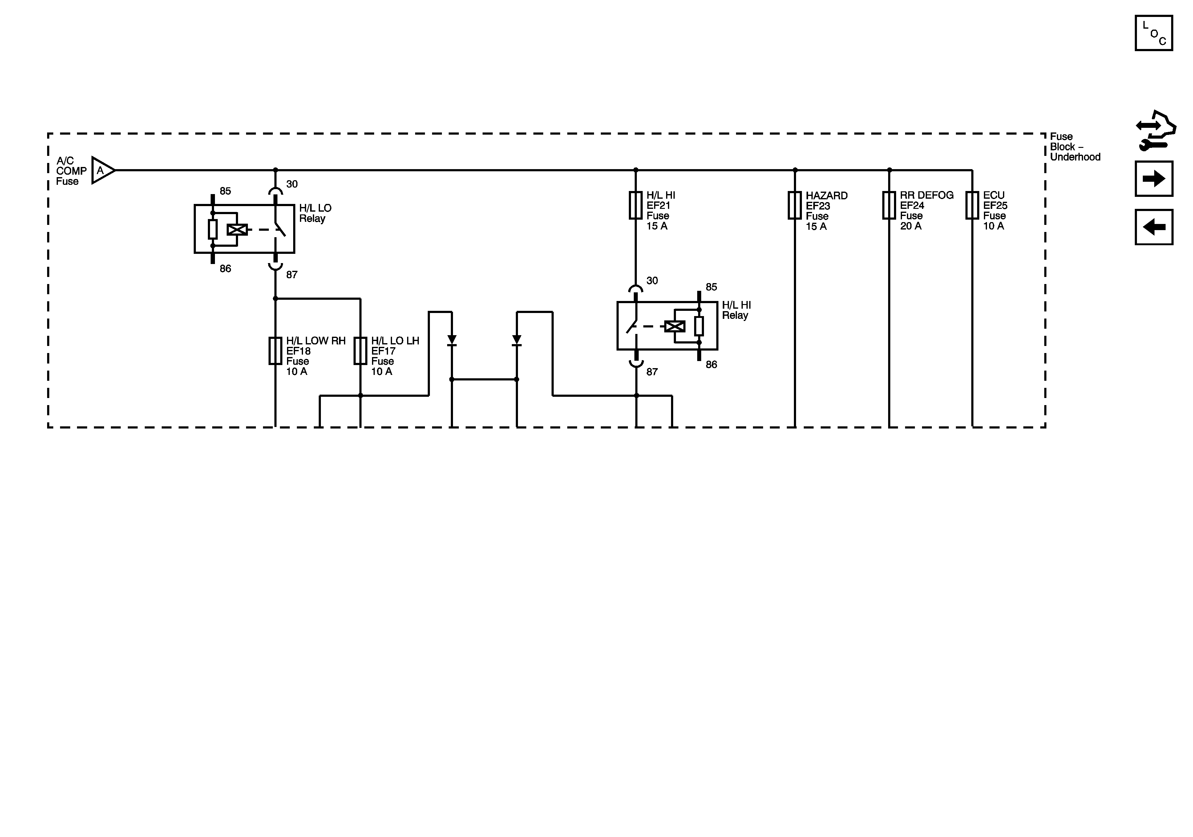
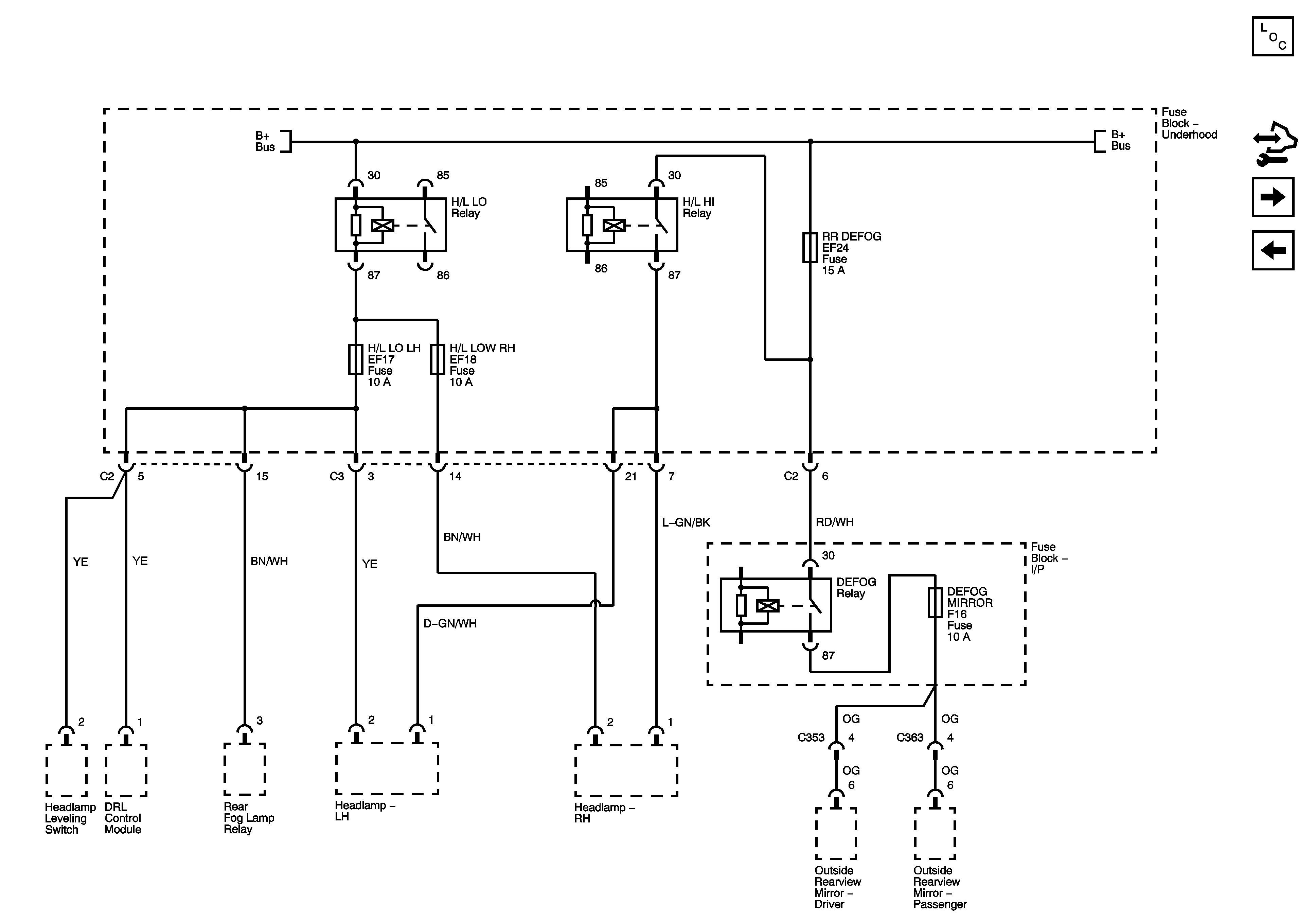
Figure 5:

Fuse Block - Underhood EF17, EF18 and EF24 Fuses, and H/L LO and HI Relays, Fuse Block - I/P F16 Fuse and DEFOG Relay


Object Number: 1950258  Size: FS
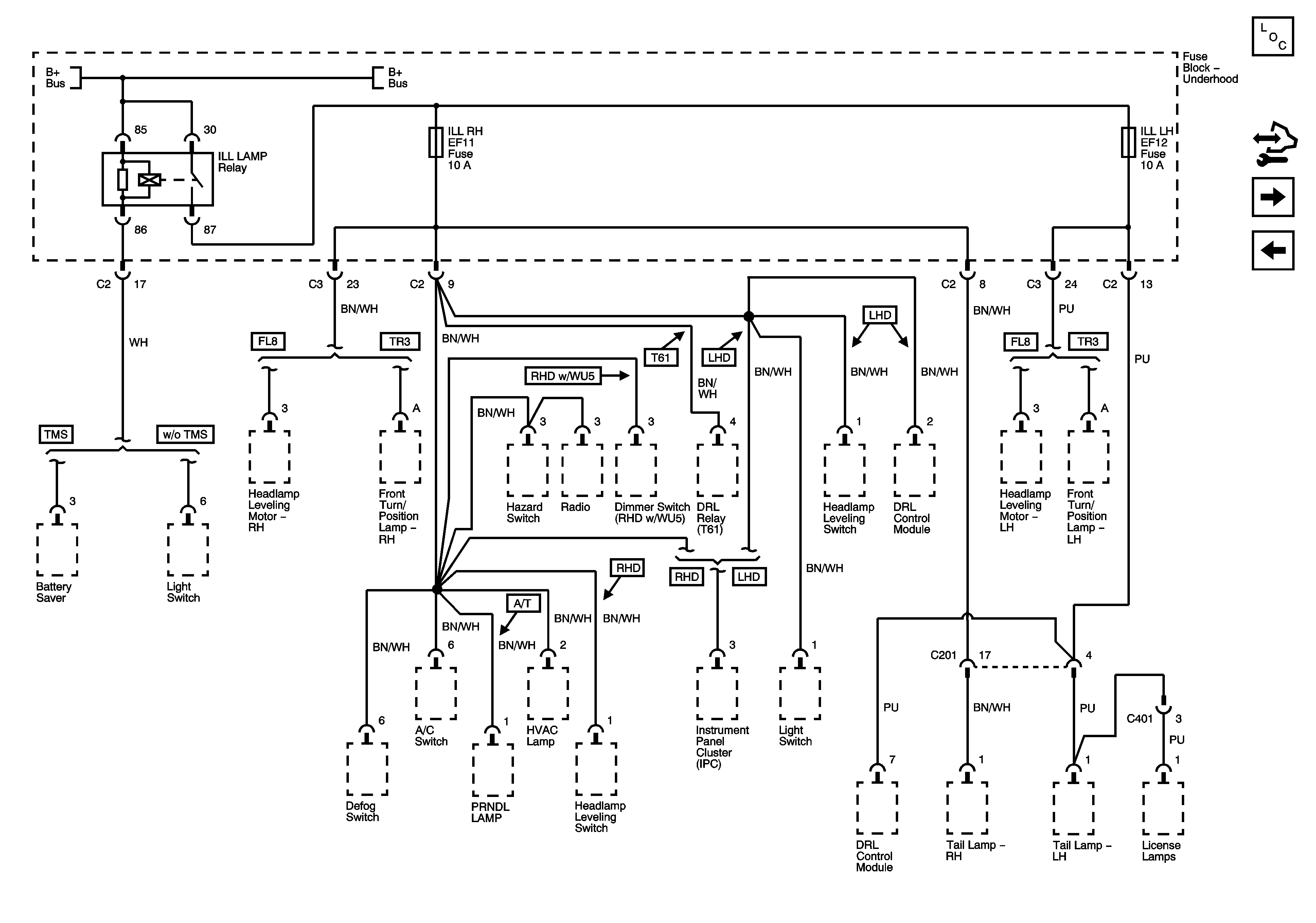
Figure 6:

Fuse Block - Underhood EF11 and EF12 Fuses and ILL LAMP Relay


Object Number: 1950263  Size: FS
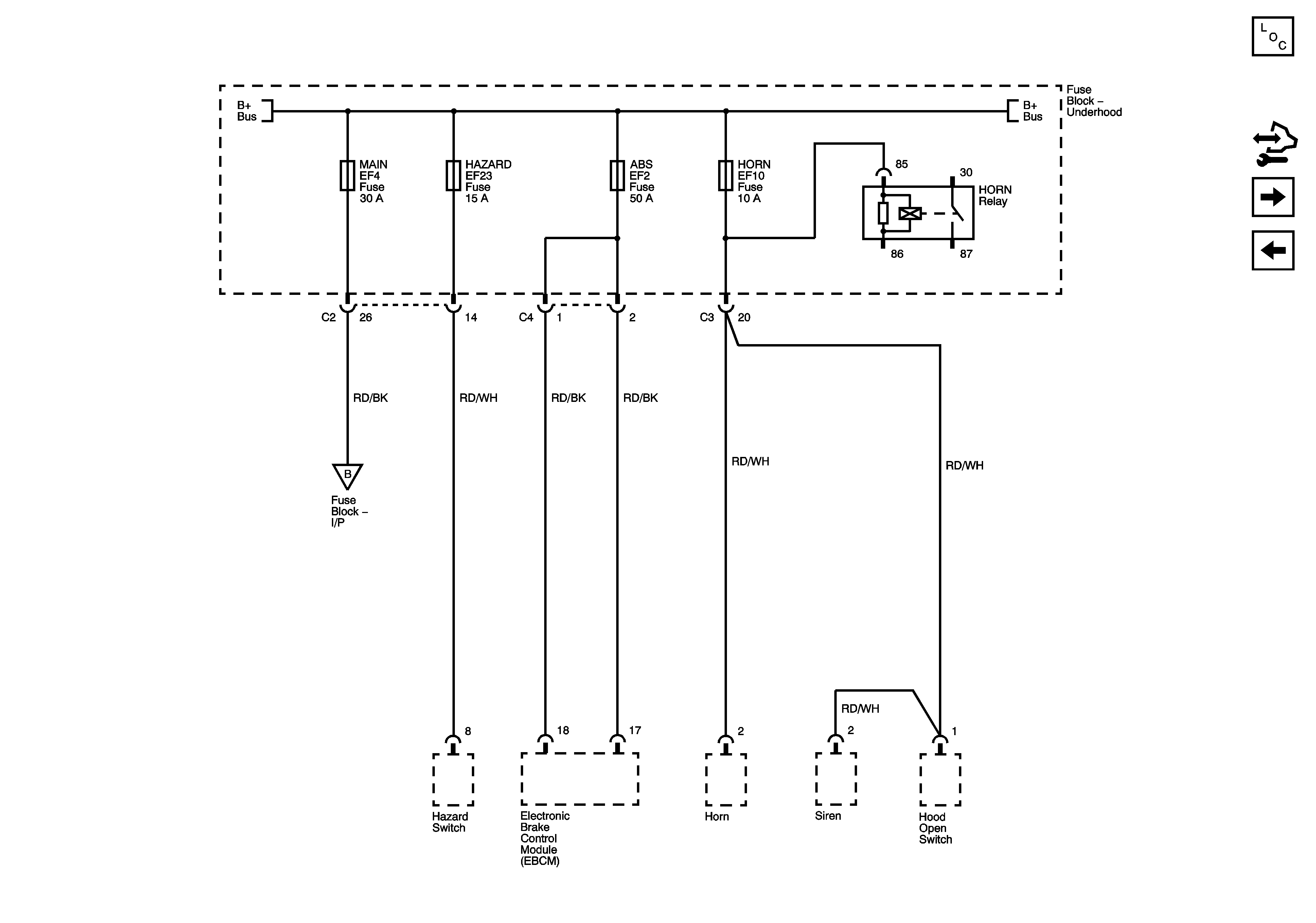
Figure 7:

Fuse Block - Underhood EF2, EF4, EF10 and EF23 Fuses


Object Number: 1950269  Size: FS
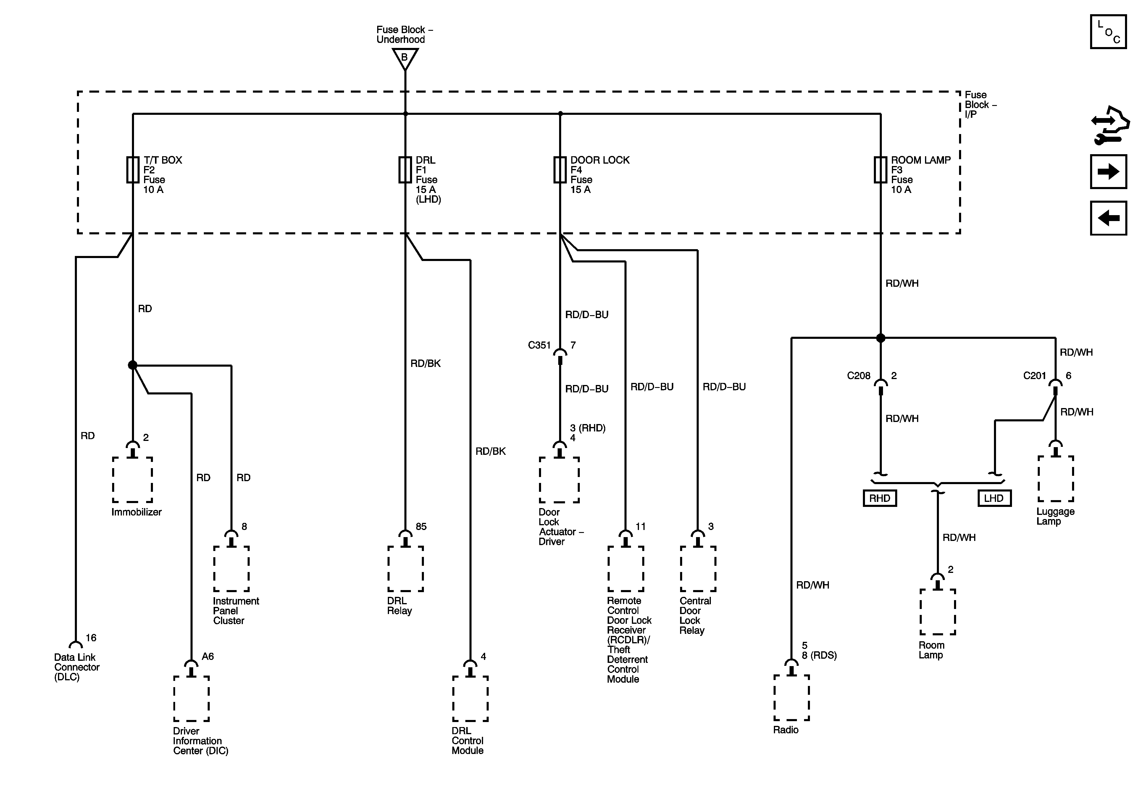
Figure 8:

Fuse Block - I/P F1, F2, F3 and F4 Fuses


Object Number: 1950272  Size: FS
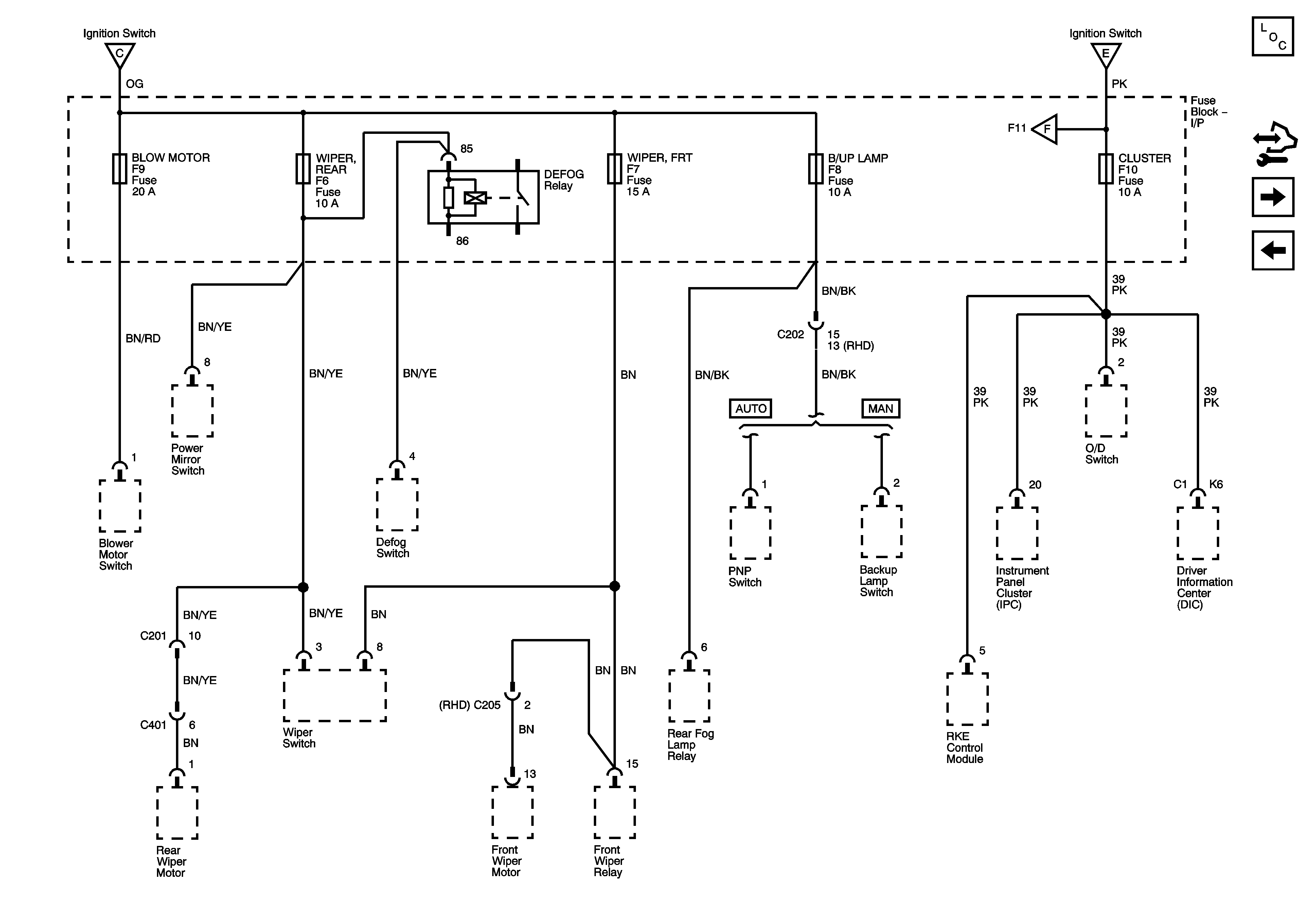
Figure 9:

Fuse Block - I/P F6, F7, F8, F9 and F10 Fuses


Object Number: 1950273  Size: FS
Figure 10:

Fuse Block - I/P F11, F12, F17 and F18 Fuses


Object Number: 1950276  Size: FS
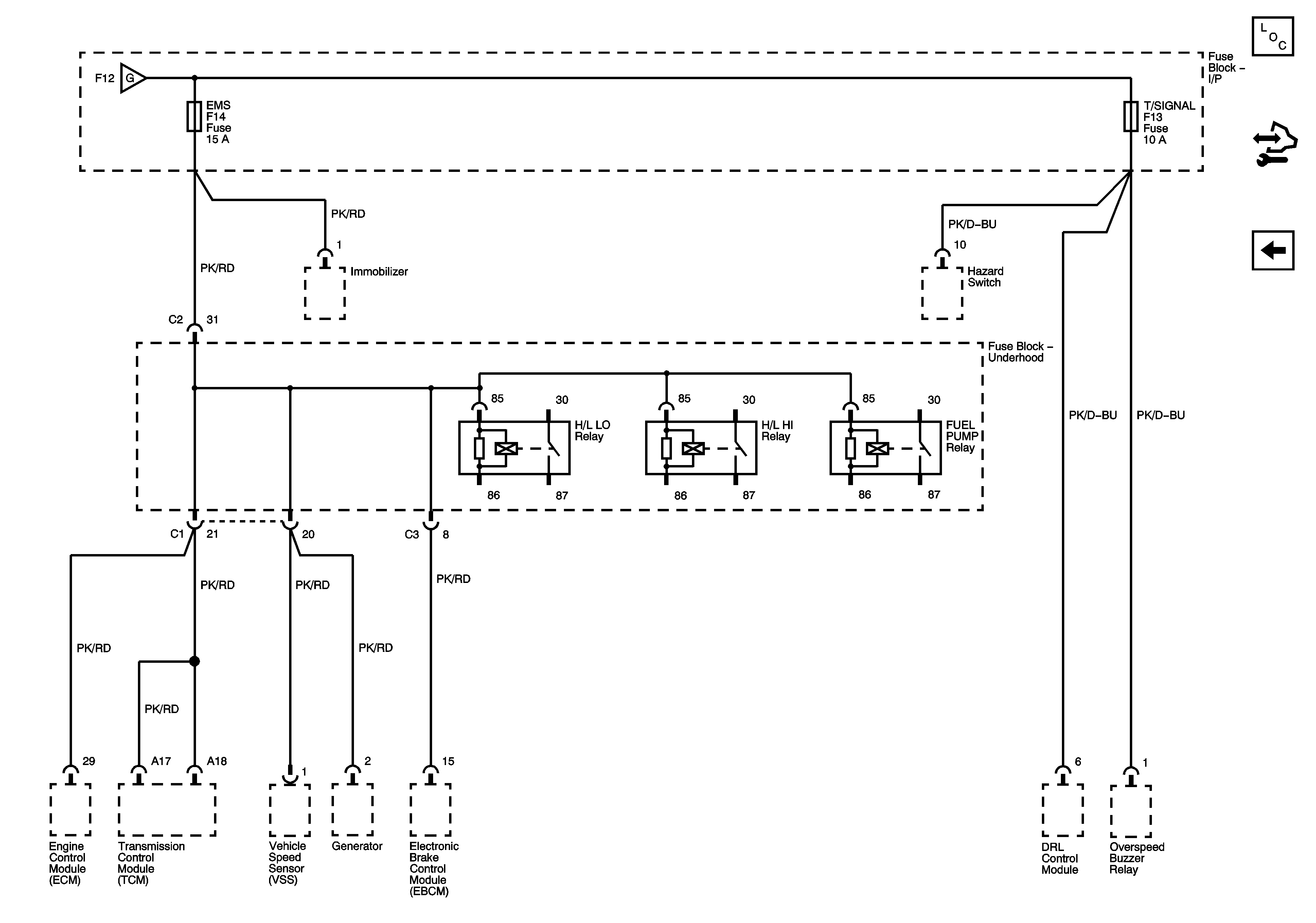
Figure 11:

Fuse Block - I/P F13 and F14 Fuses


Object Number: 1950277  Size: FS