GM Service Manual Online
For 1990-2009 cars only
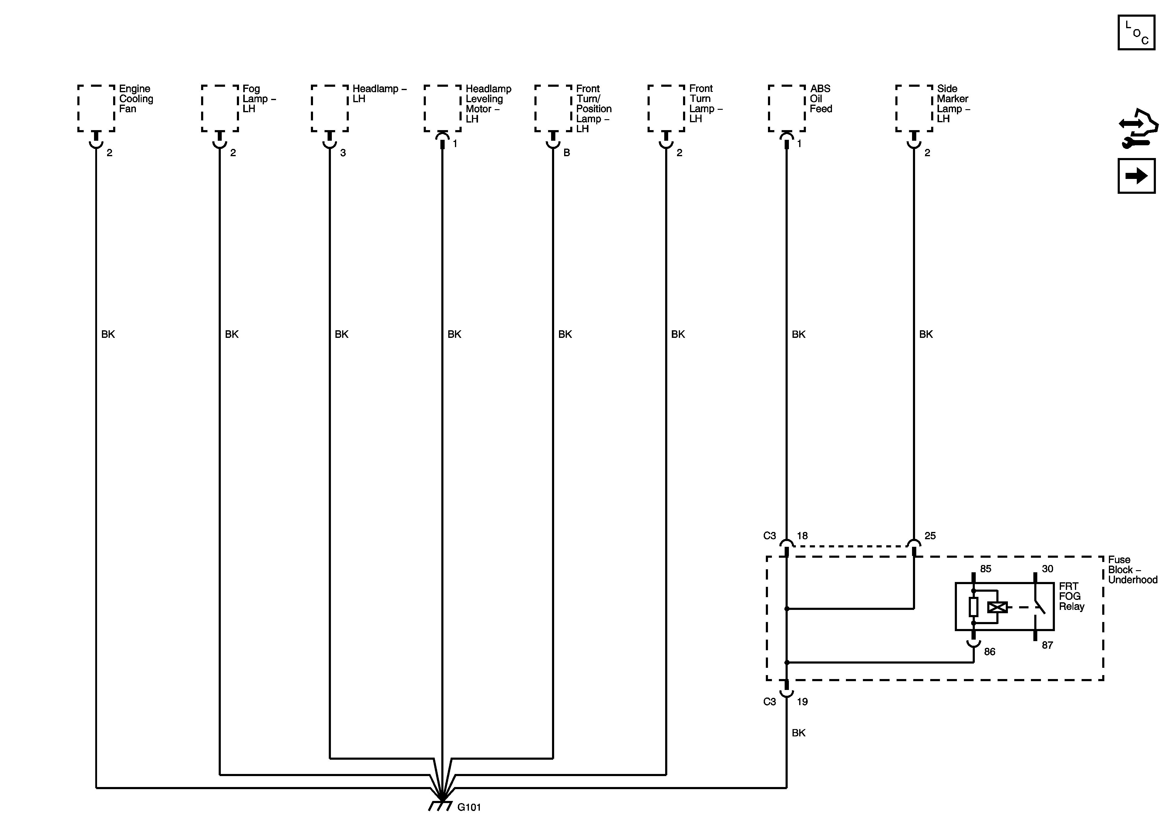
Figure 1:

G101


Object Number: 1950387  Size: FS
Figure 2:

G102 and G103


Object Number: 1950393  Size: FS
Figure 3:

G104, G105, G203 and G404


Object Number: 1950394  Size: FS
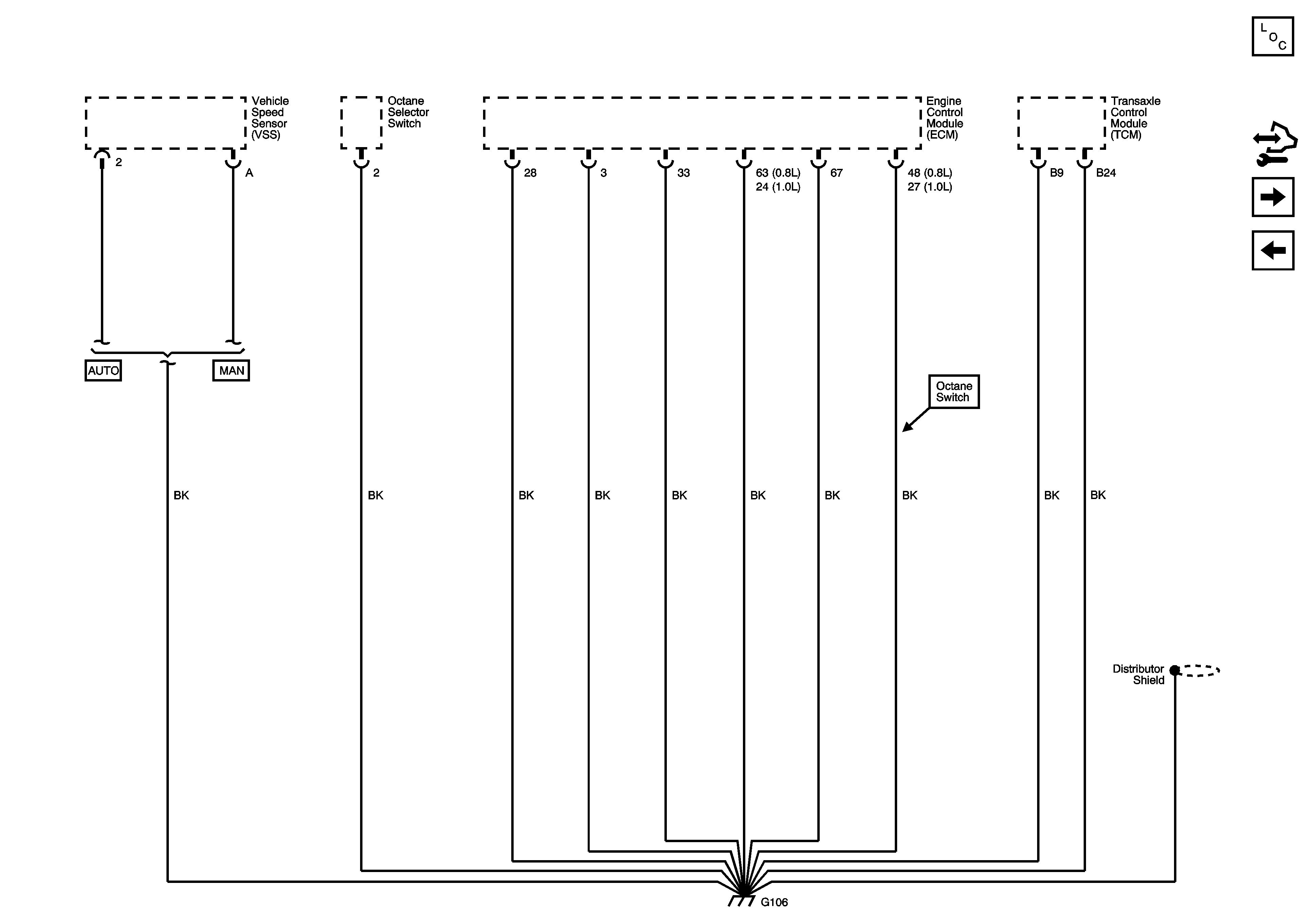
Figure 4:

G106


Object Number: 1950395  Size: FS
Figure 5:

G201


Object Number: 1950396  Size: FS
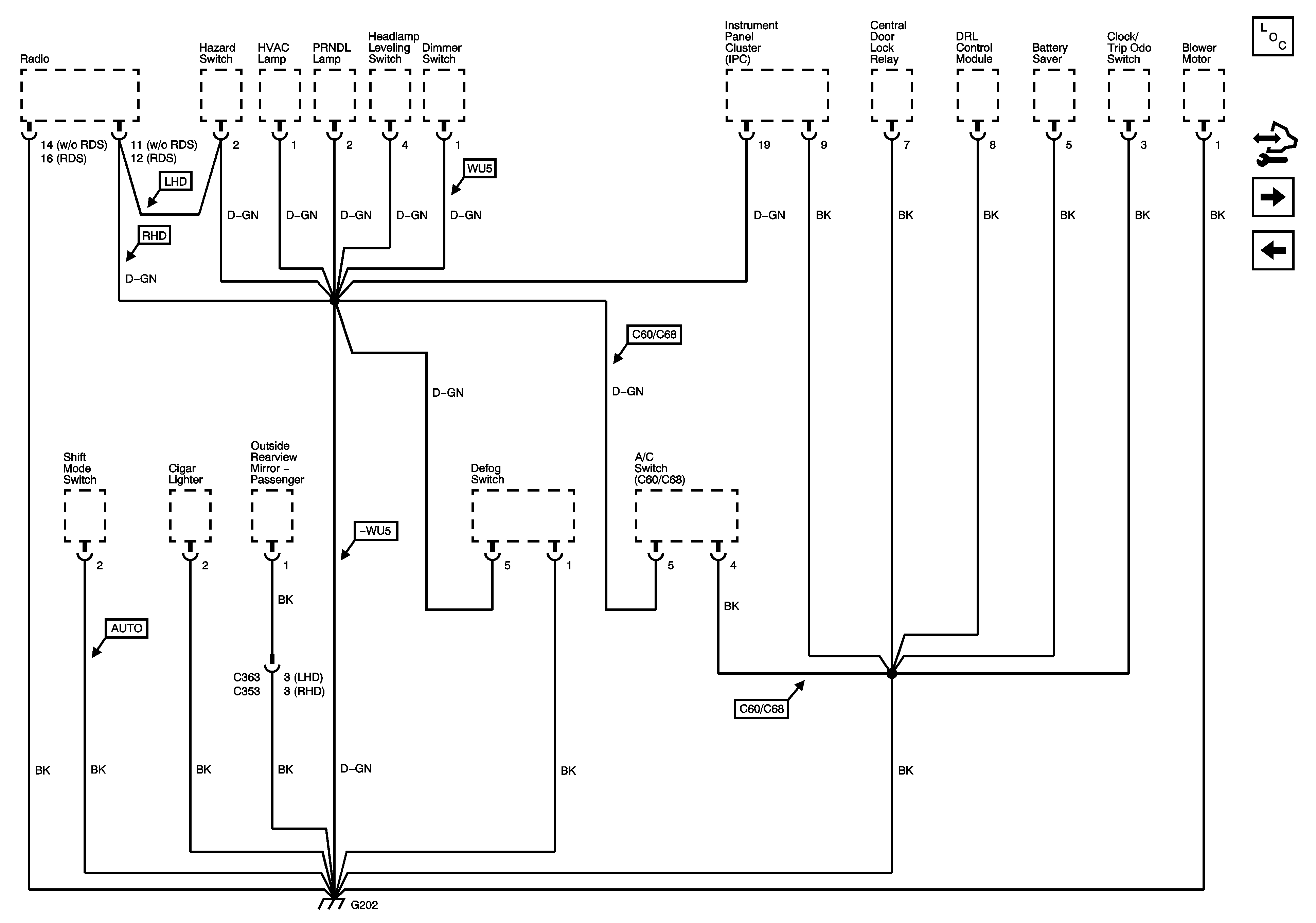
Figure 6:

G202


Object Number: 1950399  Size: FS
Figure 7:

G401 and G402


Object Number: 1950400  Size: FS