GM Service Manual Online
For 1990-2009 cars only
Makes
🢒
Chevrolet
🢒
2008
🢒
Joy
🢒
HVAC
🢒
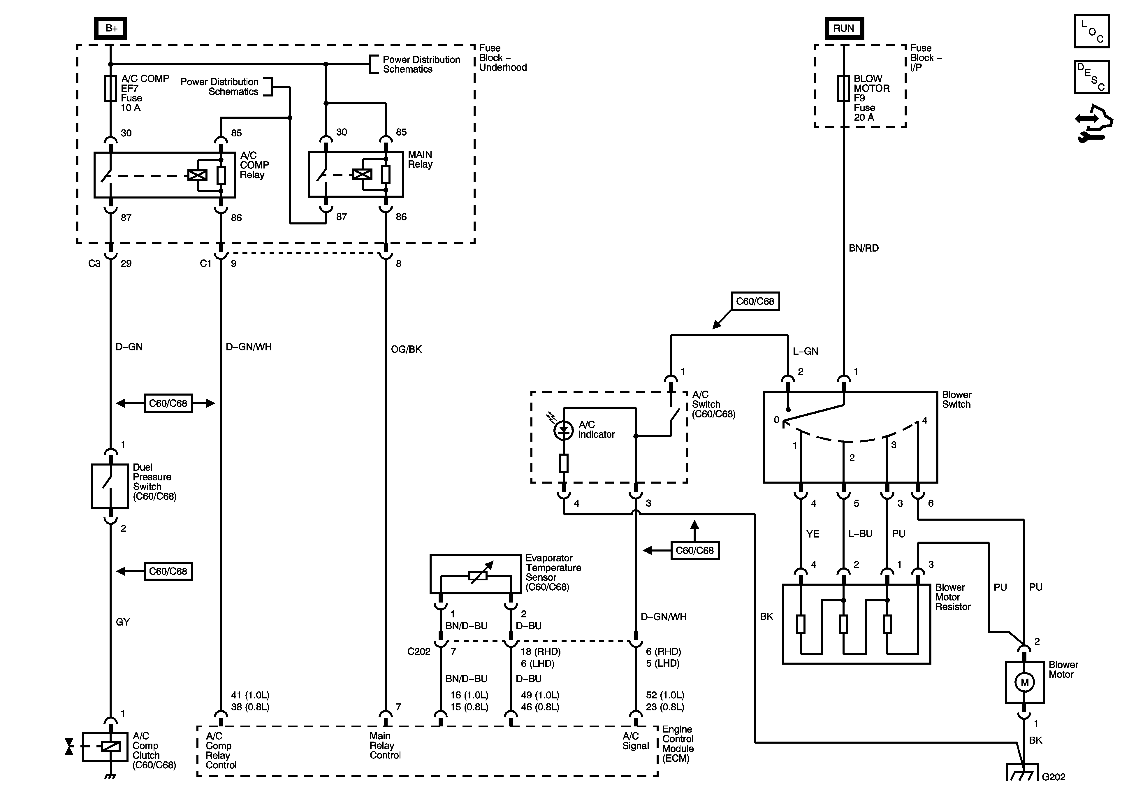
HVAC - Manual
🢒 HVAC Schematics