GM Service Manual Online
For 1990-2009 cars only
Makes
🢒
Chevrolet
🢒
2005
🢒
Kodiak C-Series Motorhome (Cutaway) C4/C5
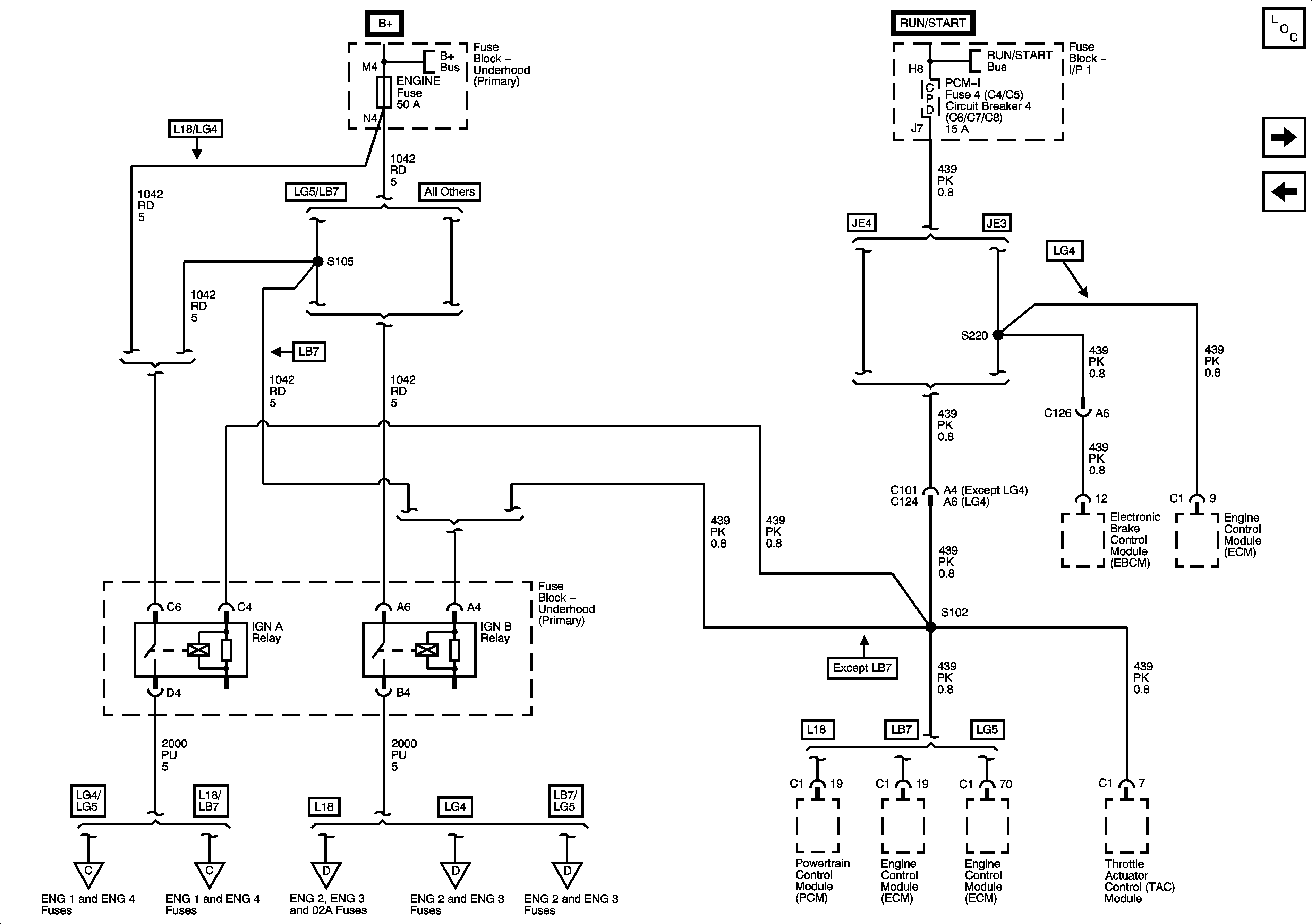
🢒 Underhood Fuse Block, ENGINE Fuse and I/P Fuse Block, PCM-I Fuse/Circuit Breaker
Underhood Fuse Block, ENGINE Fuse and I/P Fuse Block, PCM-I Fuse/Circuit Breaker
Underhood Fuse Block, ENGINE Fuse and I/P Fuse Block, PCM-I Fuse/Circuit Breaker
Master Electrical Component List
Underhood Fuse Block, ENG 3 and ENG 2 Fuses (L18)
I/P Fuse Block, R-RR TRUCK, L-RR TRUCK, GAGES, and SIR Fuses/Circuit Breaker
B+ Bus Bar
B+ Bus Bar
Underhood Fuse Block, ENG4 and ENG1 Fuses (LG4/LG5)
Underhood Fuse Block, ENG 4 and ENG 1 Fuses (L18/LB7)
Underhood Fuse Block, ENG 3 and ENG 2 Fuses (L18)
Underhood Fuse Block, ENG 3, O2A, and ENG 2 Fuses (LG4)
Underhood Fuse Block, ENG 3 and ENG 2 Fuses (LG5/LB7)