GM Service Manual Online
For 1990-2009 cars only
Makes
🢒
Chevrolet
🢒
2005
🢒
Kodiak C-Series Motorhome (Cutaway) C4/C5
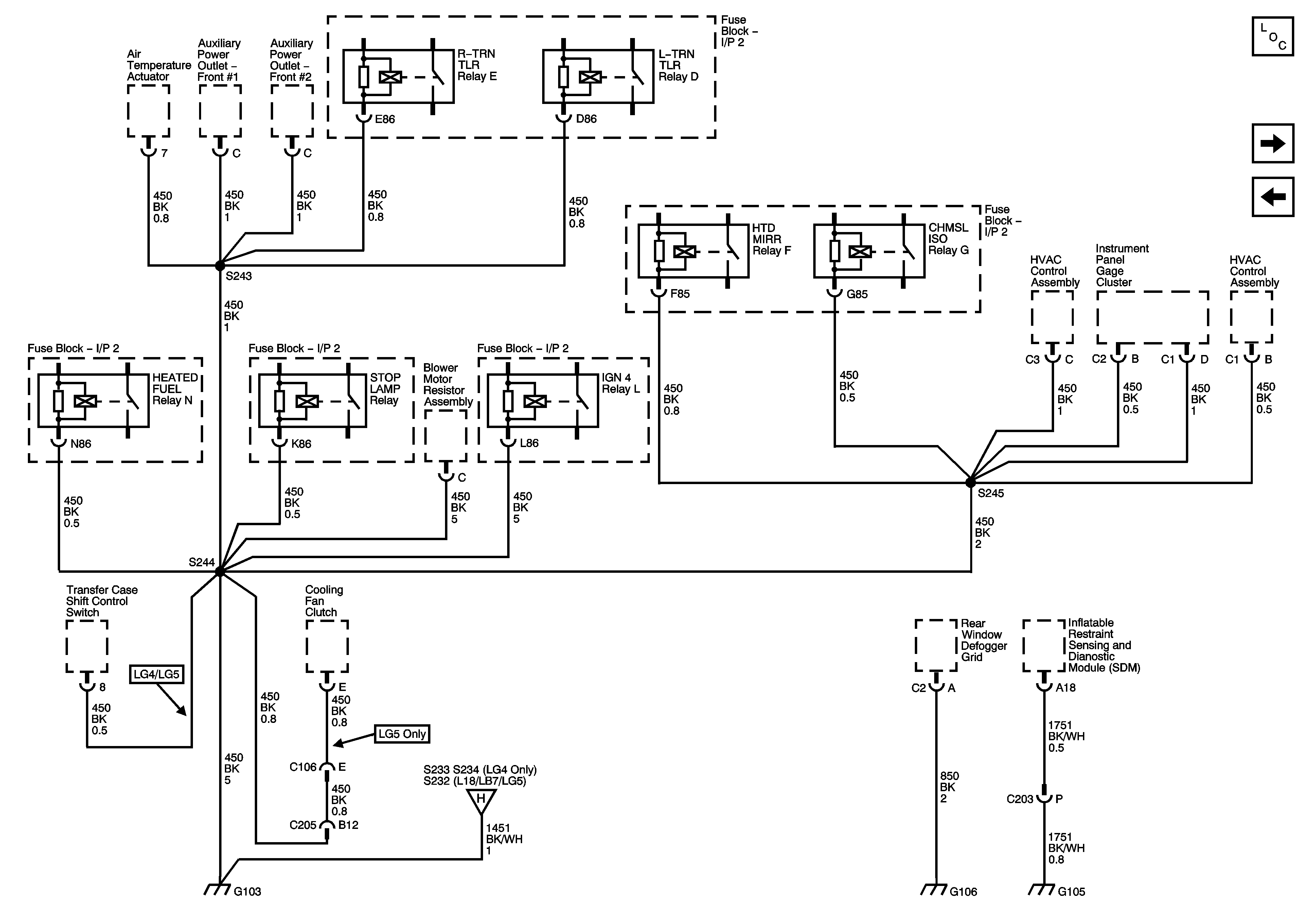
🢒 G103 - 1 of 2, G105, and G106
G103 - 1 of 2, G105, and G106
G103 - 1 of 2, G105 and G106
Master Electrical Component List
G103 - 2 of 2
G102 - 2 of 2
G103 - 2 of 2