GM Service Manual Online
For 1990-2009 cars only
Makes
🢒
Chevrolet
🢒
2005
🢒
Kodiak C-Series Motorhome (Cutaway) C4/C5
🢒 Engine Exhaust System
Engine Exhaust System
Master Electrical Component List
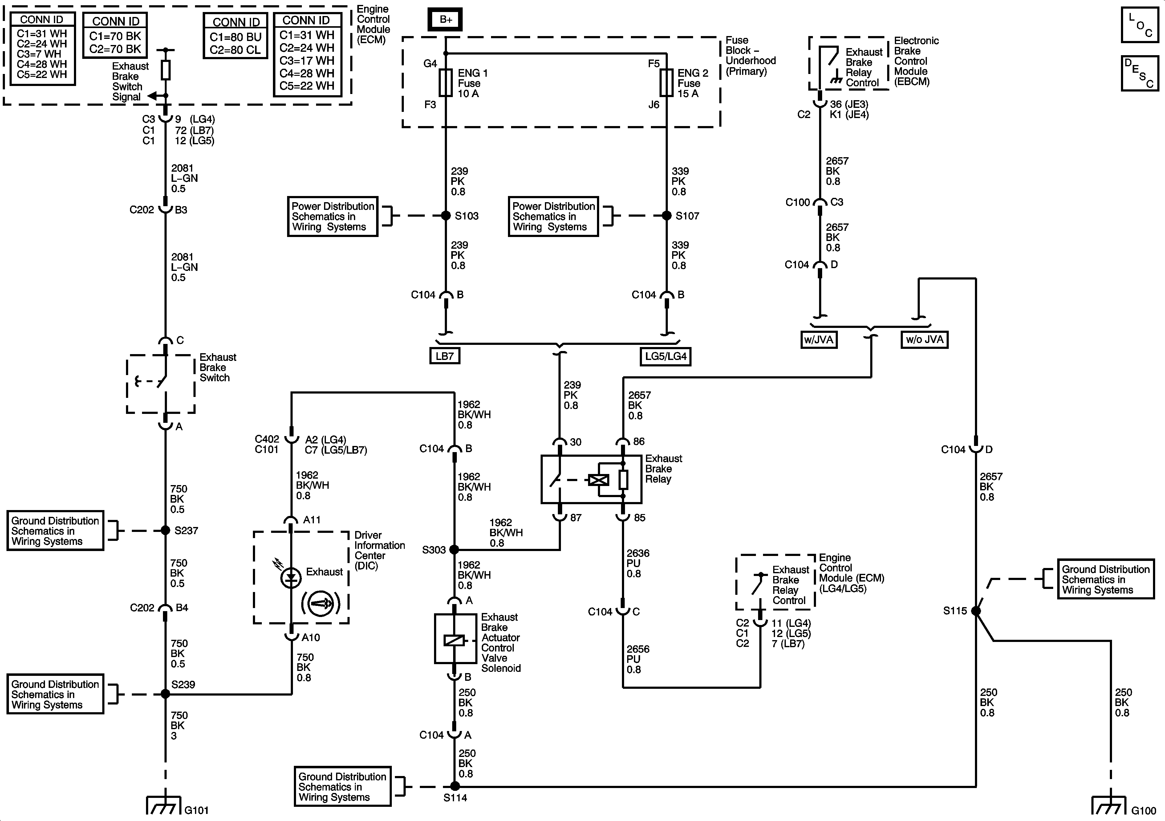
Exhaust Brake Description and Operation (Without RPO LLY)
Underhood Fuse Block, ENG 3, O2A, and ENG 2 Fuses (LG4)
Underhood Fuse Block, ENG 3, O2A, and ENG 2 Fuses (LG4)
G101 - 1 of 2
G101 - 1 of 2
G101 - 1 of 2
G100 (LB7)
G100 (LB7)
G100 (LB7)