GM Service Manual Online
For 1990-2009 cars only
Makes
🢒
Chevrolet
🢒
2005
🢒
Kodiak C-Series Motorhome (Cutaway) C4/C5
🢒 Audible Warning
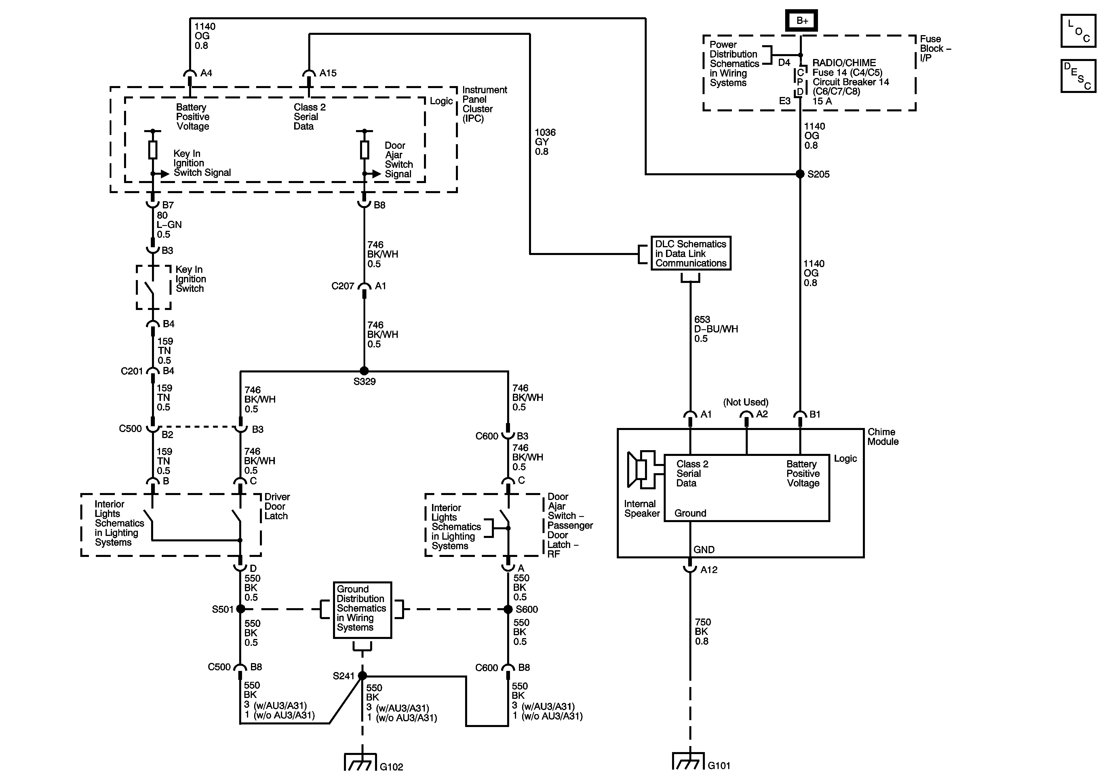
Audible Warning
Master Electrical Component List
Audible Warnings Description and Operation
RADIO/CHIME, CHMSL, and PWR POST Fuses/Circuit Breakers
Splice Pack SP203 (L18/LB7/LG4)
Dome Reading Lamps
Dome Reading Lamps
G102 - 1 of 2
G102 - 1 of 2
G101 - 1 of 2