GM Service Manual Online
For 1990-2009 cars only
Makes
🢒
Chevrolet
🢒
2005
🢒
Kodiak C-Series Motorhome (Cutaway) C4/C5
🢒 Engine Data Sensors - Pressure and Temperature
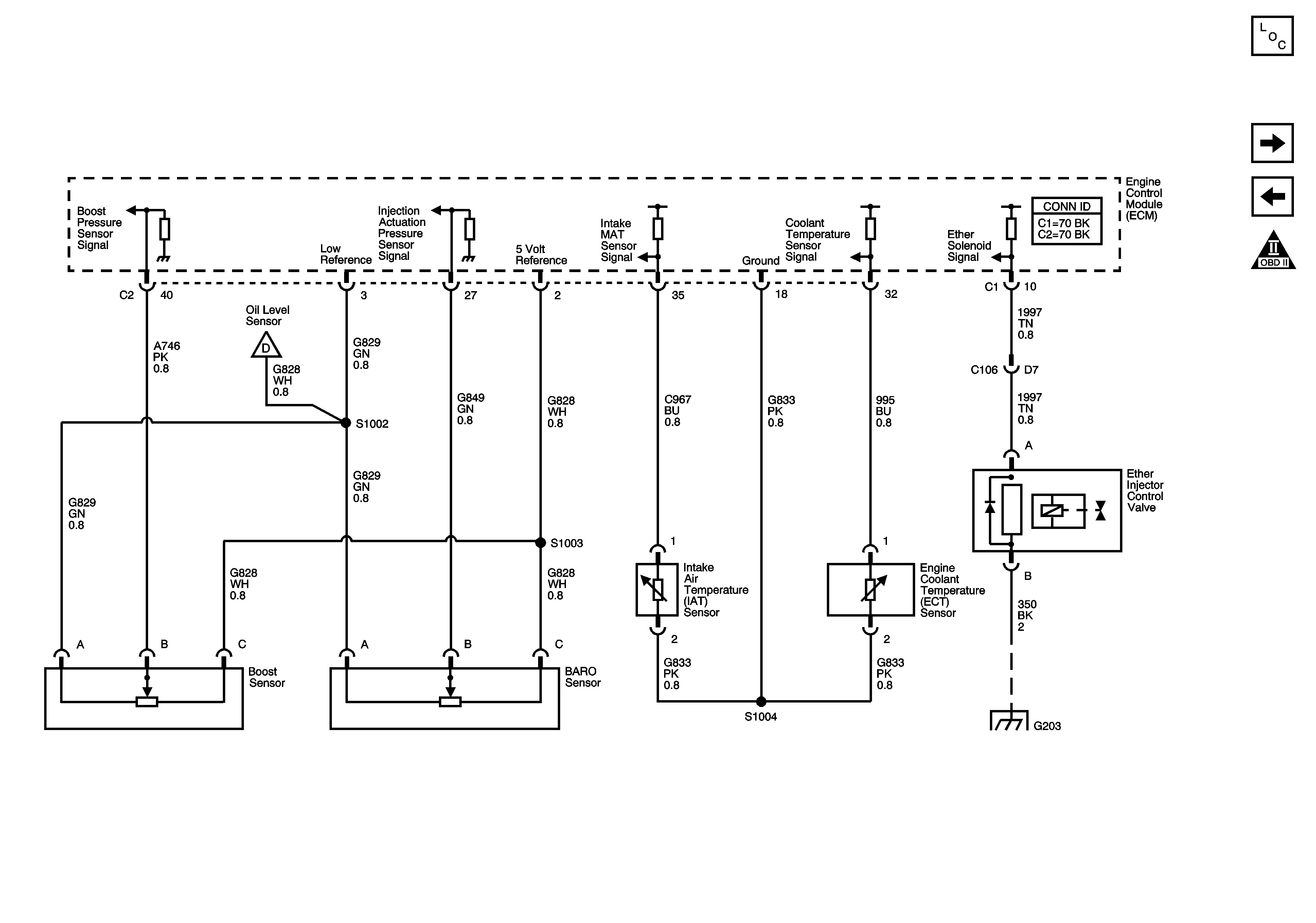
Engine Data Sensors - Pressure and Temperature
Engine Data Sensors - Pressure and Temperature
Master Electrical Component List
Engine Data Sensors - Injection Timing Controls
Module Power, Ground, Serial Data, and MIL
Engine Controls Schematic Icons
Controlled/Monitored Subsystem References
G200, G202, and G203 - 1 of 4