GM Service Manual Online
For 1990-2009 cars only
Makes
🢒
Chevrolet
🢒
2005
🢒
Kodiak C-Series Motorhome (Cutaway) C4/C5
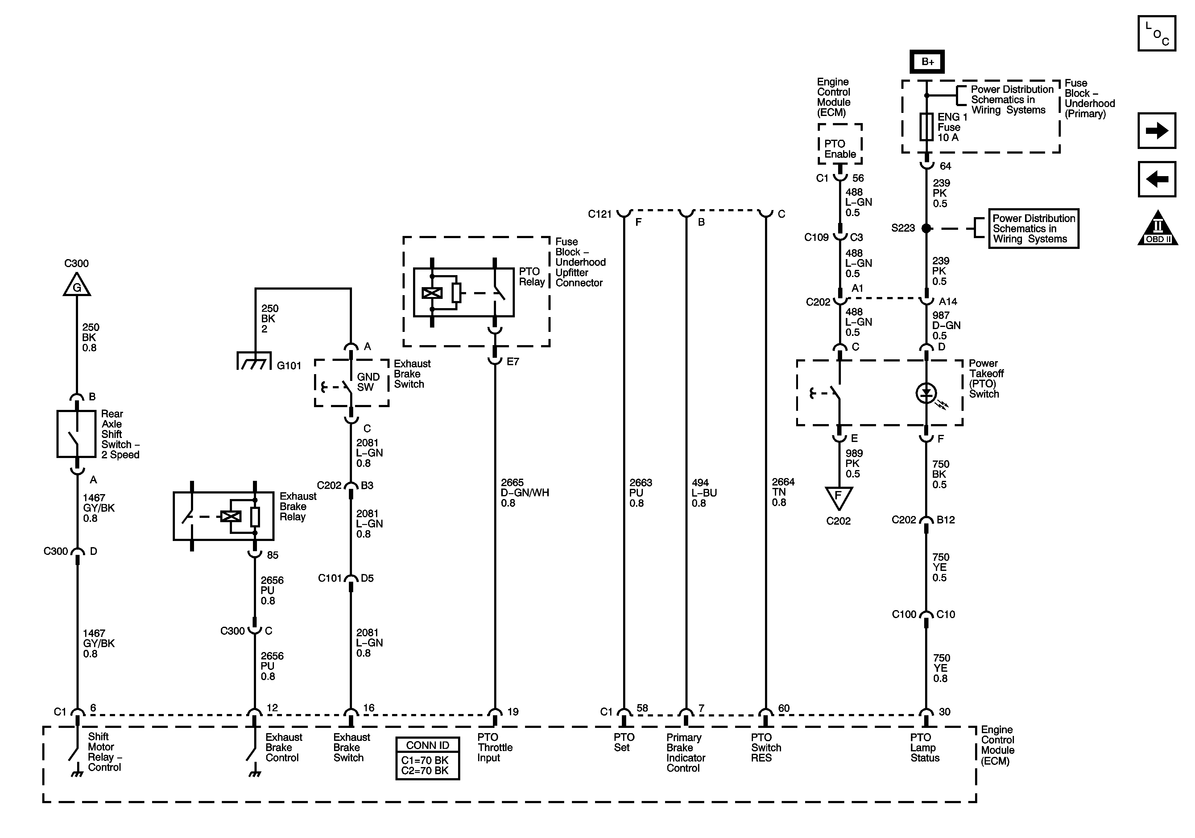
🢒 Power Take Off
Power Take Off
Power Take Off
Master Electrical Component List
Device Controls - Switches
Fuel Controls
Engine Controls Schematic Icons
Device Controls - Switches
Device Controls - Switches
Underhood Fuse Block, ENG4 and ENG1 Fuses (LG4/LG5)
Underhood Fuse Block, ENG4 and ENG1 Fuses (LG4/LG5)