GM Service Manual Online
For 1990-2009 cars only
Makes
🢒
Chevrolet
🢒
2005
🢒
Kodiak C-Series Motorhome (Cutaway) C4/C5
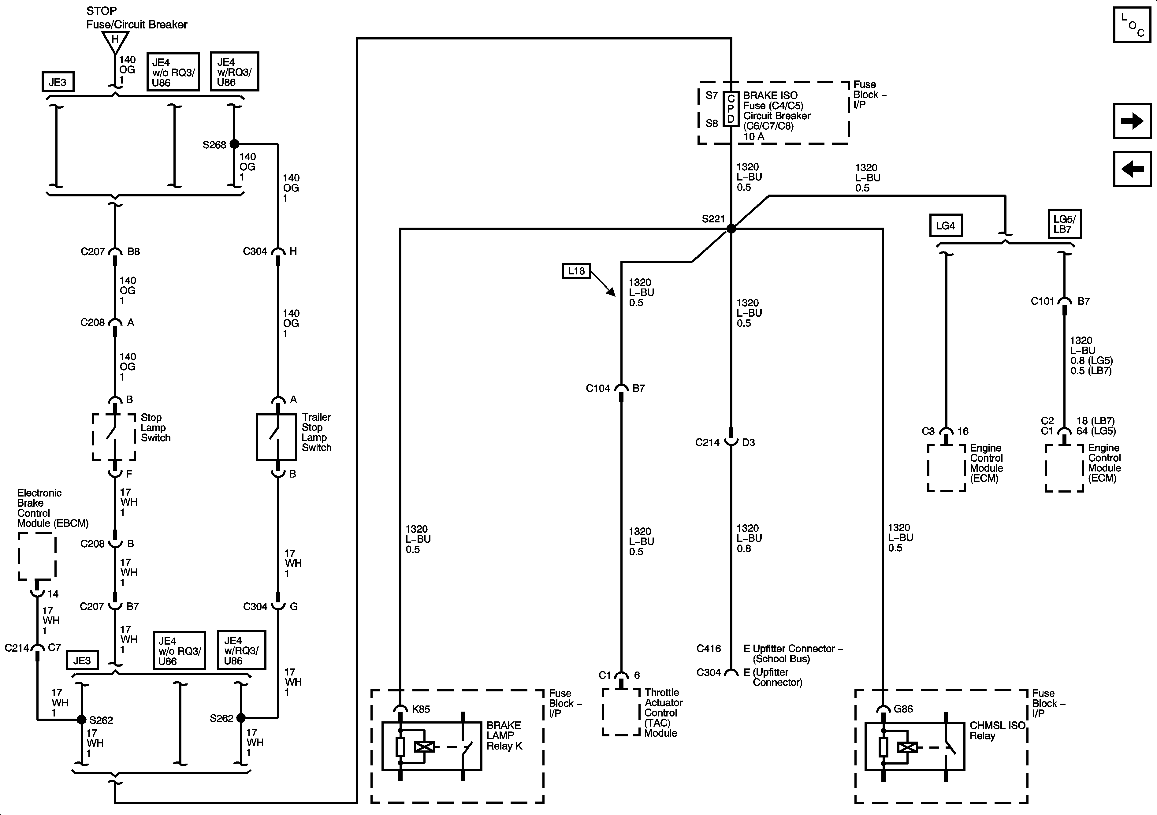
🢒 I/P Fuse Block, BRAKE ISO Fuse/Circuit Breaker
I/P Fuse Block, BRAKE ISO Fuse/Circuit Breaker
I/P Fuse Block, BRAKE ISO Fuse/Circuit Breaker
Master Electrical Component List
ABS 2, ABS 3, ABS 1, and E/A Pump Fuses and HORN Fuse/Circuit Breaker
Underhood Fuse Block, I/P Fuse Block, BATT/HAZ Fuse, PWR ACCY, HAZARD, TRLR TRN/HAZ, and STOP Fuses/Circuit Breakers
Underhood Fuse Block, I/P Fuse Block, BATT/HAZ Fuse, PWR ACCY, HAZARD, TRLR TRN/HAZ, and STOP Fuses/Circuit Breakers