GM Service Manual Online
For 1990-2009 cars only
Makes
🢒
Chevrolet
🢒
2005
🢒
Kodiak C-Series Motorhome (Cutaway) C4/C5
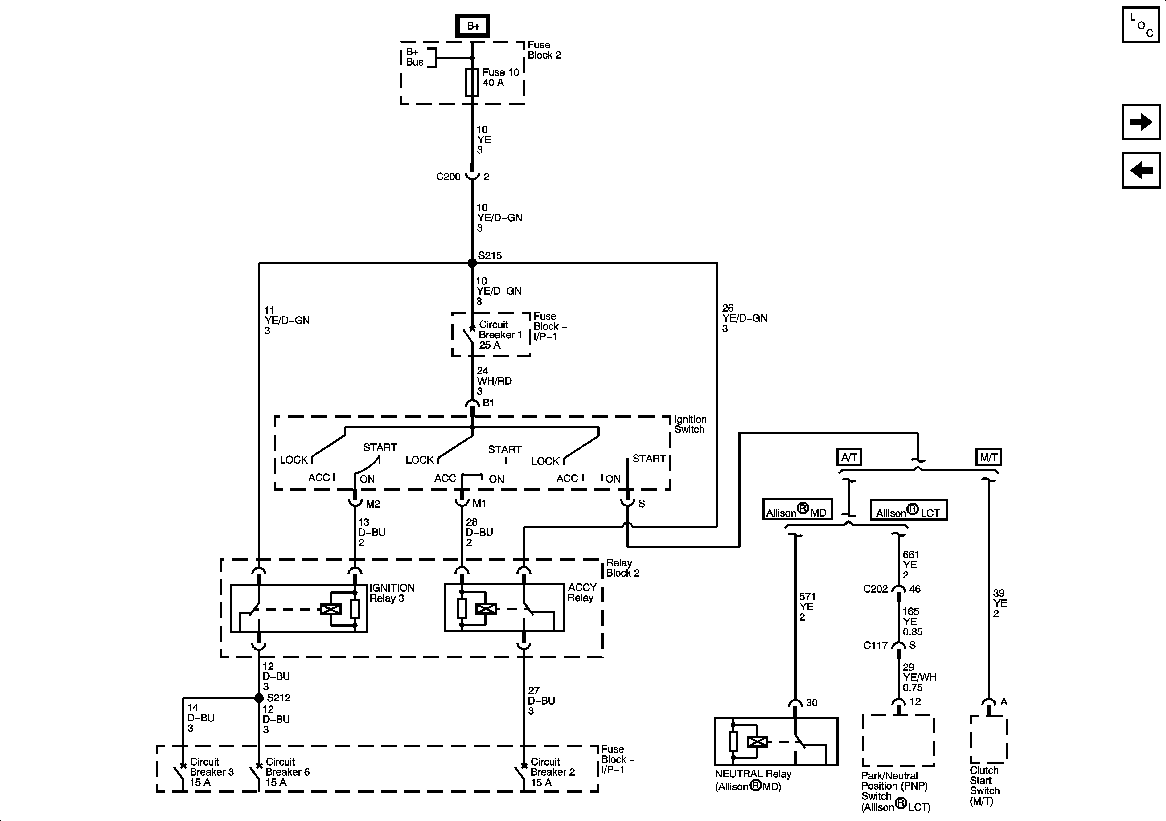
🢒 Fuse Block 2: Fuse 10, Fuse Block - I/P - 1: Circuit Breaker 1 and ACCY/RUN, RUN/START and START Busses
Fuse Block 2: Fuse 10, Fuse Block - I/P - 1: Circuit Breaker 1 and ACCY/RUN, RUN/START and START Busses
Fuse Block 2: Fuse 10 and Fuse Block - I/P - 1: Circuit Breaker 1 and ACCY/RUN, RUN/START and START Busses
Master Electrical Component List
Fuse Block 1: Fuse 1 and Fuse Block - I/P - 2: Circuit Breakers 14, 15, 16, and 19
Batteries and B+ Busses