GM Service Manual Online
For 1990-2009 cars only
Makes
🢒
Chevrolet
🢒
2005
🢒
Kodiak C-Series Motorhome (Cutaway) C4/C5
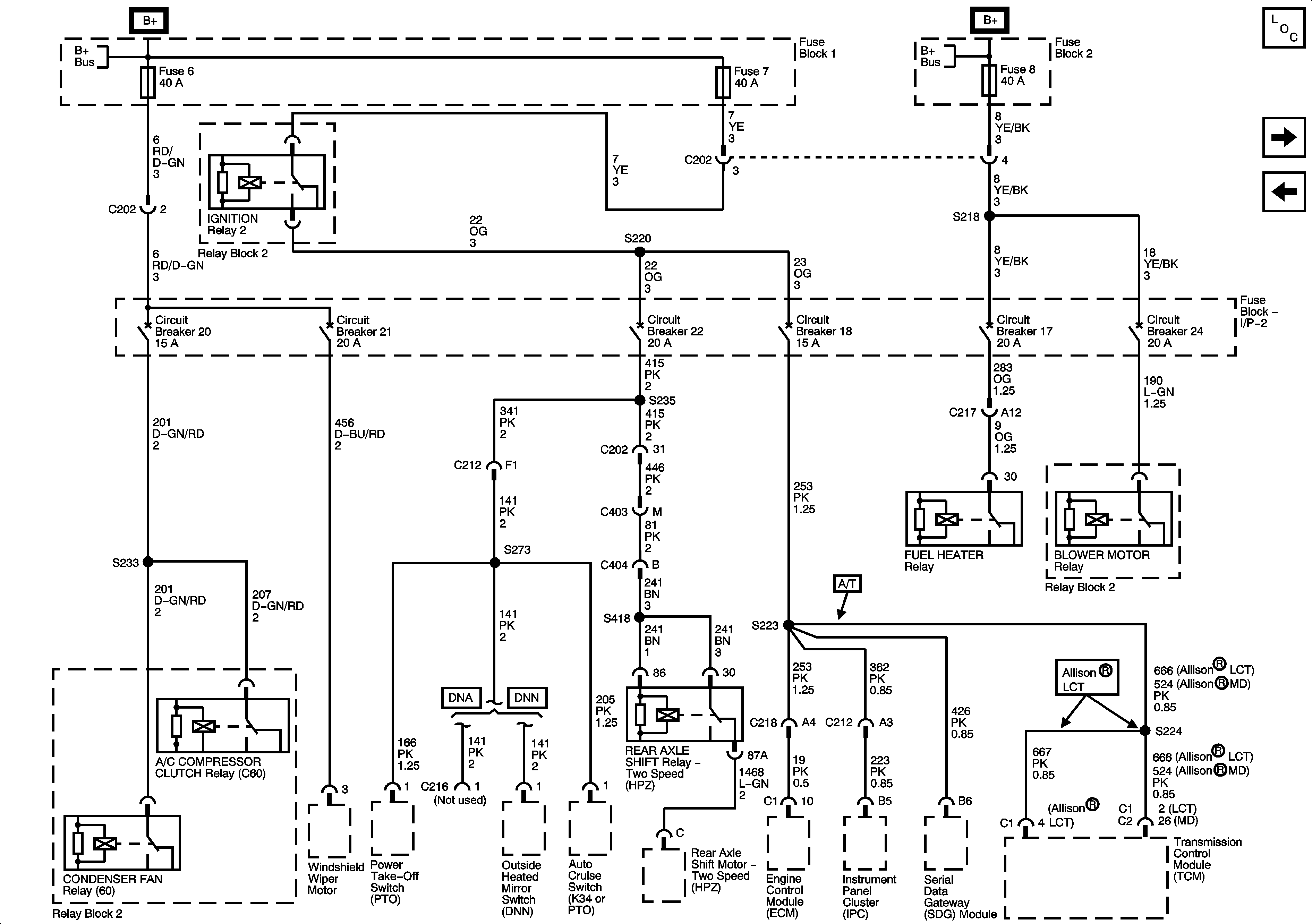
🢒 Fuse Block 1: Fuses 6 and 7, Fuse Block 2: Fuse 8, Fuse Block - I/P - 2: Circuit Breakers 17, 18, 20, 21, 22 and 24
Fuse Block 1: Fuses 6 and 7, Fuse Block 2: Fuse 8, Fuse Block - I/P - 2: Circuit Breakers 17, 18, 20, 21, 22 and 24
Fuse Block 1: Fuses 6 and 7, Fuse Block 2: Fuse 8 and Fuse Block - I/P -2: Circuit Breakers 17, 18, 20, 21, 22 and 24
Master Electrical Component List
Fuse Block 2: Fuses 9, 11, 12, 13, and 14, Fuse Block - I/P - 1: Circuit Breaker 11 and Fuse Block - I/P - 2: Circuit Breakers 25 and 26
Fuse Block 1: Fuse 5 and Fuse Block - I/P - 1: Circuit Breakers 5, 9, 10