GM Service Manual Online
For 1990-2009 cars only
Figure 1:

Data Link Connector, Power, and Ground - 1 of 2


Object Number: 798780  Size: FS
Master Electrical Component List
Data Link Communications Description and Operation
Data Link Connector, Power and Ground - 2 of 2 (LG4/LG5)
CHMSL, PWR POST, and RADIO/CHIME FuseS/Circuit Breakers
CHMSL, PWR POST, and RADIO/CHIME FuseS/Circuit Breakers
Data Link Connector, Power and Ground - 2 of 2 (LG4/LG5)
Diagnostic Tool Connector Power and Ground
Diagnostic Tool Connector Power and Ground
G101 - 1 of 2
G103 - 2 of 2
Data Link Connector, Power and Ground - 2 of 2 (LG4/LG5)
Figure 2:

Data Link Connector, Power and Grounds - 2 of 2 (LG4/LG5)


Object Number: 798782  Size: FS
Master Electrical Component List
Data Link Communications Description and Operation
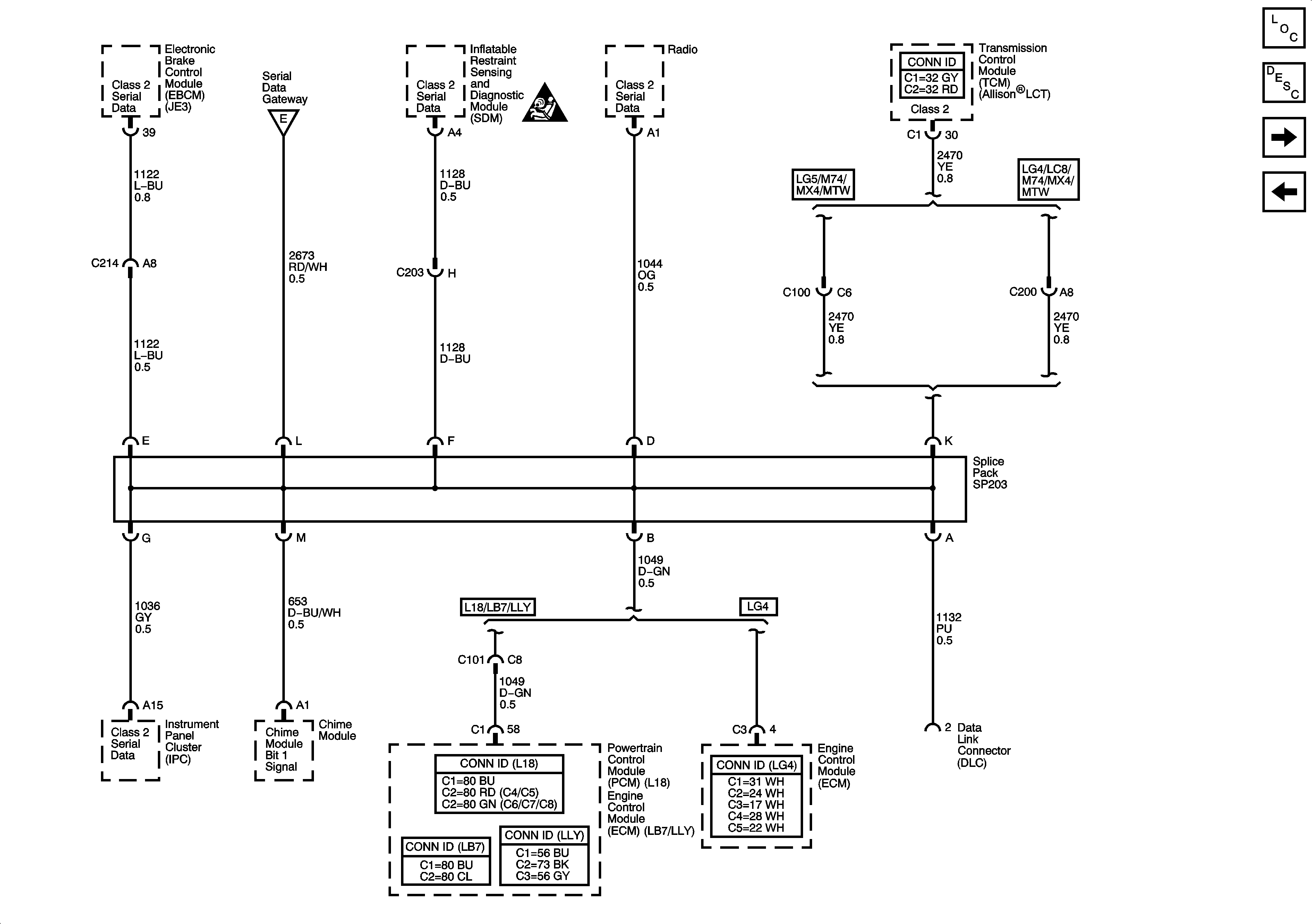
Splice Pack SP203 (L18/LB7/LG4/LLY)
Data Link Connector, Power and Ground - 1 of 2
Data Link Connector, Power and Ground - 1 of 2
Data Link Connector, Power and Ground - 1 of 2
Figure 3:

Splice Pack SP203 (L18/LB7/LG4/LLY)


Object Number: 1464488  Size: FS
Master Electrical Component List
Data Link Communications Description and Operation
Diagnostic Tool Connector Power and Ground
Data Link Connector, Power and Ground - 2 of 2 (LG4/LG5)
Serial Data Gateway
Figure 4:

Diagnostic Tool Connector, Power and Ground


Object Number: 801052  Size: FS
Master Electrical Component List
Data Link Communications Description and Operation
Serial Data Gateway
Splice Pack SP203 (L18/LB7/LG4/LLY)
CHMSL, PWR POST, and RADIO/CHIME FuseS/Circuit Breakers
CHMSL, PWR POST, and RADIO/CHIME FuseS/Circuit Breakers
Data Link Connector, Power and Ground - 1 of 2
Data Link Connector, Power and Ground - 1 of 2
Module Power, Ground, Serial Data
G101 - 1 of 2
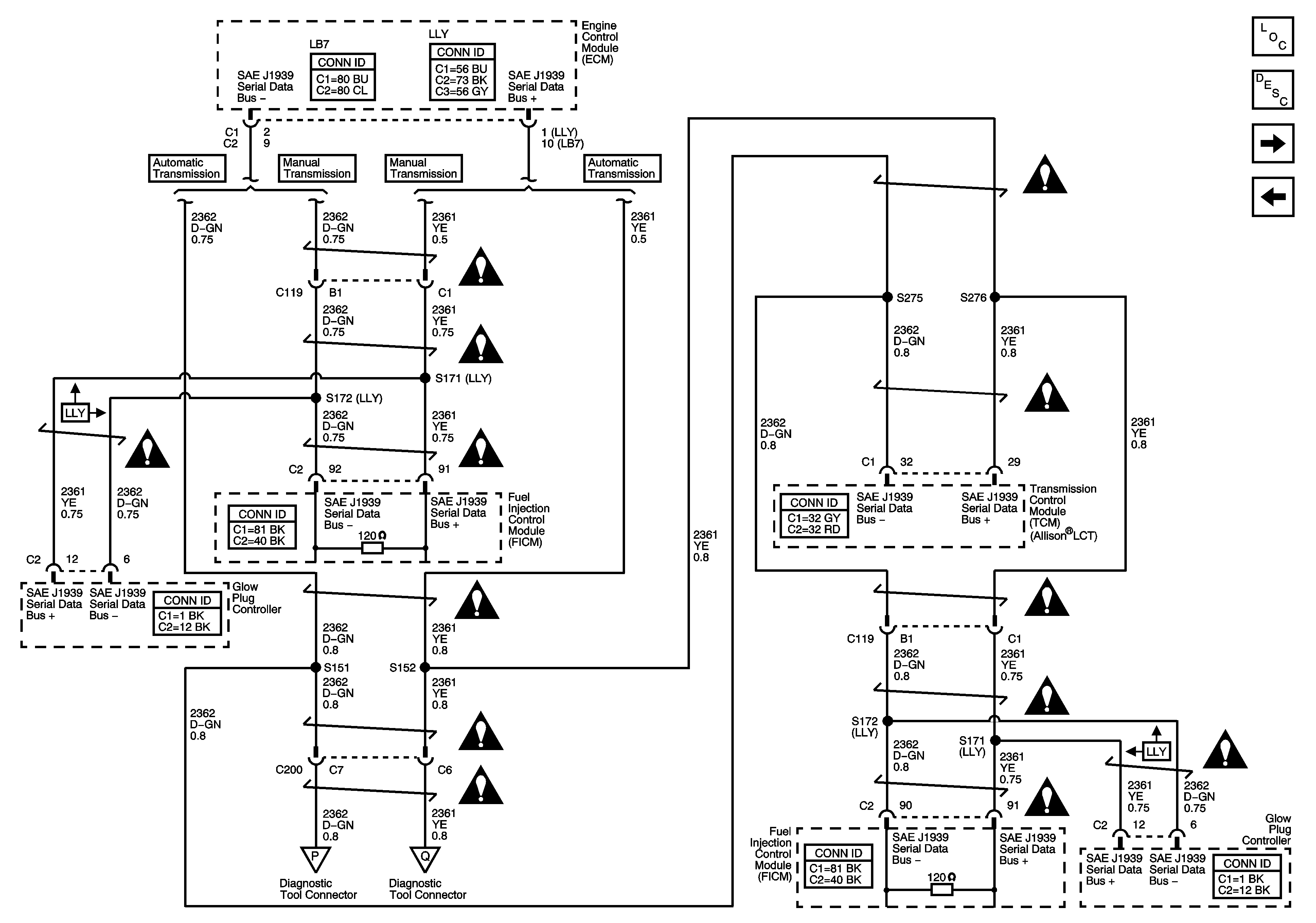
J1939 Serial Data (LB7/LLY)
J1939 Serial Data (L65/L18/LG4/LC8) - 1 of 2
J1939 Serial Data (LB7/LLY)
J1939 Serial Data (L65/L18/LG4/LC8) - 1 of 2
Figure 5:

Serial Data Gateway


Object Number: 801053  Size: FS
Master Electrical Component List
Data Link Communications Description and Operation
J1939 Serial Data (LB7/LLY)
Diagnostic Tool Connector Power and Ground
A/C COMP, HTD FUEL, PCM-B, and RR DEFOG Fuses
A/C COMP, HTD FUEL, PCM-B, and RR DEFOG Fuses
START and TRANS Fuses/Circuit Breakers
J1939 Serial Data (L65/L18/LG4/LC8) - 1 of 2
G103 - 1 of 2, G105, and G106
Splice Pack SP203 (L18/LB7/LG4/LLY)
Figure 6:

J1939 Serial Data (LB7/LLY)


Object Number: 1852214  Size: FS
Master Electrical Component List
Data Link Communications Description and Operation
J1939 Serial Data (L65/L18/LG4/LC8) - 1 of 2
Serial Data Gateway
Diagnostic Tool Connector Power and Ground
Diagnostic Tool Connector Power and Ground
Figure 7:

J1939 Serial Data (L65/L18/LG4/LC8)


Object Number: 801057  Size: FS
Master Electrical Component List
Data Link Communications Description and Operation
J1939 Serial Data (L65/L18/LG4/LC8) - 2 of 2
J1939 Serial Data (LB7/LLY)
Diagnostic Tool Connector Power and Ground
Diagnostic Tool Connector Power and Ground
J1939 Serial Data (L65/L18/LG4/LC8) - 2 of 2
J1939 Serial Data (L65/L18/LG4/LC8) - 2 of 2
J1939 Serial Data (L65/L18/LG4/LC8) - 2 of 2
J1939 Serial Data (L65/L18/LG4/LC8) - 2 of 2
Serial Data Gateway
Serial Data Gateway
Serial Data Gateway
Serial Data Gateway
Figure 8:

J1939 Serial Data (LG5/L18/LG4)


Object Number: 801068  Size: FS
Master Electrical Component List
Data Link Communications Description and Operation
J1939 Serial Data (L65/L18/LG4/LC8) - 1 of 2
J1939 Serial Data (L65/L18/LG4/LC8) - 1 of 2
J1939 Serial Data (L65/L18/LG4/LC8) - 1 of 2
J1939 Serial Data (L65/L18/LG4/LC8) - 1 of 2
J1939 Serial Data (L65/L18/LG4/LC8) - 1 of 2