GM Service Manual Online
For 1990-2009 cars only
Makes
🢒
Chevrolet
🢒
2004
🢒
Kodiak C-Series (Conventional) C4/C5
🢒
Accessories
🢒
Air Compressor - Auxiliary
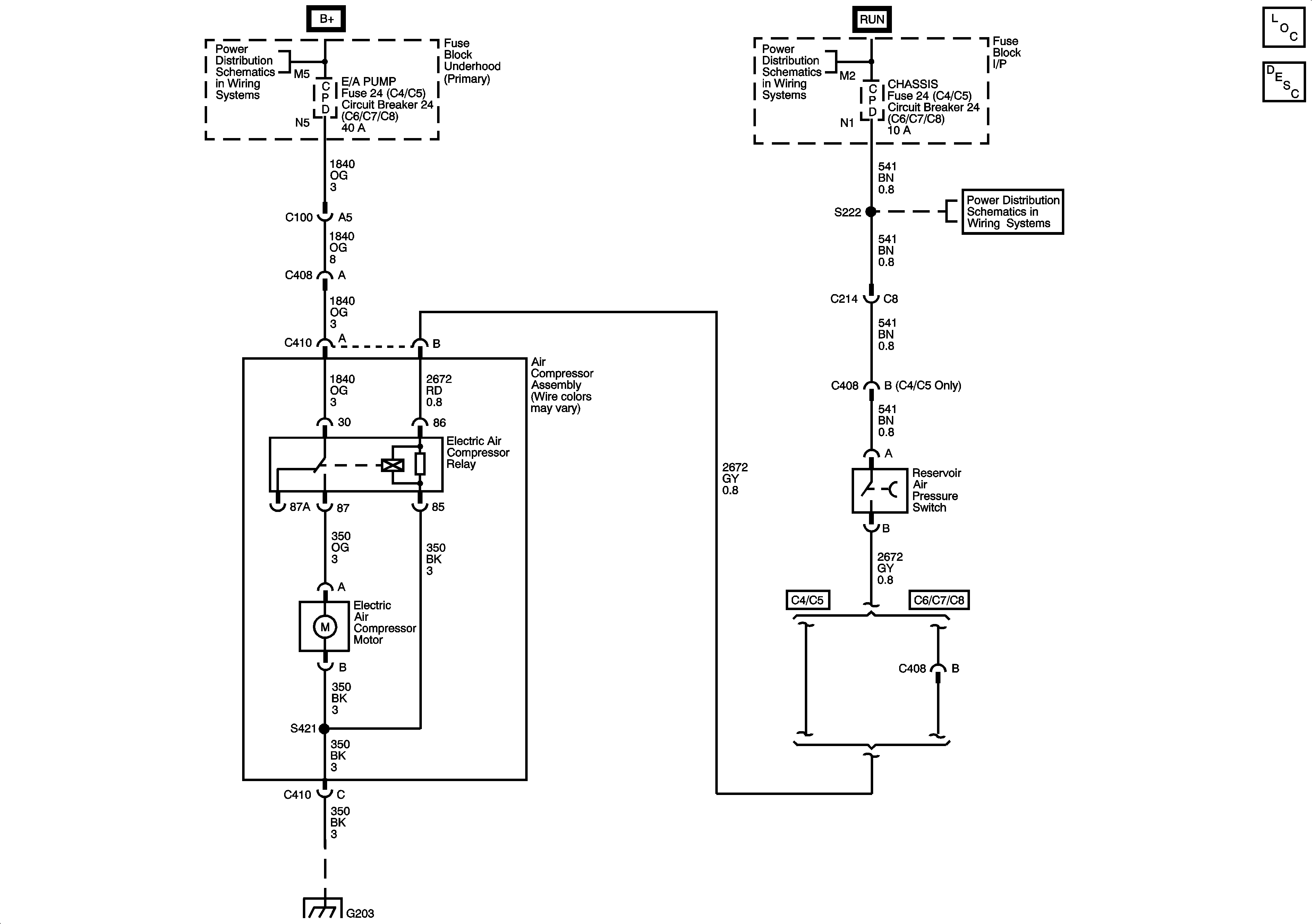
🢒 Auxiliary Air Compressor Schematics
Master Electrical Component List
Auxiliary Air Compressor Description and Operation
ABS 1, ABS 2, ABS 3, E/A PUMP, and HORN Fuses/Circuit Breakers
Ignition Switch - RUN and ACC/RUN Bus Bars
AXLE/4WD, BRAKE, CHASSIS, and HTR/AC Fuses/Circuit Breakers
G200, G202, and G203 - 1 of 4