GM Service Manual Online
For 1990-2009 cars only

Removal Procedure


    Object Number: 769318  Size: SH
  1. Remove the I/P carrier. Refer to Instrument Panel Carrier Replacement in Instrument Panel, Gages, and Console.
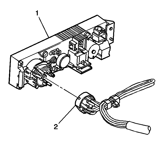
  2. Remove the vacuum harness (2) from the HVAC control assembly.

  3. Object Number: 791372  Size: SH
  4. Remove the vacuum harness (1,2) from the heater assembly.

  5. Object Number: 791362  Size: SH
  6. Disconnect the vacuum hose (1) from the vacuum pump assembly.

  7. Object Number: 791365  Size: SH
  8. Remove the vacuum harness grommet (2) from the cowl.
  9. Remove the vacuum harness.

Installation Procedure

  1. Install the vacuum hose harness.

  2. Object Number: 791365  Size: SH
  3. Install the vacuum harness grommet (2) to the cowl.

  4. Object Number: 791362  Size: SH
  5. Connect the vacuum hose (1) to the vacuum pump assembly.

  6. Object Number: 791372  Size: SH
  7. Install the vacuum hose harness (1) to the heater assembly.
  8. Install the I/P carrier. Refer to Instrument Panel Carrier Replacement in Instrument Panel, Gages, and Console.

  9. Object Number: 769318  Size: SH
  10. Install the vacuum harness (2) to the HVAC control assembly.

  11. Object Number: 791362  Size: SH
  12. Connect the vacuum hose (1) to the vacuum pump assembly.